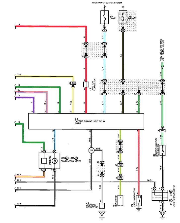
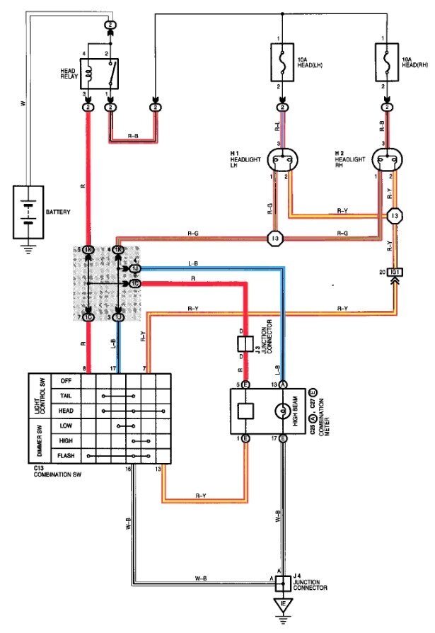
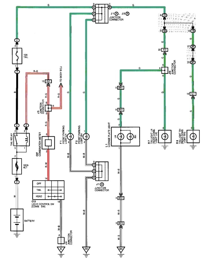
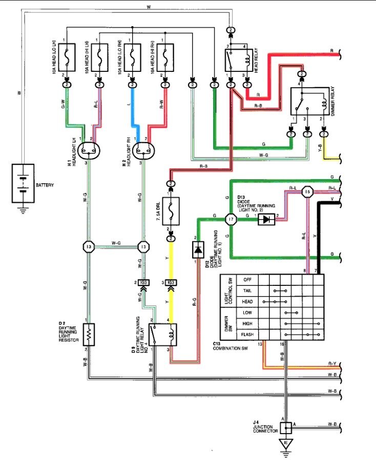
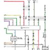
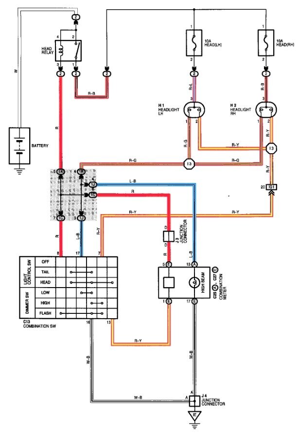
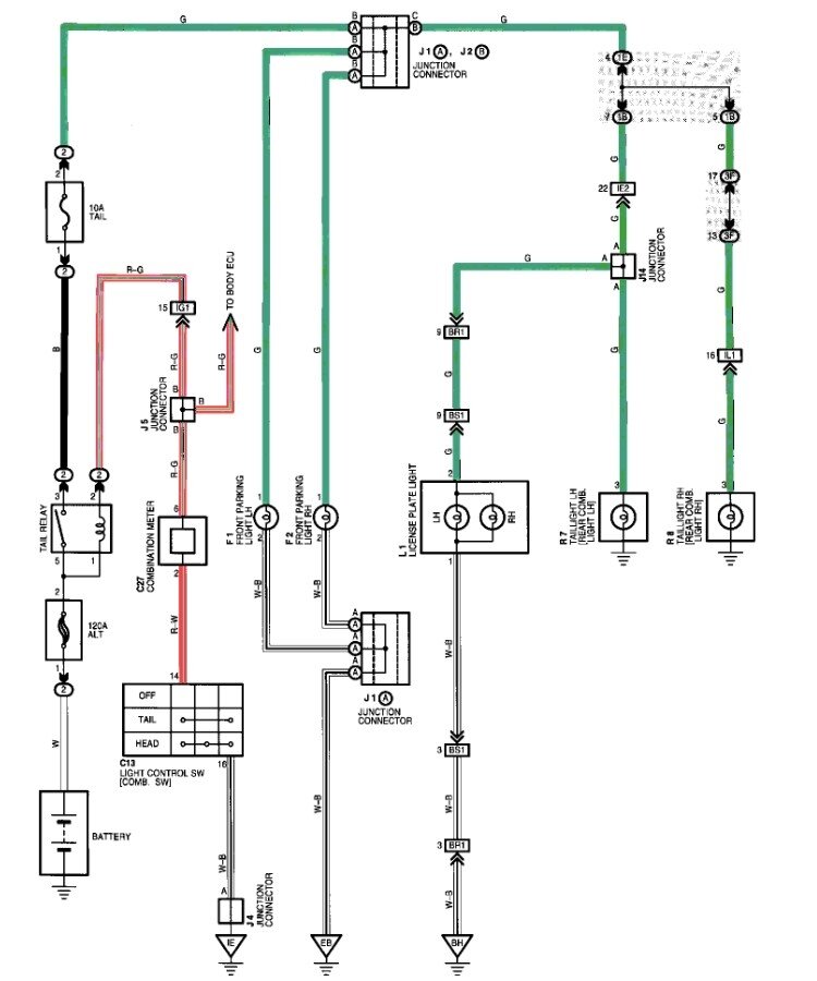
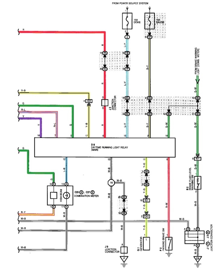
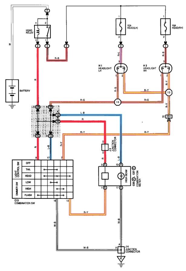
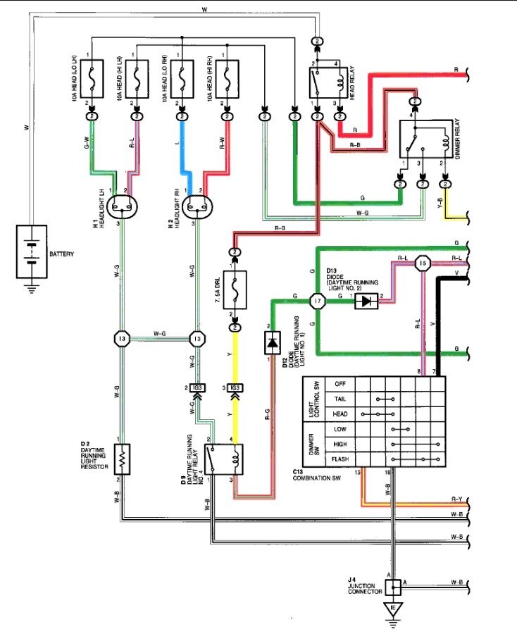
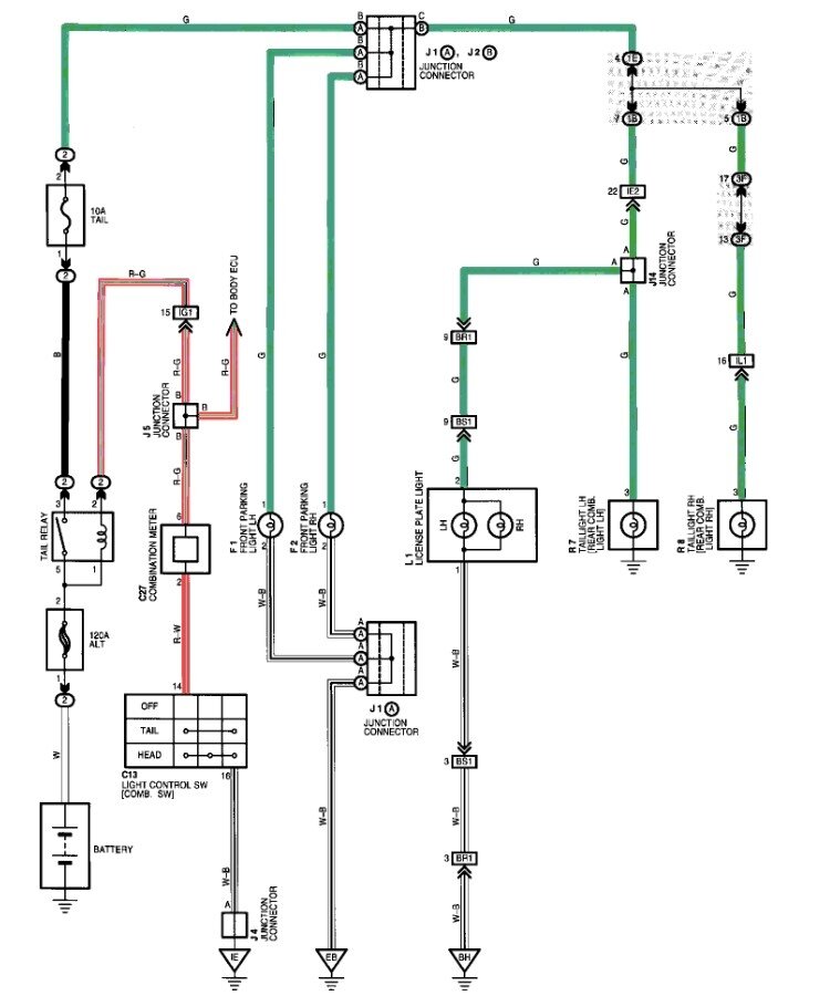
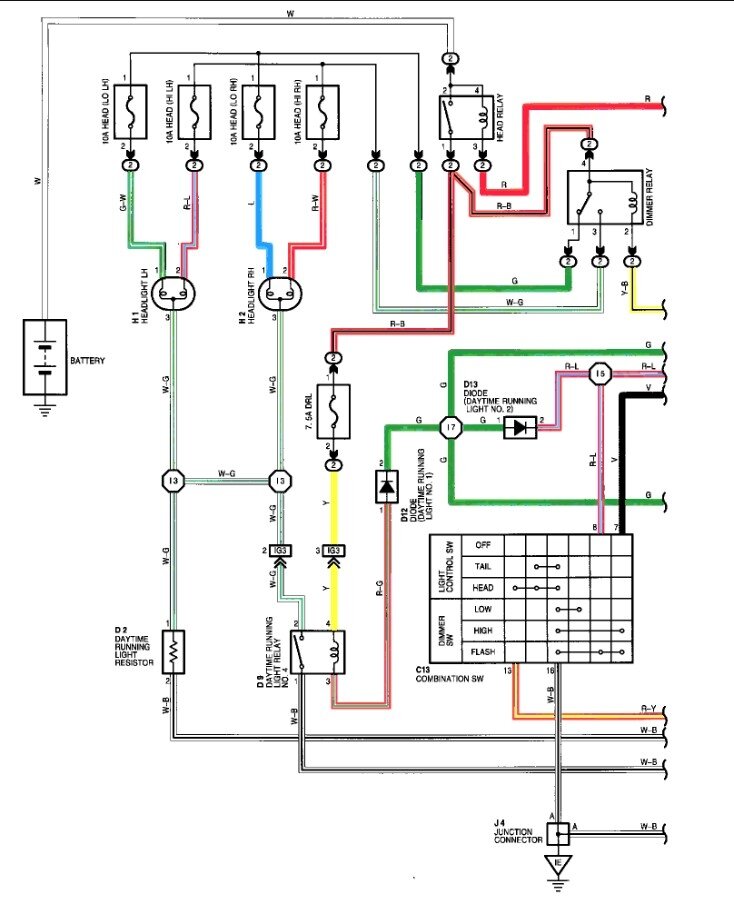
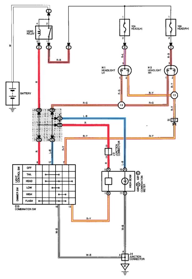
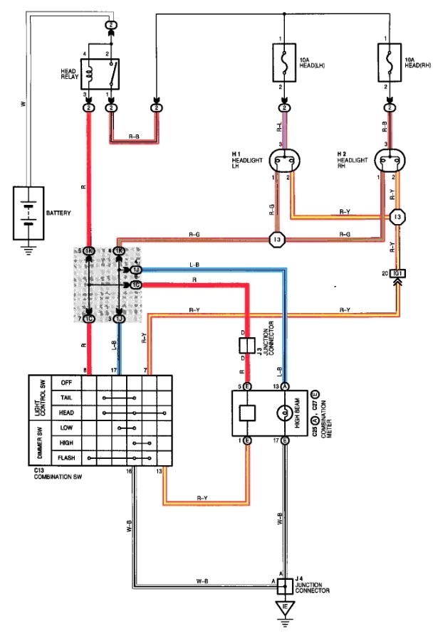
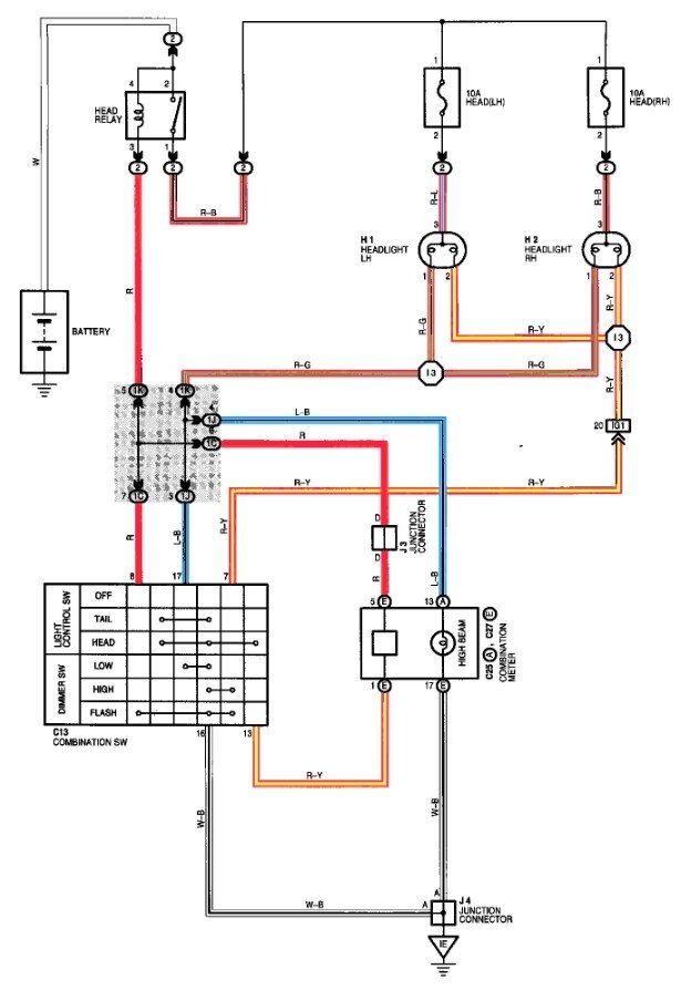
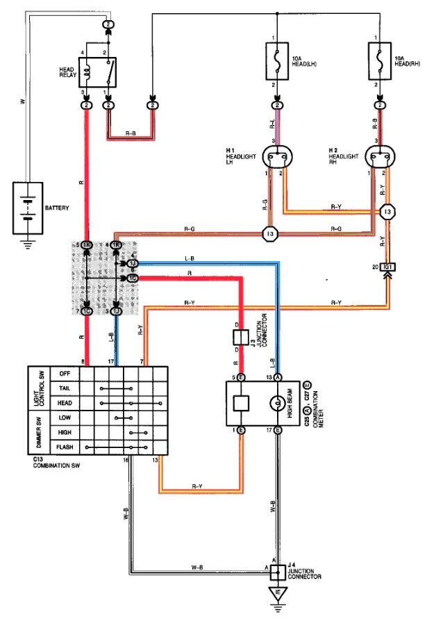
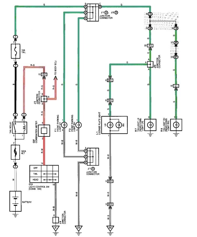
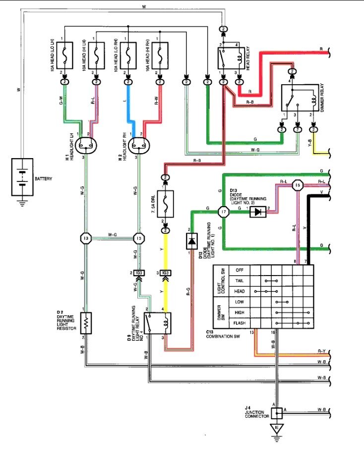
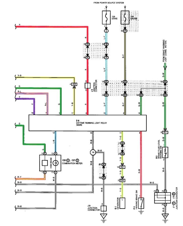
Headlights, taillights or turn signals do not work?

Tiny
JWALLS73
  • MEMBER
  • 2000 TOYOTA 4RUNNER
  • 3.8L
  • 6 CYL
  • AUTOMATIC
  • 200,000 MILES
No headlights, taillights or turn signals work.
Monday, December 19th, 2022 AT 6:31 AM

1 Reply

Tiny
STEVE W.
  • MECHANIC
  • 15,688 POSTS
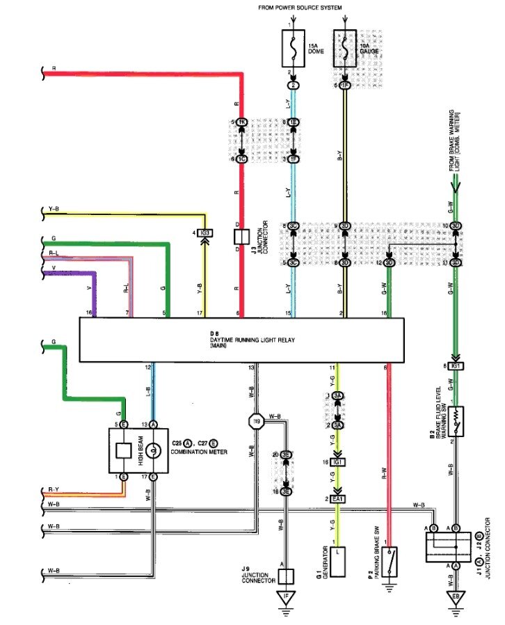
With all of those out I would start looking in the fuse and relay box. There are different power feeds for the lights, but most are fed in that box through a couple relays. I would use a test light to start testing the fuses and relays in that box.

https://www.2carpros.com/articles/how-to-use-a-test-light-circuit-tester
https://www.2carpros.com/articles/how-to-check-a-car-fuse

The only other common item is the light switch.
Was this
answer
helpful?
Yes
No
Monday, December 19th, 2022 AT 10:07 AM

Please login or register to post a reply.