Saturday, September 16th, 2023 AT 4:44 PM
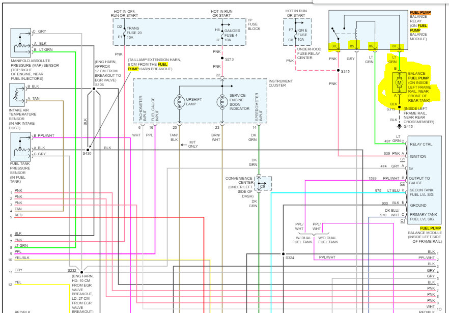
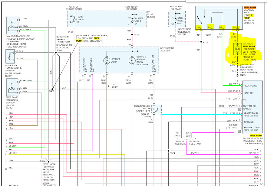
Okay, this is a bit long and convoluted. My truck was running perfectly fine, but I had an oil leak. It looked like it was coming from the oil pressure sending unit but after replacing the sending unit you could tell that the unit was not leaking. However, in the process of replacing the unit I had to remove the distributor cap and when putting it back on I broke the tab that the screw goes in. After a failed attempt to install the plate that is supposed to fix it, I just went ahead and replaced the distributor. When I pulled the old distributor out, I found the gasket was broken in three places which I am fairly sure there was the leak. After putting everything back together and making sure everything was in the correct place, I tried to start it and it would not start. I sprayed carb cleaner in the intake tube, and it fired up and ran fine until the spray ran out. So, I pulled the cap off of the pressure valve and pushed in the Schrader valve and I had no fuel. I had recently (about three years ago) replaced the fuel pump and was told that the new pump would probably not last as long since it was not an OEM pump. So, I replaced the pump and filter but that didn’t work either. I also replaced the relay. Then a guy on YouTube said in his video on how to replace the pump that during the 99-year GM changed the wiring diagram for newer pumps. Now I am left confused and aggravated. Right now, I have it wired according to the instructions that came with the new pump. But I’m getting nothing from it. For a while it was buzzing like it was working and you could see some fuel going into the hose but not enough to get to the Schrader valve or to build any kind of pressure. I don’t know if I burned up the new pump or if I have a wiring problem. Any thoughts, ideas or suggestions would be greatly appreciated. Thank you.


