No fluid pressure from the ABS modular

Tiny
RICKB100
  • MEMBER
  • 2006 BUICK LUCERNE
  • 3.8L
  • 6 CYL
  • 2WD
  • AUTOMATIC
  • 225,000 MILES
No fluid pressure from the modulator with the break line recovered for the left rear wheel. Replace all break parts from the modulator back. Three wheels have pressure but one does not. Foot goes to the floor and can't bleed that line.
Monday, September 28th, 2020 AT 4:18 PM

1 Reply

Tiny
ASEMASTER6371
  • MECHANIC
  • 52,796 POSTS
Good morning,

The first thing I would do is to bleed the ABS module of all air as this may be the reason you have no pressure at the wheel.

https://www.2carpros.com/articles/how-to-bleed-or-flush-a-car-brake-system

https://www.2carpros.com/articles/brake-pedal-goes-to-the-floor

If you do this procedure and continue to have the issue, then the module itself is the issue and must be replaced.

https://www.2carpros.com/articles/how-to-replace-a-abs-controller

Roy

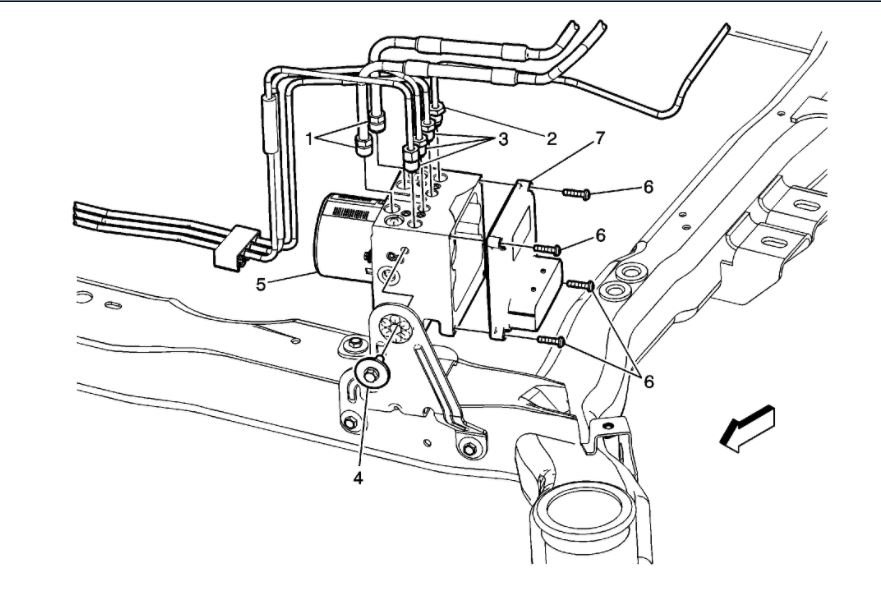
ABS Automated Bleed Procedure

Caution: Refer to Brake Fluid Irritant Caution.

Notice: Refer to Brake Fluid Effects on Paint and Electrical Components Notice.

Important: Before performing the ABS Automated Bleed Procedure, first perform a pressure bleed of the base brake system. Refer to Hydraulic Brake System Bleeding (Manual) Hydraulic Brake System Bleeding (Pressure). The automated bleed procedure is recommended when one of the following conditions exist:

Base brake system bleeding does not achieve the desired pedal height or feel
Extreme loss of brake fluid has occurred
Air ingestion is suspected in the secondary circuits of the brake modulator assembly

The ABS Automated Bleed Procedure uses a scan tool to cycle the system solenoid valves and run the pump in order to purge any air from the secondary circuits. These circuits are normally closed off, and are only opened during system initialization at vehicle start up and during ABS operation. The automated bleed procedure opens these secondary circuits and allows any air trapped in these circuits to flow out toward the brake corners.

Performing the Automated Bleed Procedure

1. Notice: The Auto Bleed Procedure may be terminated at any time during the process by pressing the EXIT button. No further Scan Tool prompts pertaining to the Auto Bleed procedure will be given. After exiting the bleed procedure, relieve bleed pressure and disconnect bleed equipment per manufacturers instructions. Failure to properly relieve pressure may result in spilled brake fluid causing damage to components and painted surfaces.

Raise and support the vehicle. Refer to Lifting and Jacking the Vehicle.
2. Remove all four tire and wheel assemblies.
3. Inspect the brake system for leaks and visual damage. Refer to Symptoms - Hydraulic Brakes. Repair or replace components as needed. See: Hydraulic System, Brakes > Symptom Related Diagnostic Procedures
4. Lower the vehicle.
5. Inspect the battery state of charge.
6. Install a scan tool.
7. Turn the ignition ON, with the engine OFF.
8. With the scan tool, establish communications with the ABS system. Select Special Functions. Select Automated Bleed from the Special Functions menu. The Automated Bleed function will take 5 to 20 seconds.
9. Follow any screen instructions.
10. Remove the scan tool.
11. Raise and support the vehicle. Refer to Lifting and Jacking the Vehicle.
12. Following the directions given on the scan tool, pressure bleed the base brake system. Refer to Hydraulic Brake System Bleeding (Manual) Hydraulic Brake System Bleeding (Pressure).
13. Follow the scan tool directions until the desired brake pedal height is achieved.
14. If the bleed procedure is aborted, a malfunction exists. Perform the following steps before resuming the bleed procedure:
If a DTC is detected, refer to Diagnostic Trouble Code (DTC) List - Vehicle and diagnose the appropriate DTC. See: A L L Diagnostic Trouble Codes ( DTC ) > Diagnostic Trouble Code Descriptions
If the brake pedal feels spongy, perform the conventional brake bleed procedure again. Refer to Hydraulic Brake System Bleeding (Manual) Hydraulic Brake System Bleeding (Pressure).

15. When the desired pedal height is achieved, press the brake pedal to inspect for firmness.
16. Lower the vehicle.
17. Remove the scan tool.
18. Install the tire and wheel assemblies.
19. Inspect the brake fluid level.
20. Road test the vehicle while inspecting that the pedal remains high and firm.
Was this
answer
helpful?
Yes
No
Tuesday, September 29th, 2020 AT 1:28 AM

Please login or register to post a reply.