No fire condition

Tiny
DON GILES
  • MEMBER
  • 2004 CHEVROLET IMPALA
  • 3.4L
  • V6
  • 2WD
  • AUTOMATIC
  • 20,000 MILES
Working on 1994 Impala. I replaced crank sensor behind the harmonic balancer, replaced camshaft sensor, ignition module is good, still no fire.
Saturday, November 3rd, 2018 AT 5:01 PM

2 Replies

Tiny
ASEMASTER6371
  • MECHANIC
  • 52,796 POSTS
Good evening.

You first say 1994 and then the post says 2004? Please verify.

When you crank the engine, does the tachometer move up a small amount while cranking?

Below is a description of the system operation. My first thought is a possible ignition module failure which is very common. You can remove it and have it tested at a parts store for free.

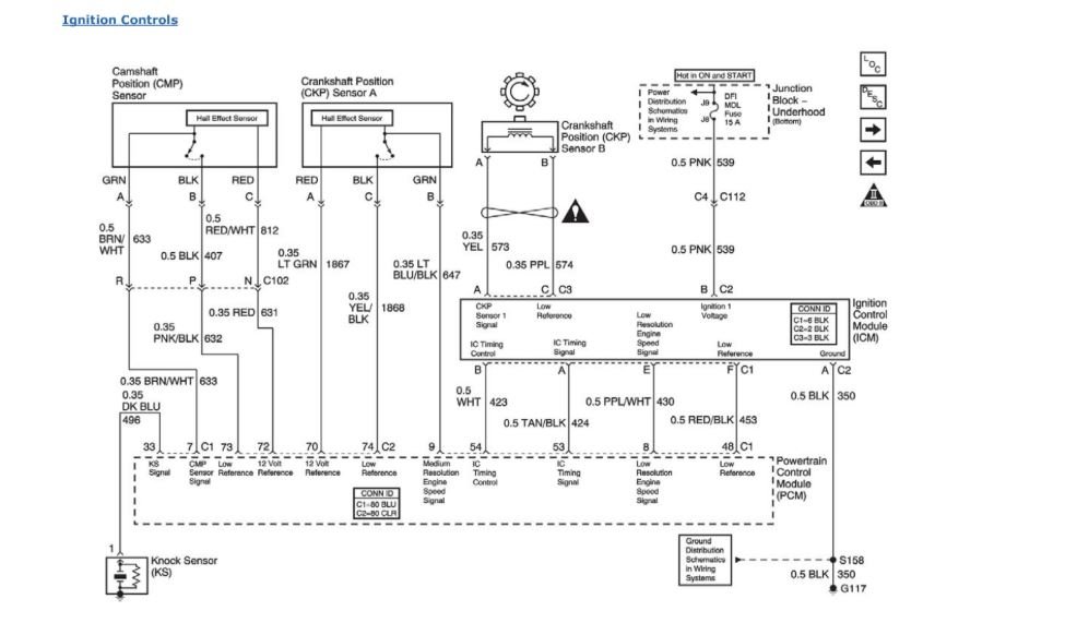
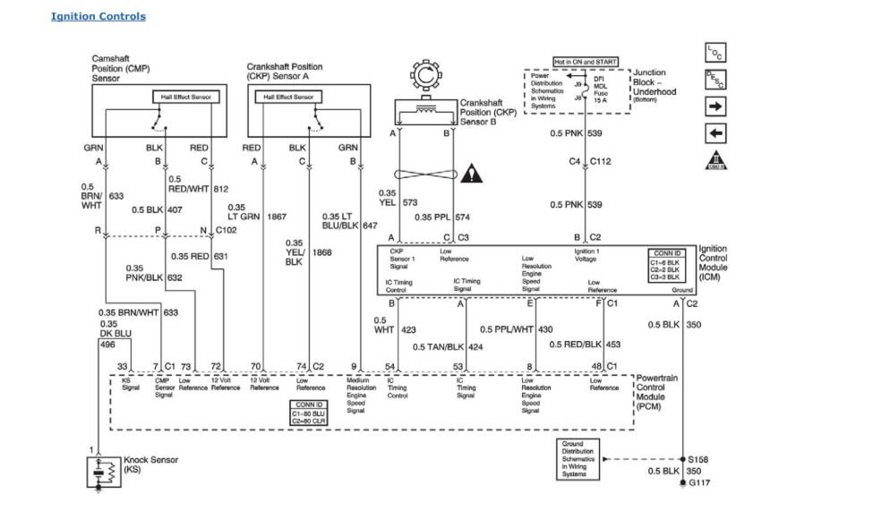
I attached a wire diagram as well. Check the fuse listed for power on both sides with the key in the on position.

Roy

https://www.2carpros.com/articles/how-to-test-an-ignition-system

ELECTRONIC IGNITION (EI) SYSTEM DESCRIPTION

The electronic ignition (EI) system produces controls a high energy secondary spark. This spark is used to ignite the compressed air/fuel mixture at precisely the correct time. This provides optimal performance, fuel economy, and control of exhaust emissions. This ignition system uses one coil for each pair of cylinders. Companion cylinders are a pair of cylinders that are at top dead center (TDC) at the same time. The cylinder that is at TDC of the compression stroke is called the event cylinder. The cylinder that is at TDC of the cylinder exhaust stroke is called the waste cylinder. When the coil is triggered both companion cylinder spark plugs fire at the same time, completing a series circuit. Because the lower pressure inside the waste cylinder offers very little resistance, the event cylinder uses most of the available voltage to produce a very high energy spark. This is known as waste spark ignition.

Crankshaft Position (CKP) Sensors
The crankshaft position (CKP) sensor has a 4-wire harness connector that plugs into the CKP sensor and connects to the ignition control module (ICM). The CKP sensor contains 2 hall-effect switches in 1 housing, and shares a magnet between the switches. The magnet and each hall-effect switch are separated by an air gap. A hall-effect switch is a solid state switching device that produces a digital ON/OFF pulse when a rotating element passes the sensor pick-up and interrupts the magnetic field of the sensor. The rotating element is called an interrupter ring or blade. There are two interrupter rings built into the crankshaft balancer. The outer ring and the outer switch provide the ICM with 18X signals or 18 identical pulses per crankshaft revolution. The inner ring and the inner switch provide the ICM with 3 pulses per revolution, each 1 of different duration. This is called the sync pulse. Each sync pulse represents a pair of companion cylinders. The ICM supplies a 12-volt and a low reference circuit to the CKP sensor, which is also shared by the camshaft position (CMP) sensor. The 18X reference pulses are passed from the CKP sensor to the ICM on the CKP sensor 1 signal circuit. The sync pulses are passed from the CKP sensor to the ICM on the CKP sensor 2 signal circuit. The ICM uses the 18X and sync pulses to determine the crankshaft position by counting how many ON-OFF 18X pulses occur during a sync pulse. With this dual interrupter ring arrangement the ICM can identify the correct pair of cylinders to fire within as little as 120 degrees of crankshaft rotation.

Crankshaft Balance Interrupter Ring
Each interrupter ring has blades and windows that either block the magnetic field or allow it to close one of the hall-effect switches. The outer hall-effect switch sends a pulse called the 18X reference signal. The outer interrupter ring has 18 evenly spaced blades and windows. The 18X reference signal produces 18 ON-OFF pulses per crankshaft revolution. The inner hall-effect switch sends a pulse called the sync signal. The inner interrupter ring has 3 unevenly spaced blades and windows of different widths. The sync signal produces 3 different length ON-OFF pulses per crankshaft revolution. When the sync interrupter ring window is between the magnet and the inner switch, the magnetic field will cause the sync hall-effect switch to ground the supplied voltage from the ICM. The 18X interrupter ring and the hall-effect switch react similarly.

Camshaft Position (CMP) Sensor
The camshaft position (CMP) sensor signal is a digital ON/OFF pulse, output once per revolution of the camshaft. The CMP sensor does not directly affect the operation of the ignition system. The CMP sensor information is used by the powertrain control module (PCM) to determine the position of the valve train relative to the CKP. By monitoring the CMP and CKP signals the PCM can accurately time the operation of the fuel injectors. The CMP sensor shares 12-volt and low reference circuits with the CKP sensor. The CMP signal circuit is input to the ICM.

Ignition Control Module (ICM) and Ignition Coils
Three dual tower ignition coils are mounted to the ICM, and are serviced individually. The ICM performs the following functions:
- The ICM supplies a power and low reference circuit to the CMP and CKP sensors.
- The ICM determines the correct direction of the crankshaft rotation, and cuts spark and fuel delivery to prevent damage from backfiring if reverse rotation is detected.
- The ICM determines the correct coil triggering sequence, based on how many 18 X ON-OFF pulses occur during a sync pulse. This coil sequencing occurs at start-up, and is remembered by the ICM. After the engine is running, the ICM will continue to trigger the coils without the CKP sync pulse.
- The ICM inputs 18 X and 3 X reference signals to the PCM.
- The 3 X reference signal is also known as the low resolution engine speed signal. This signal is generated by the ICM using an internal divide-by-six circuit. This circuit divides the 18 X signal pulses by 6. This divider circuit will not begin operation without a sync pulse present at start-up, and without 18 X and 3 X reference signals no fuel injection will occur.

Powertrain Control Module (PCM)
The PCM maintains proper spark and fuel injection timing for all driving conditions. Ignition control (IC) spark timing is the method the PCM uses to control spark advance. To provide optimum driveability and emissions, the PCM monitors input signals from the following components to calculate ignition spark timing:
- The ignition control module (ICM)
- The throttle position (TP) sensor
- The engine coolant temperature (ECT) sensor
- The mass air flow (MAF) sensor
- The intake air temperature (IAT) sensor
- The vehicle speed sensor (VSS)
- The transmission gear position or range information sensors
- The engine knock sensors (KS)

The following describes the PCM to ICM circuits:
- Low resolution engine speed signal-3 X reference-PCM input-from the ICM. The 3X reference signal is produced by the ICM. The PCM uses this signal to calculate engine RPM and crankshaft position above 1,200 RPM. The PCM also uses the pulses on this circuit to initiate fuel injector operation. The PCM compares the number of 3X pulses to the number of 18X and cam pulses. If the number of 3X pulses are incorrect while the engine is cranking or running, the PCM will set a DTC. The engine will continue to start and run normally using the 18X reference signal.
- Medium resolution engine speed signal-18 X reference-PCM input-from the ICM. The 18 X reference signal is used to accurately control spark timing at low RPM and allow ignition control (IC) operation during cranking. The ICM calculates the 18X reference signal by filtering the CKP sensor 18X pulses when the engine is running and the CKP sync pulses are being received. Below 1,200 RPM, the PCM is monitoring the 18X reference signal and using the 18X signal as the reference for ignition timing advance. The PCM compares the number of 18X pulses to the number of 3X and cam pulses. If the number of 18X pulses are incorrect while the engine is cranking or running, the PCM will set a DTC. The engine will continue to start and run normally using the 3X reference signal.
- Camshaft position-PCM input-from the ICM. The PCM uses this signal to determine the position of the cylinder #1 piston during the pistons power stroke. This signal is used by the PCM to calculate true sequential fuel injection (SFI) mode of operation. The PCM compares the number of CAM pulses to the number of 18 X and 3 X reference pulses. If the number of 18 X and 3 X reference pulses occurring between CAM pulses is incorrect, or if no CAM pulses are received while the engine is running, the PCM will set a DTC. If the CAM signal is lost while the engine is running the fuel injection system will shift to a calculated sequential fuel injection mode based on the last CAM pulse, and the engine will continue to run. The engine can be re-started and will run in the calculated sequential mode as long as the condition is present with a 1 in 6 chance of being correct.
- Low reference-PCM input-this is a ground circuit for the digital RPM counter inside the PCM, but the wire is connected to engine ground only through the ICM. This circuit assures there is no ground drop between the PCM and ICM.
- IC timing signal-PCM output-to the ICM. The ICM controls spark timing while the engine is cranking, this is called bypass mode. Once the PCM receives 3 X reference signals from the ICM, the PCM applies 5 volts to the IC timing signal circuit allowing the ICM to switch spark advance to PCM control.
- IC timing control-PCM output-to the ICM. The IC output circuitry of the PCM sends out timing signals to the ICM on this circuit. When in the Bypass Mode, the ICM grounds these signals. When in the IC Mode, the signals are sent to the ICM to control spark timing.

Modes of Operation
The PCM has 2 modes of operation. One is the Bypass mode during which the PCM does not apply 5 volts to the IC timing signal circuit, allowing the ICM to control the triggering of each coil for proper spark timing. The Bypass mode is used during each of the following conditions:
- Crank
- Engine running below a desired RPM
- Default mode due to a system failure

The other mode is the IC mode during which the PCM is receiving the 18X and the 3X reference pulses from the CKP sensor and is supplying 5 volts to the IC timing signal circuit. This allow the PCM to accurately control spark timing for all driving conditions.
Was this
answer
helpful?
Yes
No
Saturday, November 3rd, 2018 AT 5:40 PM
Tiny
DON GILES
  • MEMBER
  • 1 POST
Okay, it is a 2004 Impala with the 3.4 in it. Ignition module test good I replaced the cam sensor and the crank sensor still no fire. Any help would be greatly appreciated. Thanks
Was this
answer
helpful?
Yes
No
Sunday, November 4th, 2018 AT 10:41 AM

Please login or register to post a reply.