All dashboard lights are not working

Tiny
VICTOR DAHWA
  • MEMBER
  • 2007 FORD BANTAM
  • 1.3L
  • 2WD
  • 2,600,236 MILES
No dashboard lights showing at all.
Wednesday, October 20th, 2021 AT 12:45 PM

2 Replies

Tiny
KASEKENNY
  • MECHANIC
  • 18,907 POSTS
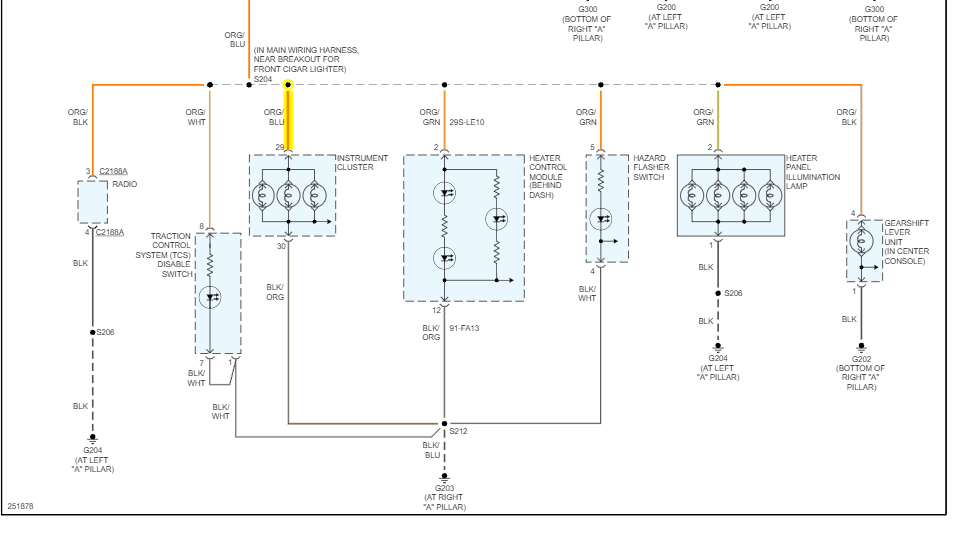
If the dash lights are the only thing not working, then we are pretty confident that we don't have a light switch or fuse issue. This circuit is spliced to many different things, so we need to check power at the cluster and find out if there is voltage. If there is no voltage, then we need to find this splice and just run a new wire to restore the voltage to the cluster.

https://www.2carpros.com/articles/how-to-check-wiring

https://www.2carpros.com/articles/how-to-use-a-voltmeter

If there is voltage, then we have an issue on the circuit board of the cluster or the bulbs are burned out.

Clearly it is not likely for all the bulbs to burn out at the same time, so I suspect there is an issue on the board of the cluster.

Please run through this info below and let us know what questions you have.

Thanks
Was this
answer
helpful?
Yes
No
Thursday, October 21st, 2021 AT 7:09 PM
Tiny
JACOBANDNICKOLAS
  • MECHANIC
  • 110,192 POSTS
Hi,

This vehicle isn't offered in the US, but I will try my best to help.

First, have you checked fuses related to the instrument cluster? If you have and the fuse is good, did you confirm if there is power to it? Here is a link explaining what I'm referring to:

https://www.2carpros.com/articles/how-to-check-a-car-fuse

Have you checked to make sure the electrical connector o the rear of the instrument panel is tight, in good condition, and free of corrosion?

Let me know.

Joe
Was this
answer
helpful?
Yes
No
Thursday, October 21st, 2021 AT 7:11 PM

Please login or register to post a reply.