No dash lights, fuse blowing in reverse

Tiny
MONAT67
  • MEMBER
  • 2012 NISSAN ALTIMA
  • 4 CYL
  • AUTOMATIC
  • 100,000 MILES
Fuse blows when putting into reverse and car has no acceleration when in drive. I replaced the battery and have replaced 10amp fuse multiple times and it keeps happening.
Tuesday, June 2nd, 2020 AT 7:21 AM

1 Reply

Tiny
ASEMASTER6371
  • MECHANIC
  • 52,796 POSTS
Good morning,

That fuse controls about 8 different things but the fact that it fails in reverse tells me the possibility of the back up switch failing may be the cause.

https://www.2carpros.com/articles/how-to-check-a-car-fuse

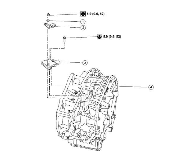
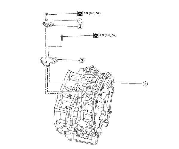
I attached a wiring diagram for you to view. I would like you to remove the connector from the switch on top of the transmission. Then replace the fuse and turn the key to the on position and put it in reverse. See if the fuse fails.

https://www.2carpros.com/articles/how-to-check-wiring

The engine will not start with that connector off.

Roy
Was this
answer
helpful?
Yes
No
Tuesday, June 2nd, 2020 AT 7:45 AM

Please login or register to post a reply.