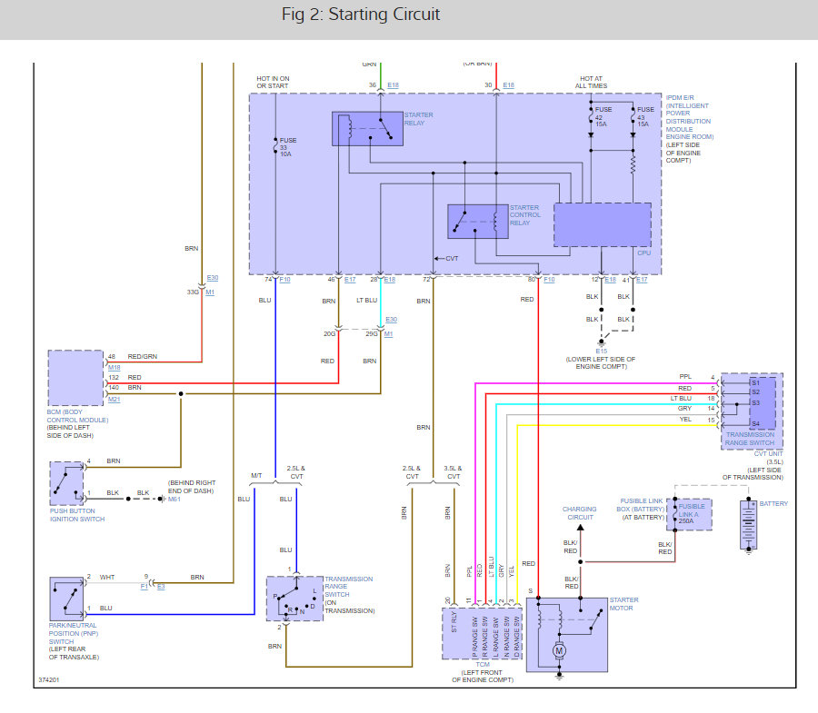
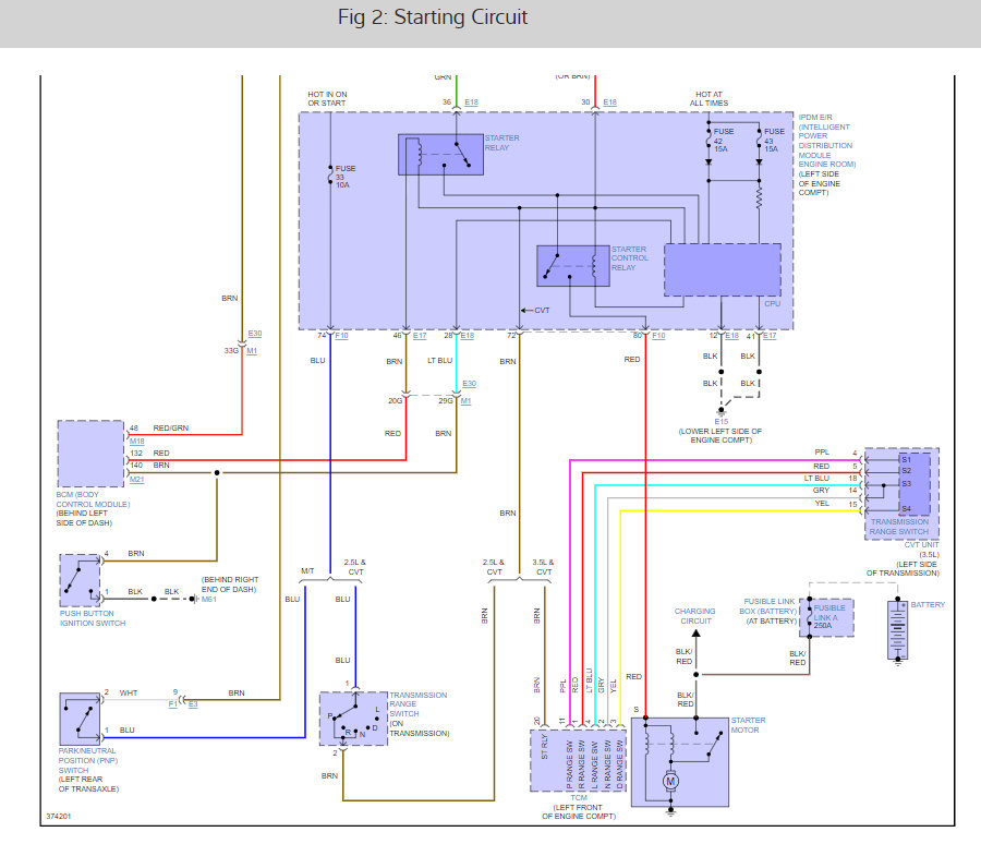
The battery had to be replaced. I replaced the starter. The motor turns by hand, I pulled the spark plug, put it back on the coil and looked for spark. No spark. The starter clicks
I found an "Eng Con" 15 Amp fuse under the hood was blown.
Friday, September 2nd, 2022 AT 12:56 PM










