No crank or start

Tiny
DP2021
  • MEMBER
  • 2010 CHEVROLET TAHOE
  • 5.3L
  • V8
  • 2WD
  • AUTOMATIC
  • 170,000 MILES
Vehicle ran fine yesterday, I went to start it today and it won't crank or start, the battery is fine, dash illuminates, and it's not throwing any check engine lights or engine error codes. All it says is service traction control and service Stabil Trak with the traction control light on. When I turn the key, only hearing one click and nothing else. New to owning GM vehicles anything will help.
Thursday, December 16th, 2021 AT 1:01 PM

15 Replies

Tiny
SQM
  • MECHANIC
  • 6,383 POSTS
Hello,

Just so we cover the basics, have you tried to jump start it?
It is possible that the battery has enough power to turn on the lights but just not enough to start the engine.

https://www.2carpros.com/articles/how-to-jump-start-car-battery-using-jumper-cables

If you are able to jump start it and runs fine, then the battery will need to be replaced.
If with the jumper cable you still just get clicks, then it could be due to a bad starter or even a corroded or loose wire to the starter.

https://www.2carpros.com/articles/starter-not-working-repair

Let me know if you tried to jump start it or anything else and what was the outcome.
Thank you.
Was this
answer
helpful?
Yes
No
Thursday, December 16th, 2021 AT 1:37 PM
Tiny
DP2021
  • MEMBER
  • 9 POSTS
I will attempt to do so shortly and when I do so I will shoot you a reply. Thank you!
Was this
answer
helpful?
Yes
No
Thursday, December 16th, 2021 AT 1:40 PM
Tiny
DP2021
  • MEMBER
  • 9 POSTS
I've attached a video to show what I'm getting, small click when I turn the key from under the dash by the brake petal that's about it. I did attempt to jump it, got the same results. I will check the starter grounds, it's a PPV model as well if that helps.
Was this
answer
helpful?
Yes
No
Thursday, December 16th, 2021 AT 3:34 PM
Tiny
SQM
  • MECHANIC
  • 6,383 POSTS
I wonder if the neutral safely switch is triggering this. Try cycling through the gears with the key on. Maybe try to start it when in neutral. That will tell us is that is the issue.
Was this
answer
helpful?
Yes
No
+1
Thursday, December 16th, 2021 AT 7:04 PM
Tiny
DP2021
  • MEMBER
  • 9 POSTS
I can cycle through the gears but no start in neutral, starter works fine, we bypassed the starter relay and got it to crank over that way not start, but its getting no fuel or spark otherwise, I dont even hear the fuel pump click over, almost like everythings been cut off.
Was this
answer
helpful?
Yes
No
Thursday, December 16th, 2021 AT 7:08 PM
Tiny
SQM
  • MECHANIC
  • 6,383 POSTS
Is the security light on? That can prevent from engine to start.
Was this
answer
helpful?
Yes
No
Thursday, December 16th, 2021 AT 7:09 PM
Tiny
DP2021
  • MEMBER
  • 9 POSTS
Only light that stays on is the traction control light, the alarm system hasn't worked since I've owned the truck about a year and a half now, I'm assuming it was disabled when the police department owned it.
Was this
answer
helpful?
Yes
No
Thursday, December 16th, 2021 AT 7:12 PM
Tiny
JACOBANDNICKOLAS
  • MECHANIC
  • 110,194 POSTS
Hi,

I hope you don't mind if I jump in. If the security is inoperative and it doesn't appear to be the park/neutral switch, let's check a few other things.

First, confirm fuse 62 in the under-hood fuse box is good. Note, it should get power only when the key is in the start position, so have a helper turn the key while you check for power. Here is a link to help with checking:
https://www.2carpros.com/articles/how-to-check-a-car-fuse

If the fuse is good and there is no power, remove the relay and switch it with a different one having the same part number. If there isn't one, here is a link that explains how to test a relay.

https://www.2carpros.com/articles/how-to-check-an-electrical-relay-and-wiring-control-circuit

If the relay is good and the fuse is good, locate the yellow wire at the fuse box that runs between the relay and the relay control (PCM) and check to see if there is power there when the key is turned. If there is, check the black wire out for continuity to ground.

If the yellow is good, has ground, you have power out to the fuse, go to the starter and check the purple wire for power with the key in the run position.

If you find there is no power to the purple wire or the red one from the body control module, we will need to check the ignition switch. Pin 2 of the BCM should receive a 5v reference when in the start position. That is what signals the PCM to crank the engine.

If there is power there, chances are you need to replace the starter. If there isn't, we have an open between the fuse box (relay) and starter.

Let us know what you find. One other thing. You indicated the battery is good. If you turn the lights on and turn the key to start, does the brightness change? Let us know that as well.

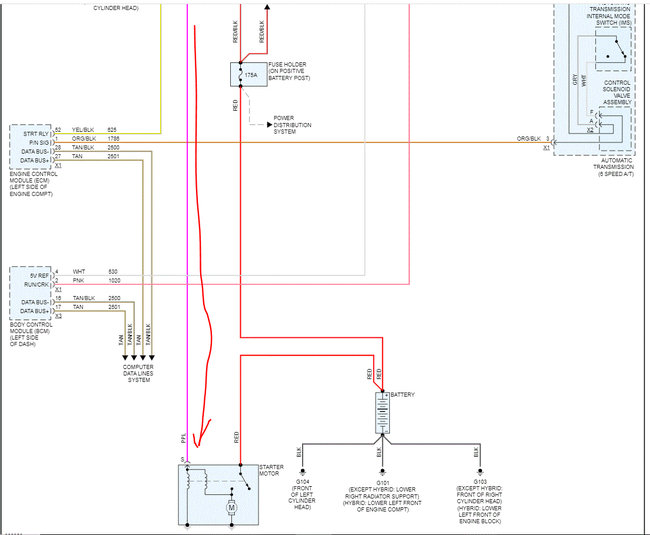
I attached the starting system wiring schematic below for your reference. I had to cut the pic in half, but I did overlap them so you can follow from one to the next.

Take care,

Joe

See pics. Pic 3 shows the fuse box and what to test. Also, it's unlikely, but confirm there is power from the 175 amp at the battery. If you remove the relay, the red wire should always be hot.
Was this
answer
helpful?
Yes
No
Thursday, December 16th, 2021 AT 7:59 PM
Tiny
DP2021
  • MEMBER
  • 9 POSTS
Thank you, I will test tomorrow and be back with a response! I appreciate any and all help!
Was this
answer
helpful?
Yes
No
Thursday, December 16th, 2021 AT 8:41 PM
Tiny
SQM
  • MECHANIC
  • 6,383 POSTS
Hope you get it sorted out. Let us know the outcome.
Was this
answer
helpful?
Yes
No
Thursday, December 16th, 2021 AT 8:56 PM
Tiny
DP2021
  • MEMBER
  • 9 POSTS
As of now. I had a mech friend come out and hook a computer up with a diagnosis program to the truck, he tested the grounds and wires to make sure power was going where it was supposed to and ran a diagnostic on the truck, as of now it's getting no signal from the ECM.
Was this
answer
helpful?
Yes
No
Sunday, December 19th, 2021 AT 9:14 AM
Tiny
DP2021
  • MEMBER
  • 9 POSTS
When I can I will get more info from him so I can explain it better as I'm not too savvy with electrical issues in vehicles. My work schedule is a little hectic this week so I will respond as soon as I can.
Was this
answer
helpful?
Yes
No
Sunday, December 19th, 2021 AT 9:20 AM
Tiny
JACOBANDNICKOLAS
  • MECHANIC
  • 110,194 POSTS
Hi, if there is no signal, that is why the starter won't energize. At this point, the basic thing we need to determine is if the ECM is the issue or a wiring issue. I would suggest back probing the ECM to see if there is a signal at the harness.

Regardless, let me know what you get more information, and have a good week.

Take care,

Joe
Was this
answer
helpful?
Yes
No
+1
Sunday, December 19th, 2021 AT 7:13 PM
Tiny
DP2021
  • MEMBER
  • 9 POSTS
Will do! Thank you very much for the help!
Was this
answer
helpful?
Yes
No
-1
Sunday, December 19th, 2021 AT 7:18 PM
Tiny
SQM
  • MECHANIC
  • 6,383 POSTS
You are welcome.
Was this
answer
helpful?
Yes
No
Monday, December 20th, 2021 AT 7:31 PM

Please login or register to post a reply.