No crank or start

Tiny
NSCFD66
  • MEMBER
  • 1997 CHEVROLET BLAZER
  • 4.3L
  • V6
  • 4WD
  • AUTOMATIC
  • 175,000 MILES
I bought this vehicle for $100.00 from some kid at work. It was having a lot of issues and he was just done dealing with it. When I bought it from him it was because the fuel line was leaking and he could not figure out where from. I found the leak with in minutes and just bought a new line and replaced it from the tank to the fuel filter. Went to start the truck and I had to jump start it due to a bad battery. I finally went out and bought a new battery, put it in, went to fire it up and it would not even turn over. Nothing at all, no sound or anything. All the lights come on in the truck but no start, so I figured it was the starter. Took the starter off, had it tested and it actually blew the breakers for the stores back room. Got home with the new starter (after having them test three times while I was there) and got that installed. Still no crank or anything but all lights work. Figured it might be the positive cable running down to the starter since it looked like junk so I replaced that, still nothing. Tried to do a reset on the computer to see if maybe a security code got stuck for some reason, but that still did not do anything. I am at a complete loss right now so any help would be appreciated.

Thank you.
Tuesday, November 20th, 2018 AT 8:05 AM

13 Replies

Tiny
ASEMASTER6371
  • MECHANIC
  • 52,796 POSTS
Good morning,

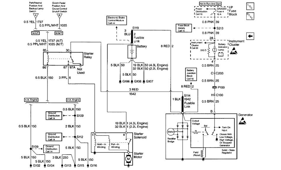
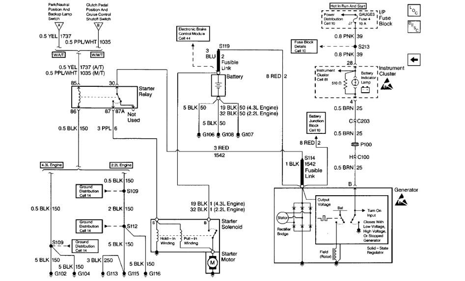
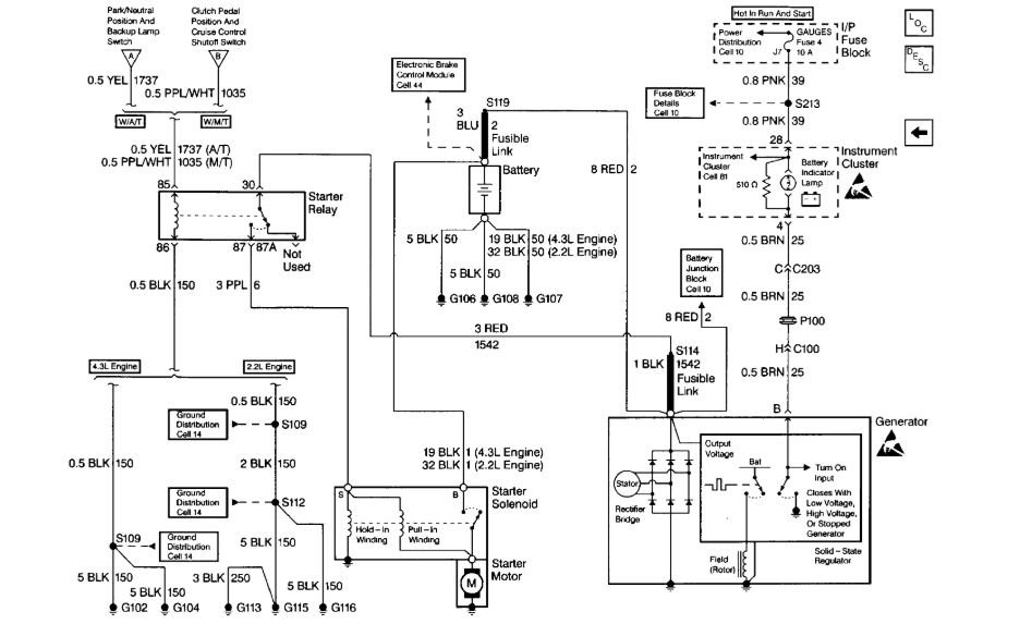
Do you have a voltmeter to do some checks? Check the little wire on the solenoid to see if it has power in the start position.

Beyond that we need to check the relay to be sure it is getting a ground command from the PCM.

Roy
Was this
answer
helpful?
Yes
No
Saturday, January 30th, 2021 AT 9:35 AM
Tiny
NSCFD66
  • MEMBER
  • 7 POSTS
I do not but I can get one tonight and give it a try. I will post my results as soon as I can.
Was this
answer
helpful?
Yes
No
Saturday, January 30th, 2021 AT 9:35 AM
Tiny
ASEMASTER6371
  • MECHANIC
  • 52,796 POSTS
Sounds like a plan.

Roy
Was this
answer
helpful?
Yes
No
Saturday, January 30th, 2021 AT 9:35 AM
Tiny
NSCFD66
  • MEMBER
  • 7 POSTS
Forgot to respond to you! So we have now narrowed it from the ignition to the starter relay and from there down to the starter. I had a family friend come down with a tester and he did something with the starter and got the truck running right away. Bad thing is that if we shut the truck off and go to turn it back on it’s jot working. Thought it was the starter relay, looked at that and it had a burnt prong on it so I bought a new one just in case. So now it is limited to somewhere from the ignition to the starter relay and the relay to the solenoid if I am correct?
Was this
answer
helpful?
Yes
No
Saturday, January 30th, 2021 AT 9:35 AM
Tiny
ASEMASTER6371
  • MECHANIC
  • 52,796 POSTS
That is the way it was in the beginning.

All your guy did was jump the solenoid under the hood or at the relay.

There should be two feeds to the relay. One is fused control with the key on. The other will be powered when the key is in the start position. Did you verify these powers?

Roy
Was this
answer
helpful?
Yes
No
Saturday, January 30th, 2021 AT 9:35 AM
Tiny
NSCFD66
  • MEMBER
  • 7 POSTS
He said he took a power probe from the battery to the starter and it starts right up that way.
Was this
answer
helpful?
Yes
No
Saturday, January 30th, 2021 AT 9:35 AM
Tiny
ASEMASTER6371
  • MECHANIC
  • 52,796 POSTS
All that proves is that there is no power to the solenoid. That does not tell you the failure. He just bypassed the system.

Roy
Was this
answer
helpful?
Yes
No
Saturday, January 30th, 2021 AT 9:35 AM
Tiny
NSCFD66
  • MEMBER
  • 7 POSTS
Well shoot. He was saying that means that it would be something between the ignition switch and the starter since power is going to the starter and will start that way. I am having a feeling that I am getting to much into this for $100.00 vehicle, haha.
Was this
answer
helpful?
Yes
No
Saturday, January 30th, 2021 AT 9:35 AM
Tiny
ASEMASTER6371
  • MECHANIC
  • 52,796 POSTS
Yep, now you know why you got it for $100.00.

Roy
Was this
answer
helpful?
Yes
No
Saturday, January 30th, 2021 AT 9:35 AM
Tiny
NSCFD66
  • MEMBER
  • 7 POSTS
What blows my mind though is that when I got it, I drove it and nothing was wrong. The kid drove it every day to work too until the gas leak started.
Was this
answer
helpful?
Yes
No
Saturday, January 30th, 2021 AT 9:35 AM
Tiny
ASEMASTER6371
  • MECHANIC
  • 52,796 POSTS
You need to do the diagnostics I posted. There is a failure and you need to do the diagnostic to find the issue.

Roy
Was this
answer
helpful?
Yes
No
+1
Saturday, January 30th, 2021 AT 9:35 AM
Tiny
NSCFD66
  • MEMBER
  • 7 POSTS
Roy!

I finally had time to do some digging into the Blazer as everything was getting power and was looking good. Found a secondary non factory security system that was installed. Some how when I put in the new battery it tripped that alarm. Now everything works great and I am up and running again!

Thank you for your assistance through out this!

Mitchell
Was this
answer
helpful?
Yes
No
Saturday, January 30th, 2021 AT 9:35 AM
Tiny
ASEMASTER6371
  • MECHANIC
  • 52,796 POSTS
You are welcome.

We are always glad to help.

Roy
Was this
answer
helpful?
Yes
No
Saturday, January 30th, 2021 AT 9:35 AM

Please login or register to post a reply.