No crank, no start when warm?

Tiny
RFINGER374
  • MEMBER
  • 2010 DODGE AVENGER
  • 2.4L
  • 4 CYL
  • 2WD
  • AUTOMATIC
  • 150,000 MILES

The vehicle starts fine when the engine is not hot. When the engine gets hot, the starter will not crank, and I hear a slow ticking. If I open the hood and wait 20 - 30 minutes, the car starts right up. I changed the battery and the starter with no change.
Monday, August 21st, 2023 AT 2:14 PM

3 Replies

Tiny
JACOBANDNICKOLAS
  • MECHANIC
  • 110,194 POSTS
Hi,

That is an interesting one. If a new battery and starter changed nothing, it could be a few things.

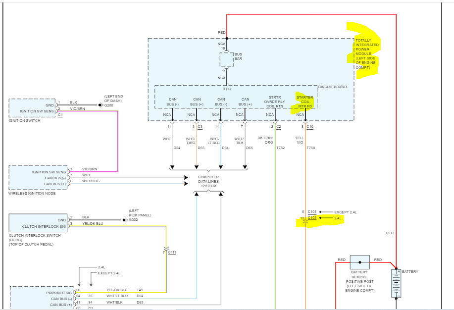
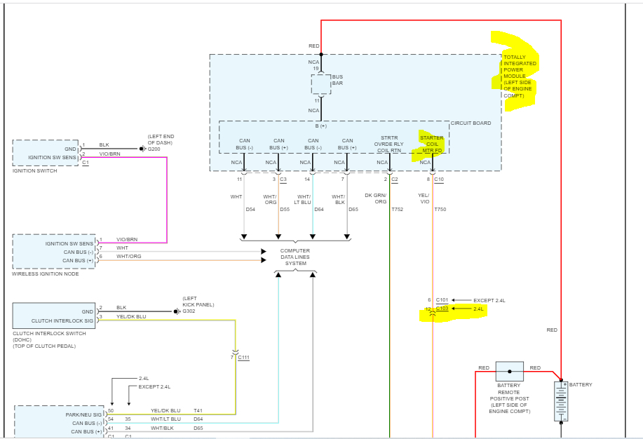
First, I attached the wiring schematic for the starter circuit below so that you have a reference. Before I jump into that, I have a question. When you hear the slow clicking, is it coming from the starter motor?

Also, I noticed in the schematic there is a connector between the power module and the starter motor trigger post. I need you to check the condition of that connector. Disconnect it and check the connector pins to make sure they aren't corroded or damaged. Pic 3 below shows the connector location.

Let me know.

Take care,

Joe

See pics below.
Was this
answer
helpful?
Yes
No
Monday, August 21st, 2023 AT 8:14 PM
Tiny
RFINGER374
  • MEMBER
  • 2 POSTS
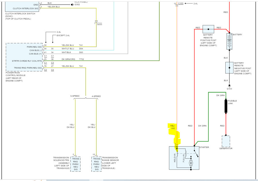
Thanks for the info. I can tell you the connector on the starter side was clean. I can take a look at the TIPM side tomorrow. Can you help with the location of the connector in the middle? It appears buried in wire loom.
Was this
answer
helpful?
Yes
No
Wednesday, August 23rd, 2023 AT 2:07 PM
Tiny
JACOBANDNICKOLAS
  • MECHANIC
  • 110,194 POSTS
Hi,

No problem. The relay output is in connector 10 and is pin 8. If you look below, I attached two pics. The first shows the connector pinout and the color of the connector. It is an 8-pin, light gray connector. I highlighted the connector pin.

The second pic is a legend of the connector pins.

Let me know if this helps.

Take care,

joe

See pics below.
Was this
answer
helpful?
Yes
No
Wednesday, August 23rd, 2023 AT 7:59 PM

Please login or register to post a reply.