No crank, no start and no communication with the ECM?

Tiny
SHAGU2
  • MEMBER
  • 2005 CHEVROLET SILVERADO
  • 4.3L
  • V6
  • 4WD
  • MANUAL
  • 165,000 MILES
If I disconnect the cable to the alternator battery control module I can talk to the BCM and do testing such as ABS testing.
Monday, November 21st, 2022 AT 6:15 AM

1 Reply

Tiny
KEN L
  • MASTER CERTIFIED MECHANIC
  • 55,512 POSTS
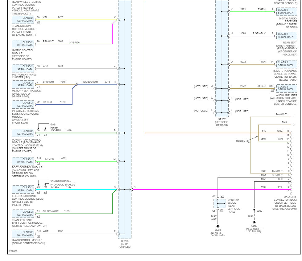
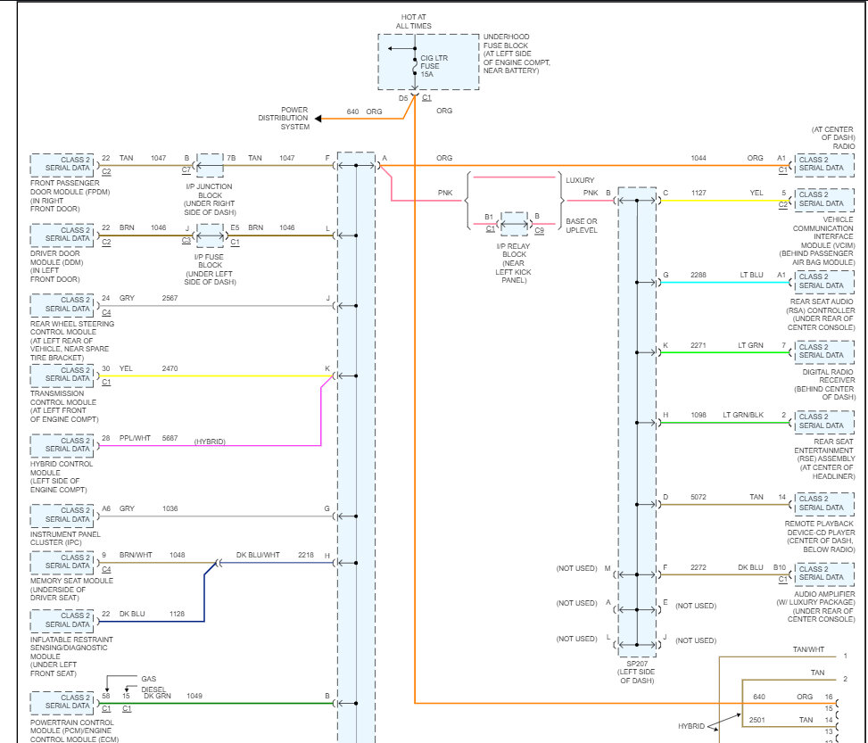
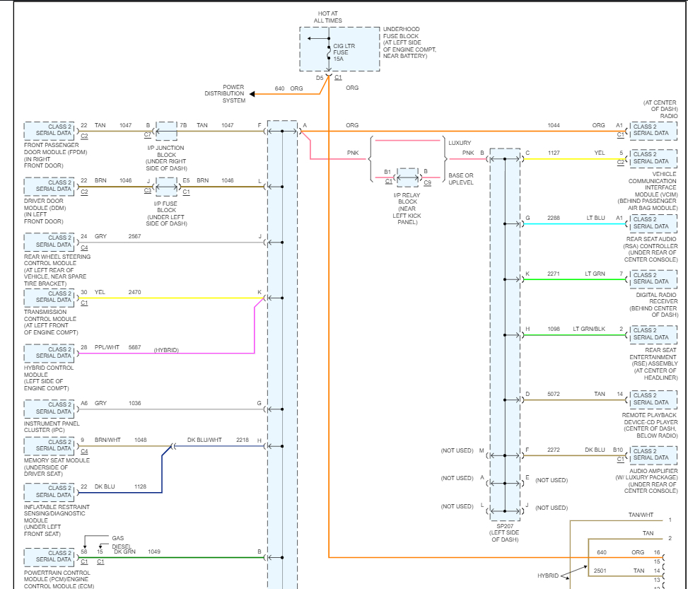
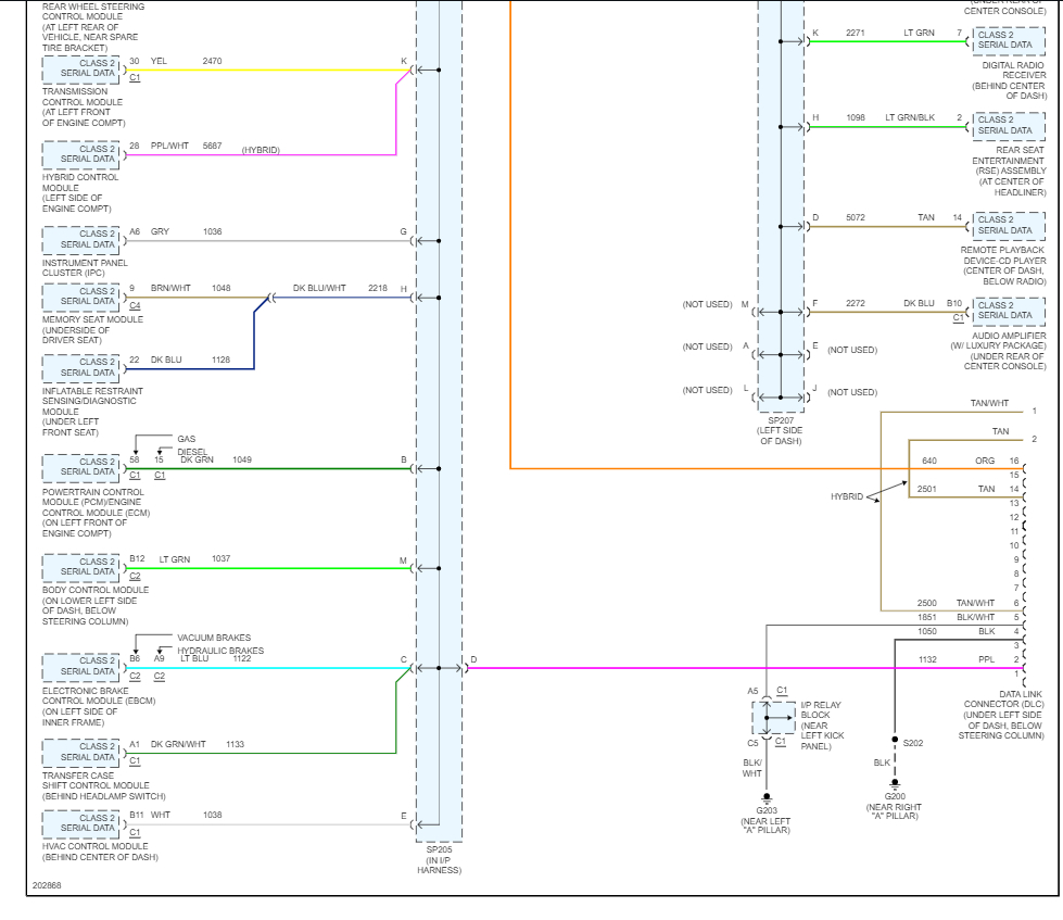
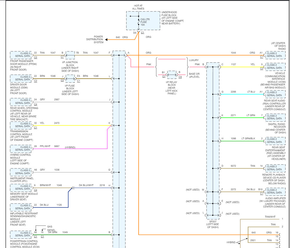
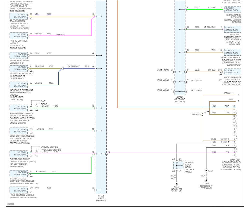
The first thing we need to do is check the cigarette fuse which powers the ALDL connector. Here is a guide that will help and the fuse location as well, also I have included the wiring diagrams so you can see how the system works.

https://www.2carpros.com/articles/how-to-check-a-car-fuse

If the fuse is okay, you might have a PCM that is out, let me know what you find. Check out the images (below).
Was this
answer
helpful?
Yes
No
Tuesday, November 22nd, 2022 AT 10:05 AM

Please login or register to post a reply.

Related Engine Not Cranking Over Content