Monday, September 5th, 2022 AT 4:00 PM
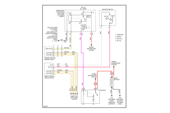
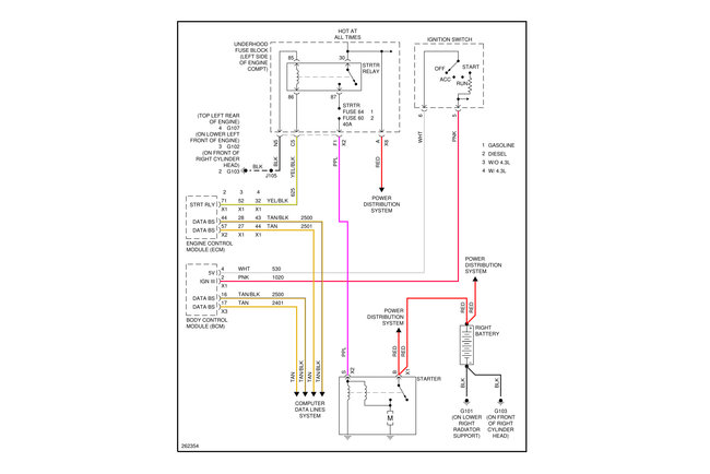
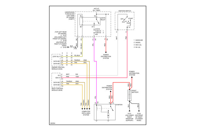
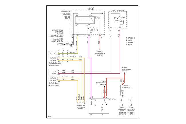
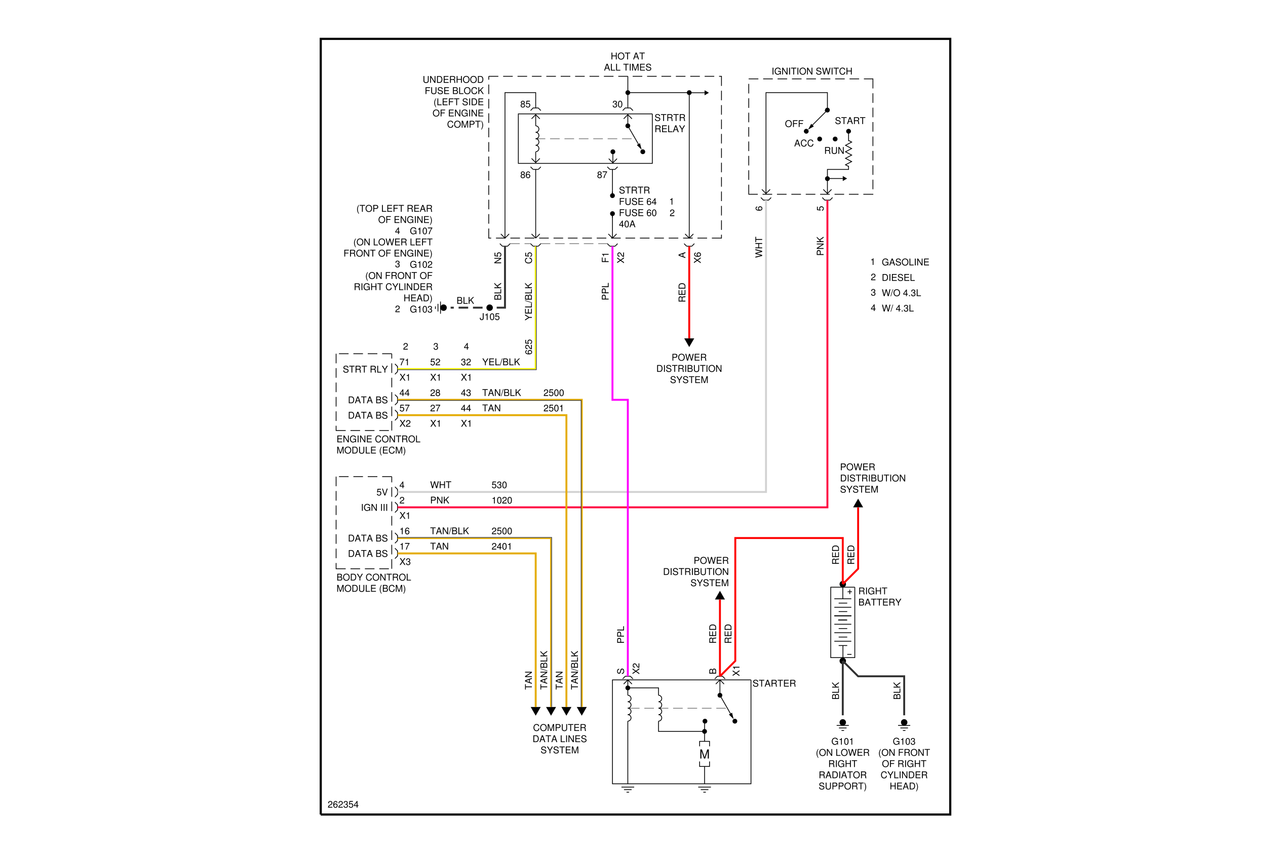
Truck stopped cranking suddenly, then started 1 time, got home and turned off. It hasn't started since. Replaced the battery. Starter and ignition switch. All the dash lights work and radio works. Turn the key to start and nothing. Also, replaced starter fuse I can jump the fuse to make it turn over but there's no firing doesn't even try to start but cranks well.




