No crank, no start, can I get the wiring diagram for the ECM?

Tiny
HAL1958
  • MEMBER
  • 89 POSTS
Tcm/Esp/F sam
Was this
answer
helpful?
Yes
No
Saturday, April 6th, 2024 AT 7:58 AM
Tiny
KEN L
  • MASTER CERTIFIED MECHANIC
  • 55,322 POSTS
Can you post all of the codes please?
Was this
answer
helpful?
Yes
No
Saturday, April 6th, 2024 AT 11:05 AM
Tiny
HAL1958
  • MEMBER
  • 89 POSTS
Here are the codes below.
Was this
answer
helpful?
Yes
No
Monday, April 8th, 2024 AT 10:42 AM
Tiny
KEN L
  • MASTER CERTIFIED MECHANIC
  • 55,322 POSTS
Can I ask if this car was water damaged? Most of these codes are showing the engine control unit not working which can cause the additional codes. Let's get a rebuilt preprogrammed unit by searching google or ebay. Here is how to change the unit out. Check out the images (below). Let us know how it goes.
Was this
answer
helpful?
Yes
No
Monday, April 8th, 2024 AT 11:20 AM
Tiny
HAL1958
  • MEMBER
  • 89 POSTS
No the car wasn’t water damage. Do you know why f53 has no volts? But I can still jumper the starter relay and it cranks but doesn’t start? Also which 2 wires on ecm harness can I check for low CAN volts? I want to be sure it’s not a CAN problem before I spend $600 on rebuild ecm. Also do you have a diagram for the Bosch me9.7 ECM circuit board?
Was this
answer
helpful?
Yes
No
Tuesday, April 9th, 2024 AT 9:09 AM
Tiny
KEN L
  • MASTER CERTIFIED MECHANIC
  • 55,322 POSTS
We do not have the circuit board diagrams; also, can you please clarify what you mean by f53? Fuse 53? The reason I asked about the water damage is because of so many communication errors. Like large parts of the system are down all at once. It could be the front SAM unit is out, can you please double check all maxi fuses please?
Was this
answer
helpful?
Yes
No
Tuesday, April 9th, 2024 AT 10:28 AM
Tiny
HAL1958
  • MEMBER
  • 89 POSTS
Yes fuse 53. I was wondering how this fuse gets its power. When I jumper starter relay terminals 30/87 it cranks but no start. I tried jumping engine relay 87 at terminals 30/87 (I found no volts at 30) and no crank but engine fan comes on at high speed. Also, I tried adding a ground wire to terminal 85 under the relay and fan comes on high speed and no crank. I checked all fuses and all good. I still need to know what are the 2 CAN wires that go to ECM to check for about 2.5 volts?
Was this
answer
helpful?
Yes
No
Wednesday, April 10th, 2024 AT 12:04 PM
Tiny
BORIS K
  • MECHANIC
  • 836 POSTS
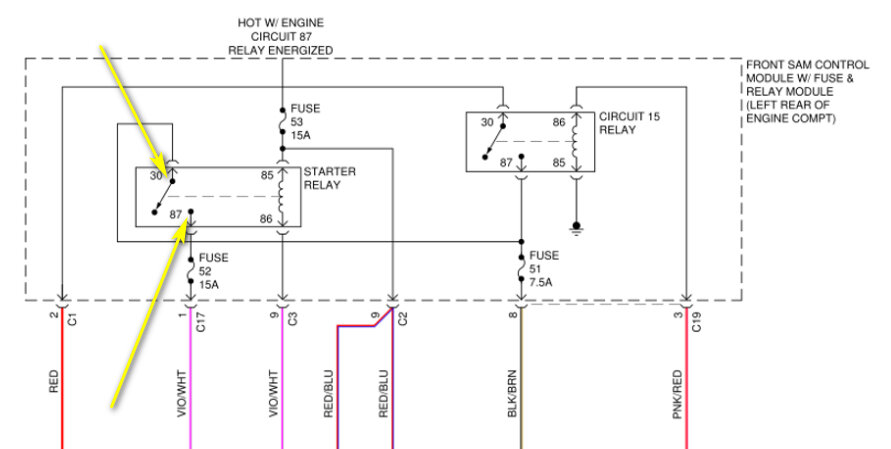
Hello,

As previously discussed, fuse F53, as well as fuse F54, is supplied by Engine circuit 87 relay.
See image 1 below.
This relay is switched by a ground trigger on terminal 85.
This switched ground is supplied at pin 8 of connector C2 at the front SAM on a brown wire
The ECM is supplying the switched ground from pin 27 at connector C2(small 58 pin.

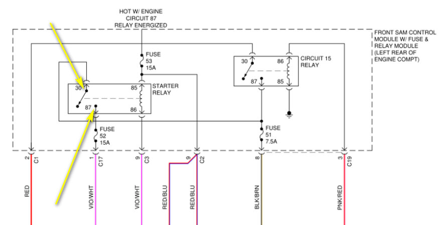
When bridging the starter relay terminals 30+87 are connected.
See image 2 below.
Terminal 30 is supplied by the Ignition circuit 15 relay and not by fuse F53.

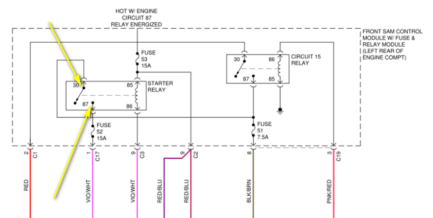
The 2 HS CAN lines are connected to pins 41+54 at ECM connector C2.
The HS CAN lines usually carry 5V combined, with the high side usually on about 2.7V and the low side on about 2.3V.

Pin 41, green/white wire HS CAN high, about 2.7V
Pin 54, green wire HS CAN low, about 2.3V

See image 3 below.

Hope this helps.

Cheers, Boris
Was this
answer
helpful?
Yes
No
Thursday, April 11th, 2024 AT 4:14 AM
Tiny
HAL1958
  • MEMBER
  • 89 POSTS
With key in on position and ECM removed I checked pin 41on harness it read about 3.14 volts. Pin 54 about 2.00. I tried a different front SAM with same part number and still no ground at terminal 85. I tried with key in on position and start position and still no ground. Looks like the front SAM is good so it has to be the ECM? IC chip 50554 next to capacitor that I changed is the one that provides the ground to relay after receiving volts to pin 15 from ignition. Am I correct?
Was this
answer
helpful?
Yes
No
Thursday, April 11th, 2024 AT 12:35 PM
Tiny
BORIS K
  • MECHANIC
  • 836 POSTS
Hello,

Unfortunately, we have no layout for the ECM main board so cannot confirm which chip performs what function.

As my colleague suggested, your quickest way out would be another ECM. You could also send the ECM away for testing and possible repair.

Cheers, Boris
Was this
answer
helpful?
Yes
No
Friday, April 12th, 2024 AT 8:53 AM
Tiny
HAL1958
  • MEMBER
  • 89 POSTS
I was notified that the ECM cannot be cloned due to not communicating. I need to send in the EIS module for cloning to rebuild ECM. Can you send me information on how to remove EIS module? Thanks.
Was this
answer
helpful?
Yes
No
Sunday, April 14th, 2024 AT 1:05 PM
Tiny
HAL1958
  • MEMBER
  • 89 POSTS
Can you send me information on how to remove EIS module? Thanks.
Was this
answer
helpful?
Yes
No
Wednesday, April 17th, 2024 AT 4:08 PM
Tiny
HAL1958
  • MEMBER
  • 89 POSTS
I figured out how to remove EIS myself since I wasn’t getting a reply. The rebuild ECM fixed my problem of no crank no start. Everything is working properly now.
Was this
answer
helpful?
Yes
No
Thursday, May 2nd, 2024 AT 10:51 AM
Tiny
KEN L
  • MASTER CERTIFIED MECHANIC
  • 55,322 POSTS
Glad you could get it fixed, thanks for letting us know. Please use 2CarPros anytime we are here to help.
Was this
answer
helpful?
Yes
No
Thursday, May 2nd, 2024 AT 12:58 PM

Please login or register to post a reply.