Thursday, June 4th, 2020 AT 5:54 PM
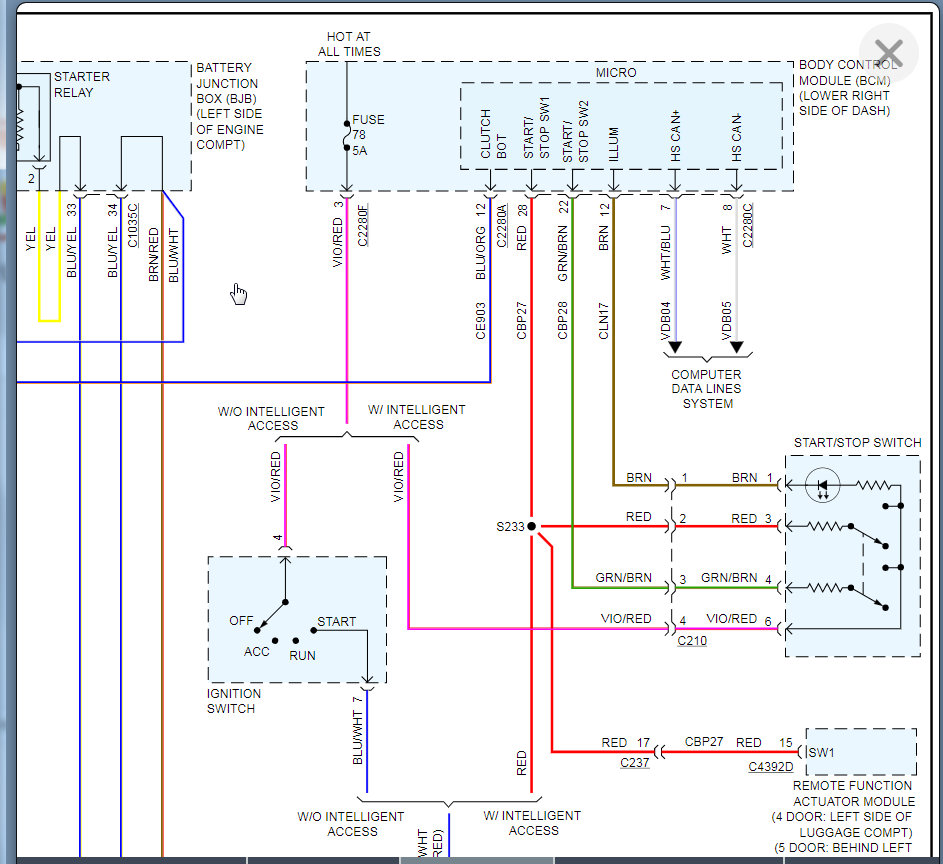
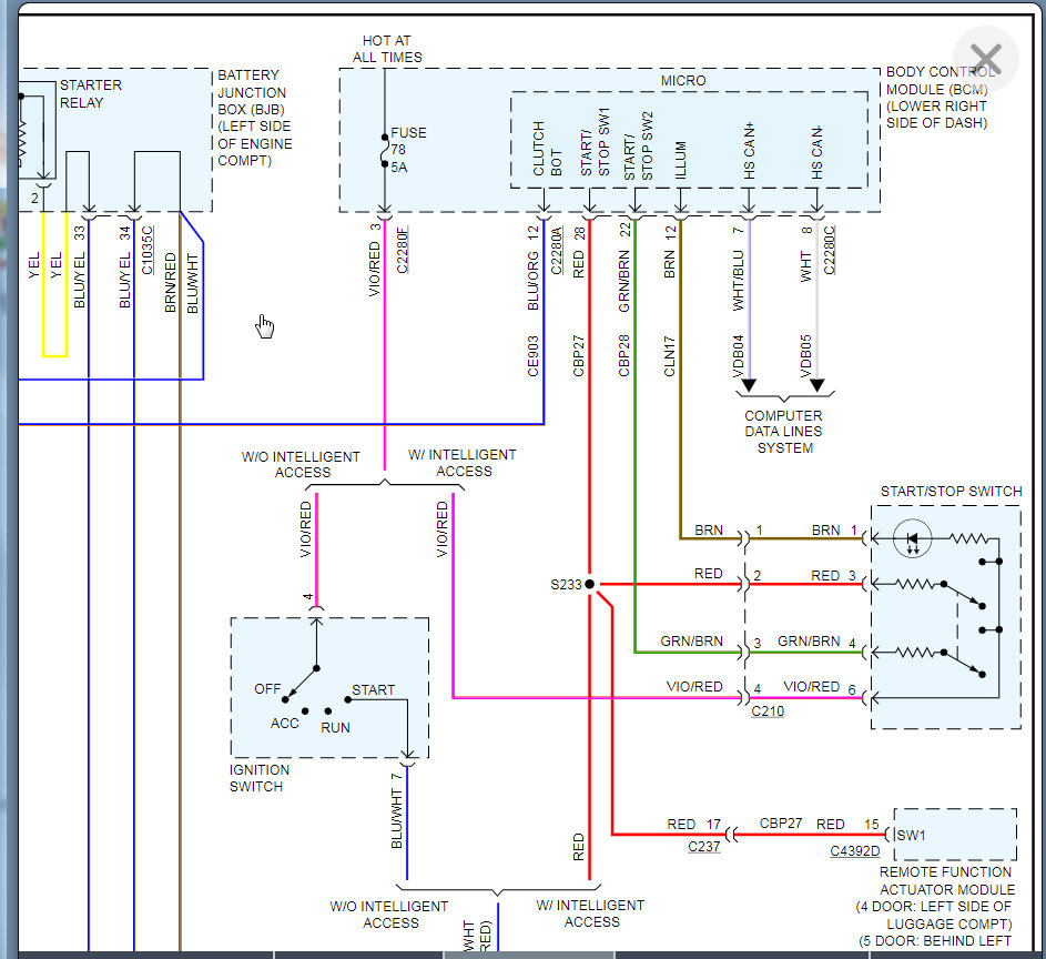
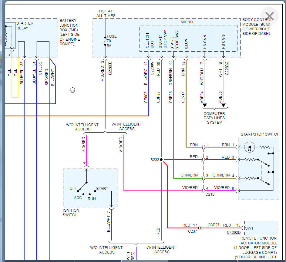
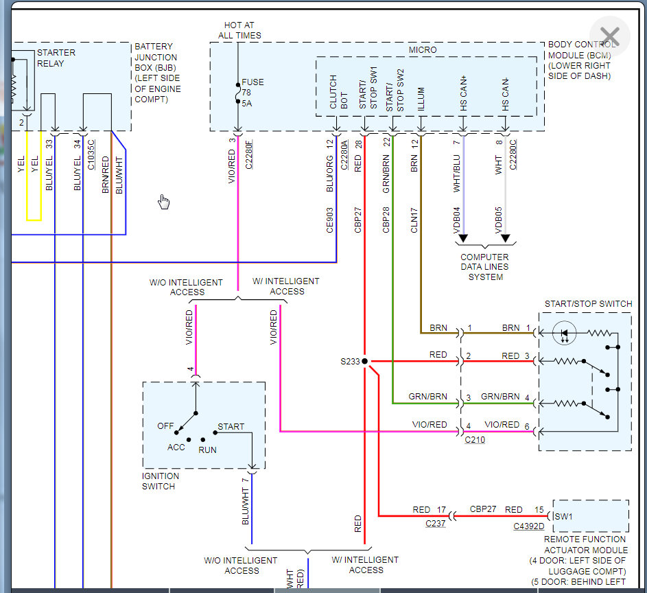
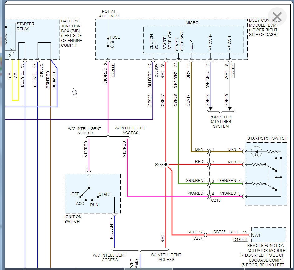
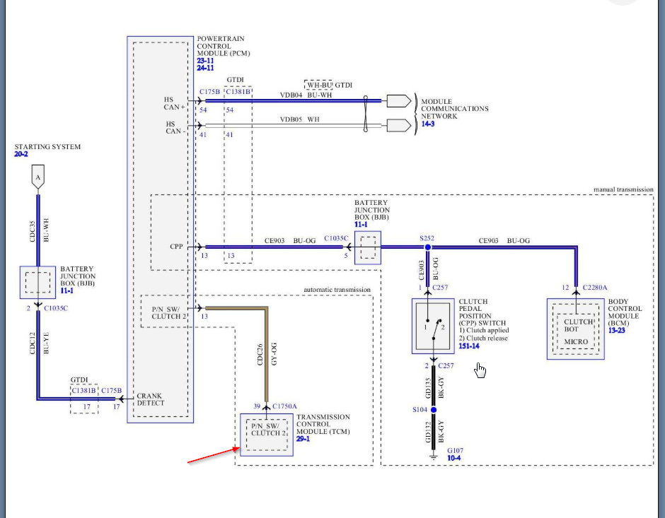
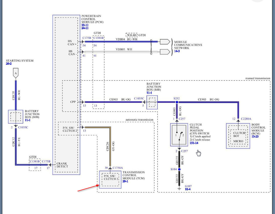
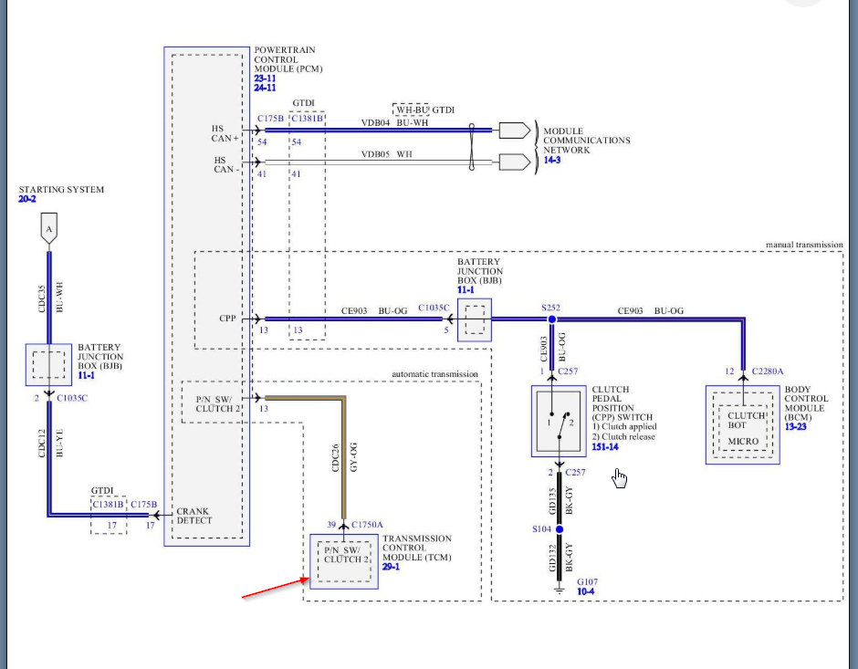
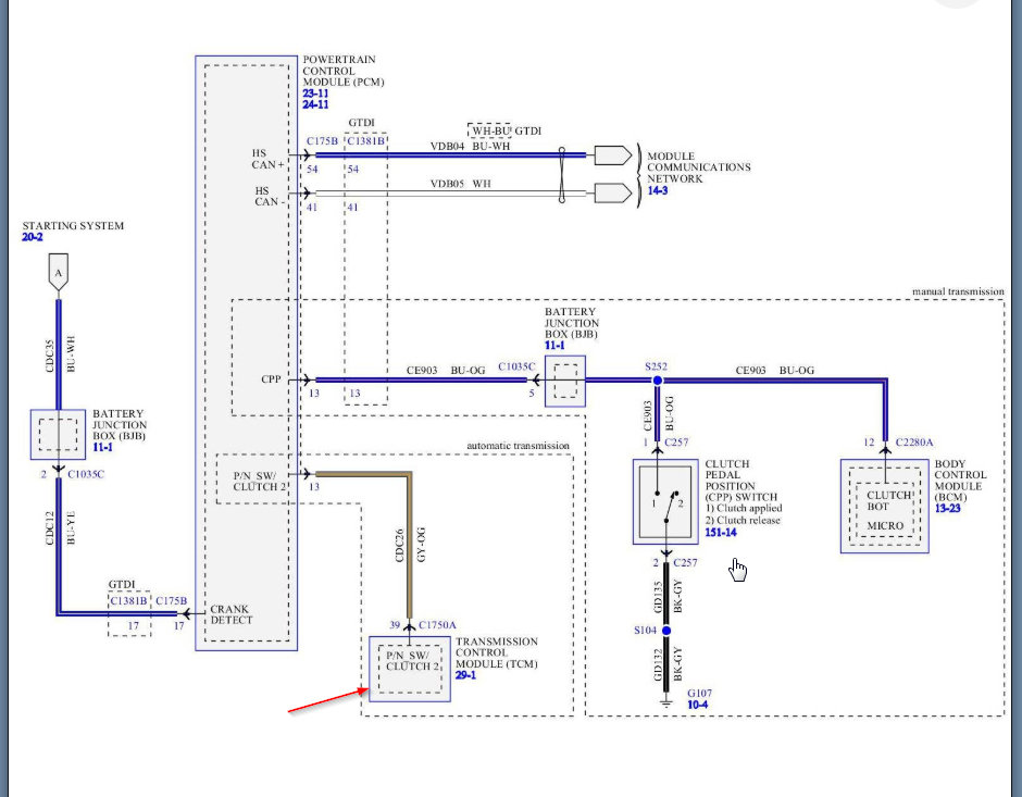
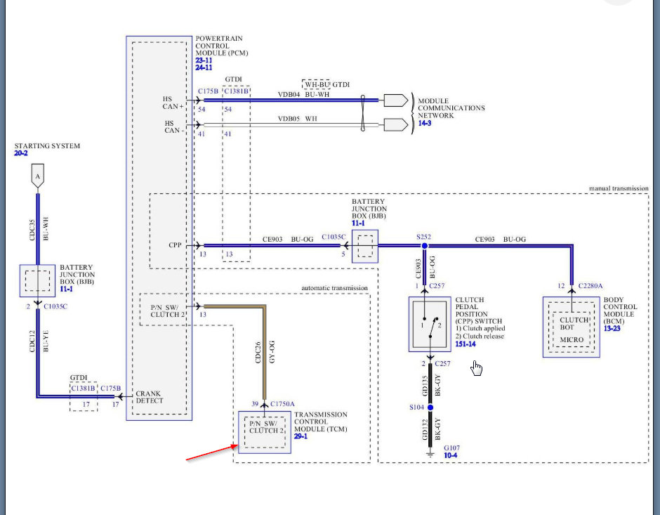
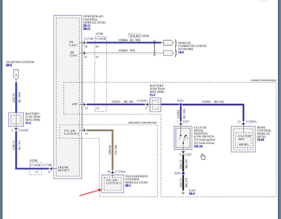
Good battery, all fuses and relays check good. Getting 3.4 volts to control side of starter solenoid, 12 v to battery side. I am wondering if this is something that is common as I see that Focus seems all model years have some electrical problems, but have not found any with exact problem and it be solved. I have tested starter and circuit to starter as I have been a mechanic for 30 plus years I have went through all steps that lead to common no crank issue. I am getting ready to drop driver's airbag and test ignition switch and circuit to solenoid. Any color coded wiring diagrams and experienced insight would be greatly appreciated.


















