Wednesday, November 25th, 2020 AT 6:18 AM
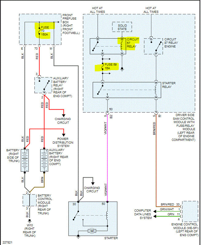
Please can you tell me or show me how to fix my fault? I drove my car without fan and my temperature went over 109% and it was working perfectly when I switch it off and try to start it won't start anymore. Check all the fuses and they are all working fine. I discovered that my park light won't come on. When I tried to diagnosed the ECM/ESP/EPS is showing me communication error none of the modules are communicating. Please and I don't know what to do anymore.





