No crank no start

Tiny
JAY WILHELM
  • MEMBER
  • 2008 CHEVROLET MALIBU
  • 2.4L
  • 4 CYL
  • 2WD
  • AUTOMATIC
  • 170,000 MILES
Hi, I'm Jay, and I'm having problems getting my car to start up again after 2 wires crossed while installing an aftermarket stereo. I put a new starter on which I'm not sure if it hooked up right. But I have went to jump the starter relay terminal and it tries to start. So, I used some starter fluid in the throttle body, and it wants to start but it starts smoking. I have a cracked exhaust manifold from when I bought the car.


My questions are, how is the starter supposed to be hooked up? And would the smoke be from the cracked manifold or something else?
(I don't have a sense of smell so I wouldn't be able to tell if something was burning internally or not.) Please help!
Wednesday, June 1st, 2022 AT 8:26 AM

3 Replies

Tiny
KASEKENNY
  • MECHANIC
  • 18,907 POSTS
Let's take a step back and find out what wires you crossed.

If that caused this issue, then we need to start with what that was tied too.

Also, is the starter not hooked up?

https://www.2carpros.com/articles/how-to-replace-a-starter-motor

How are you getting the engine to turn over or are you finding that the starter is smoking so you think it is not hooked up correctly?

https://www.2carpros.com/articles/starter-not-working-repair

Basically, we need air, fuel, spark, and compression to start the engine.

Let's start with this info so that we can see what we may not have. However, if the starter is turning and smoking then you could have a connection issue, or the starter has failed.

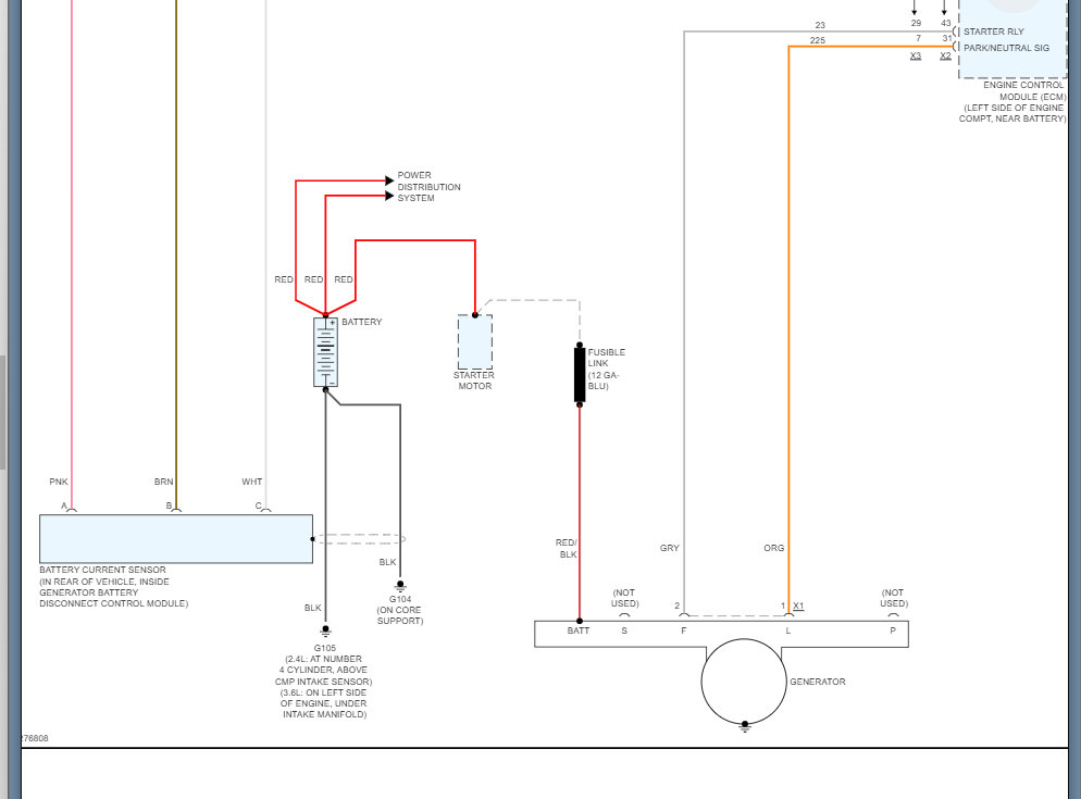
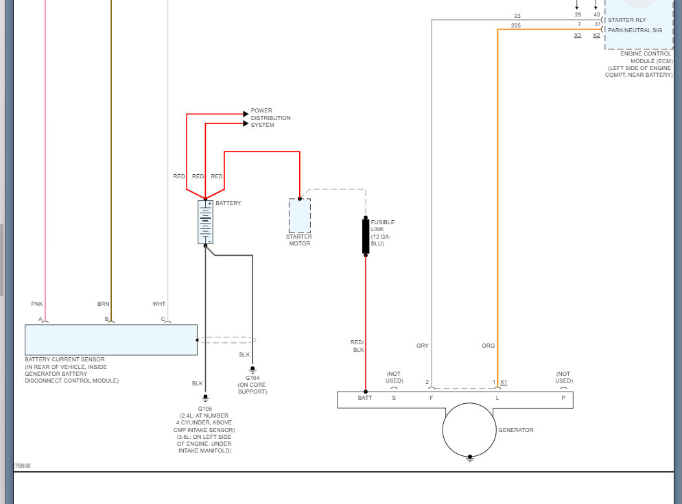
I am attaching the process from the manual below which contains the connections.

I suspect the crossing of the wires blew a fuse, but we need to start with this and go from there.

Thanks
Was this
answer
helpful?
Yes
No
Wednesday, June 1st, 2022 AT 1:40 PM
Tiny
JAY WILHELM
  • MEMBER
  • 2 POSTS
It's a pink and then a white ND purple wire down near the radio. And where is the alternator and starter fusible links supost to go?
Was this
answer
helpful?
Yes
No
Thursday, June 2nd, 2022 AT 7:13 AM
Tiny
KASEKENNY
  • MECHANIC
  • 18,907 POSTS
The pink wire appears to be the 12 volt supply for the antenna but I am not finding the white and purple as part of the radio system so we need to know what that is going too. Clearly putting 12 volts to that circuit could be causing this issue.

So can you track that wire and see where it leads?

The fusible link is the large wire that runs from the starter to the alternator. So you can go to the starter and then trace the wire that leads to the alternator and the link will be in that circuit. It is most likely taped up because this is nothing more then a loop of thinner wire that will fail before the larger battery wire fails.
Was this
answer
helpful?
Yes
No
Thursday, June 2nd, 2022 AT 9:35 AM

Please login or register to post a reply.