No crank no start

Tiny
BLONDIMOMOF3
  • MEMBER
  • 1997 CHEVROLET BLAZER
  • 4.3L
  • 6 CYL
  • 4WD
  • AUTOMATIC
  • 22,000 MILES
When you turn the key all lights illuminate, no crank no start. Where is the location of the neutral safety switch and how do you test it?
Friday, November 2nd, 2018 AT 2:09 AM

1 Reply

Tiny
JACOBANDNICKOLAS
  • MECHANIC
  • 110,192 POSTS
Hi and thanks for using 2CarPros.com.

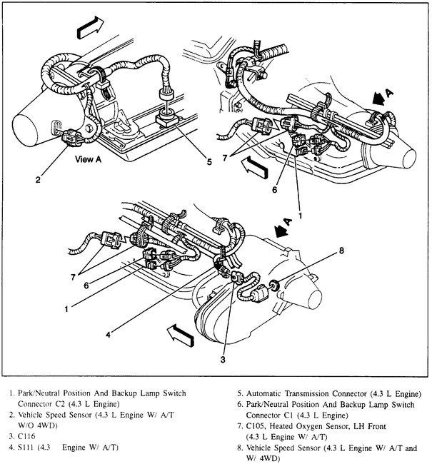
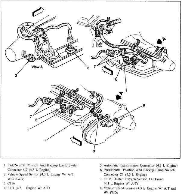
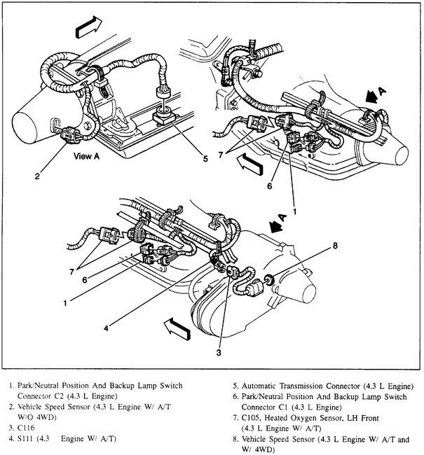
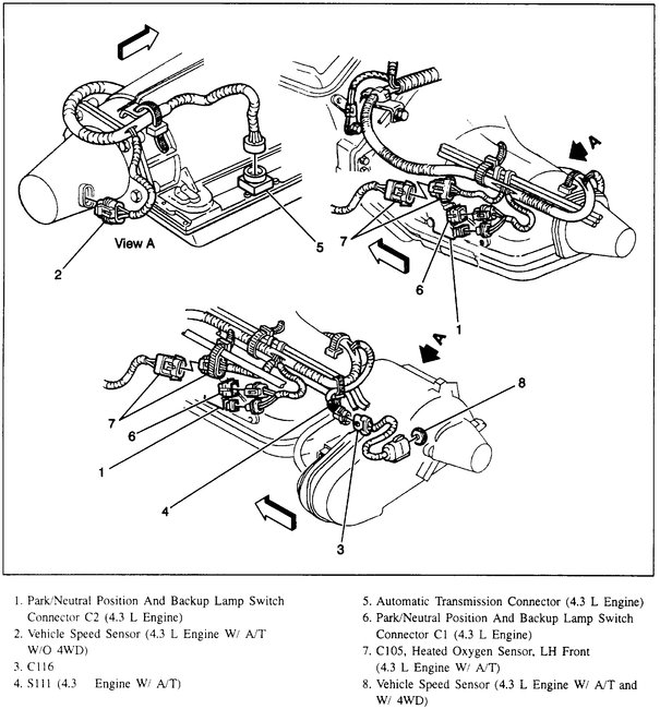
I attached a picture for you to see its location. As far as testing, see if there is both power to it and power out when the key is in the start position. Often times, however, if the vehicle does not start in park, it will in neutral. That would indicate a bad switch.

Also, a bad starter can do the same. Take a look through this link to determine of there is a starter issue.

https://www.2carpros.com/articles/starter-not-working-repair

Let me know if this helps or if you have other questions.

Take care,
Joe
Was this
answer
helpful?
Yes
No
Saturday, January 30th, 2021 AT 9:36 AM

Please login or register to post a reply.