Saturday, June 3rd, 2023 AT 3:52 PM
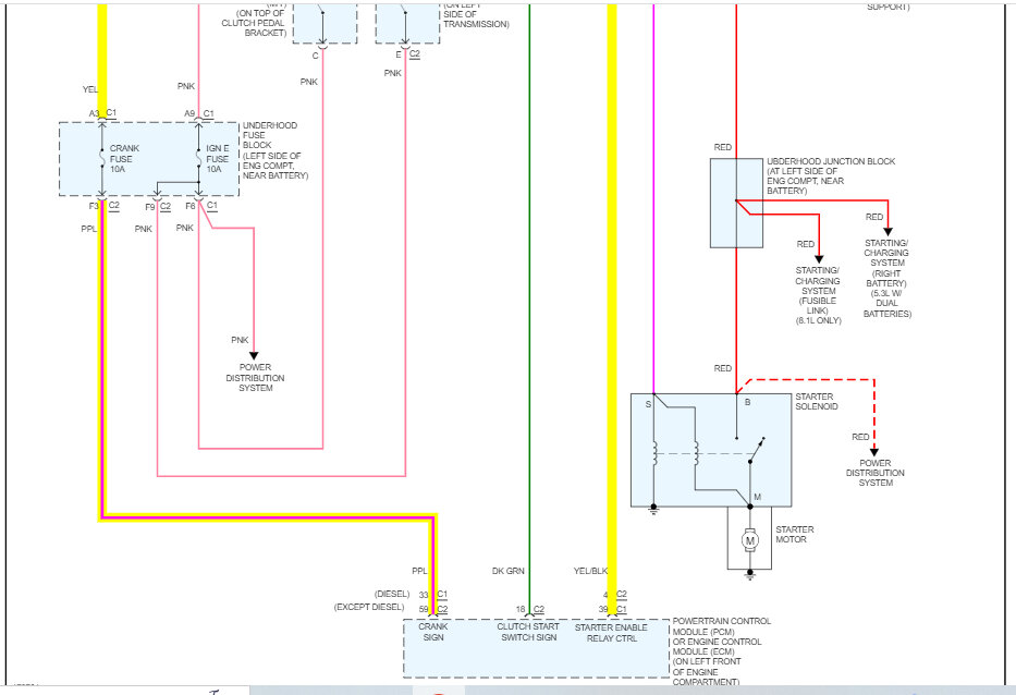
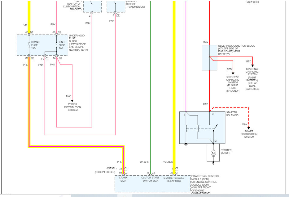
It's my brother in-law truck and the problem was intermittent at first but now it does nothing, he's already thrown a bunch of parts at it which include a starter that does work an ignition switch, park neutral switch, fuse box and a couple fuses and a relay or two along with a fuel pump and filter. I cleaned all the grounds and battery connections and could not find any broken wires anywhere and the battery is working properly. I do know the fuse box had been replaced before and it was from a 04 Tahoe. What I have found is that it will start only if you jump pins 87 and 30 on the starter relay and that the 10amp crank fuse has no power on either side of the fuse if that helps information wise.




