Friday, December 16th, 2022 AT 4:51 PM
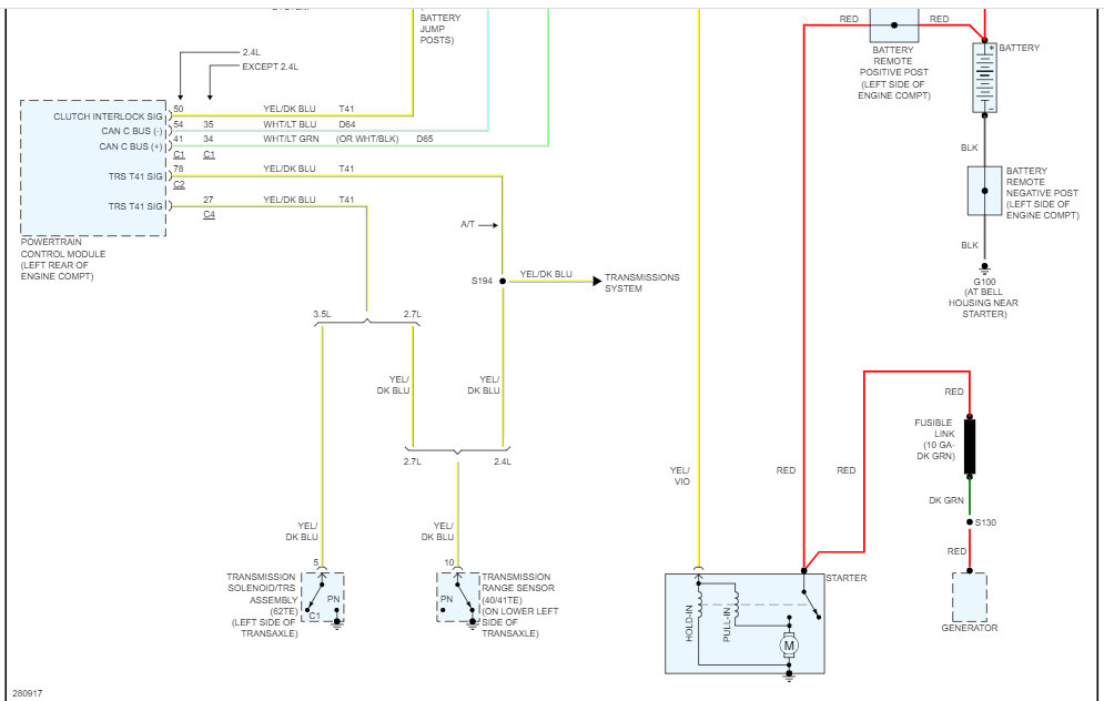
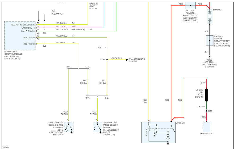
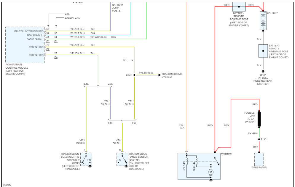
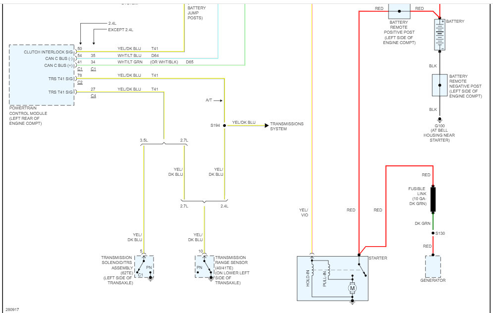
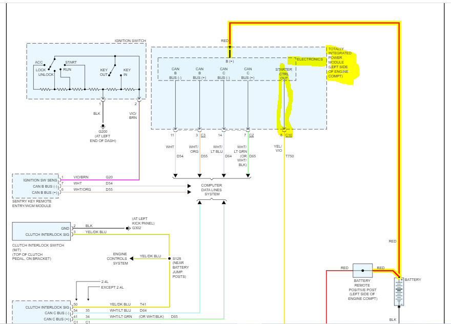
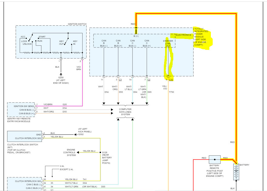
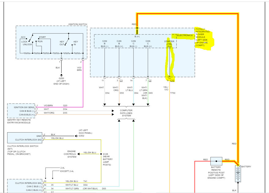
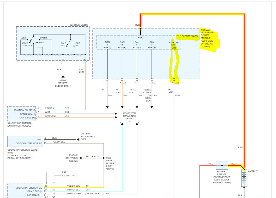
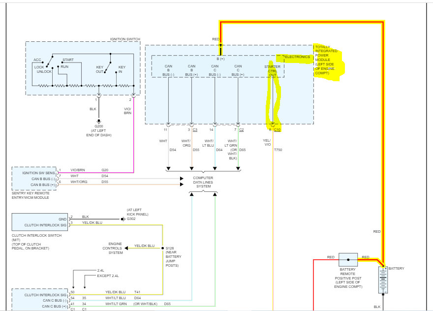
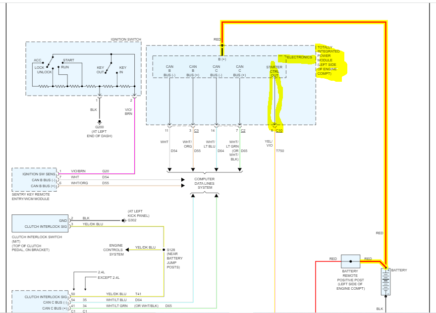
No power at the starter trigger wire connection at the solenoid when starting. Where does trigger wire contact the starter relay? Can't find it on the TPIM.







