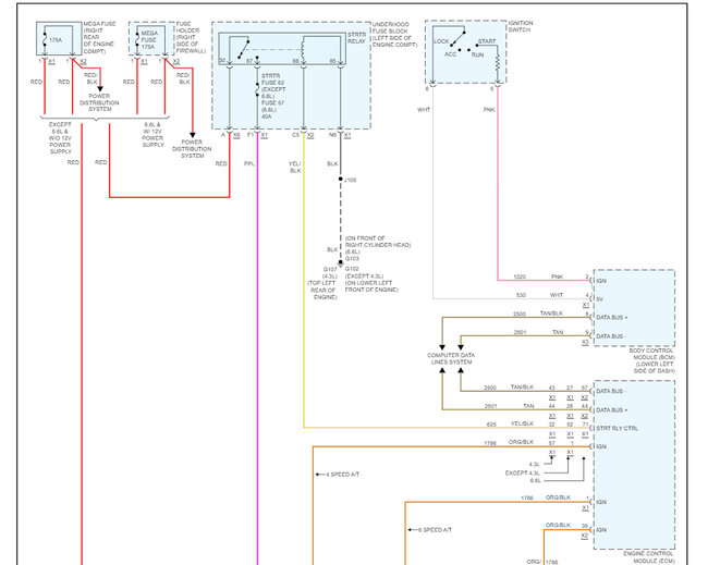
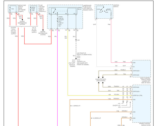
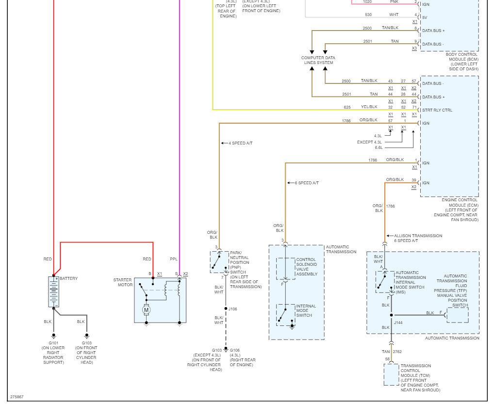
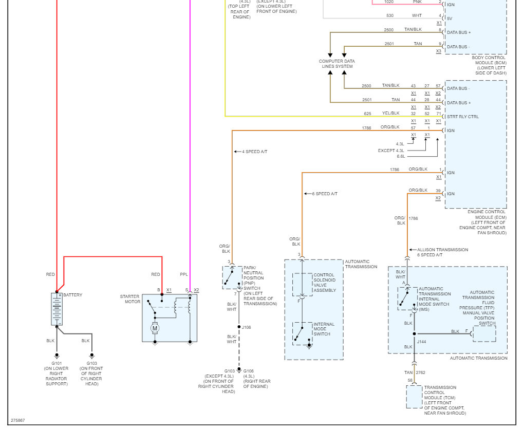
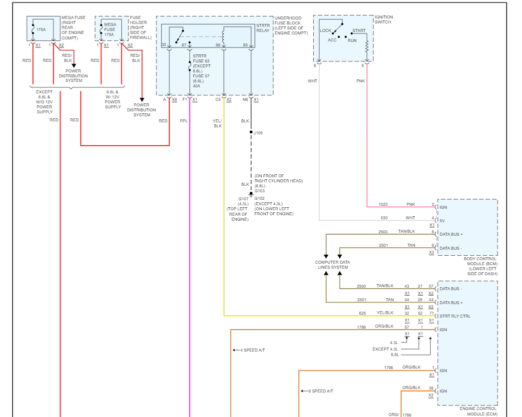
Car started with no crank, no start. On start dash would dim and found battery low on charge and starter seized. After charging the battery and replacing the starter, I was able to start my truck. Fast forward to the following day, I replaced my transmission fluid and then attempted to start the truck again. This time on startup when ignition is turned to start there is no crank, no start. Dash lights don't dim, they stay lite. The starter s terminal isn't getting power, I've also replaced the ignition switch and I'm still having the same issues. Swapped relays in fuse box and still no difference. Also there is a list of codes that I pulled, I will upload some of them as some of them I didn't save, but the key take away from the codes is that the first picture is all the codes present on initial startup, then second picture is after I have pulled the BCM and brushed off any corrosion with a tooth brush. The only codes that I didn't record that I feel may be important is the B1380.01 was original code for the ignition then after cleaning it went to B1380.06 and now it doesn't show that code at all now when I pull them.
Wednesday, May 10th, 2023 AT 7:48 AM






















