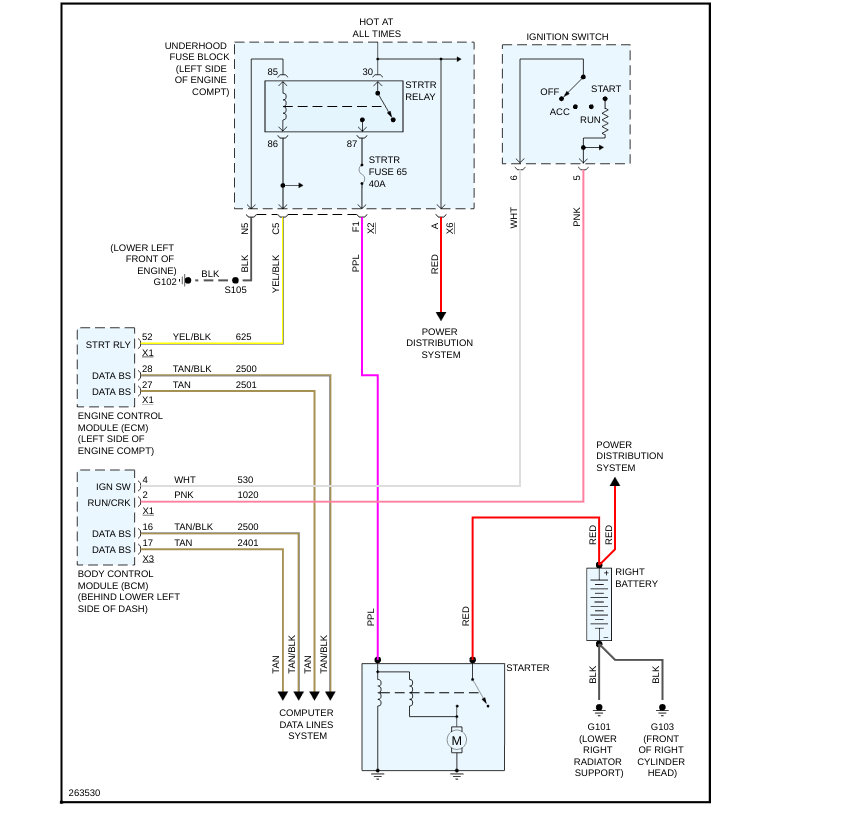
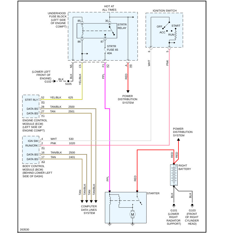
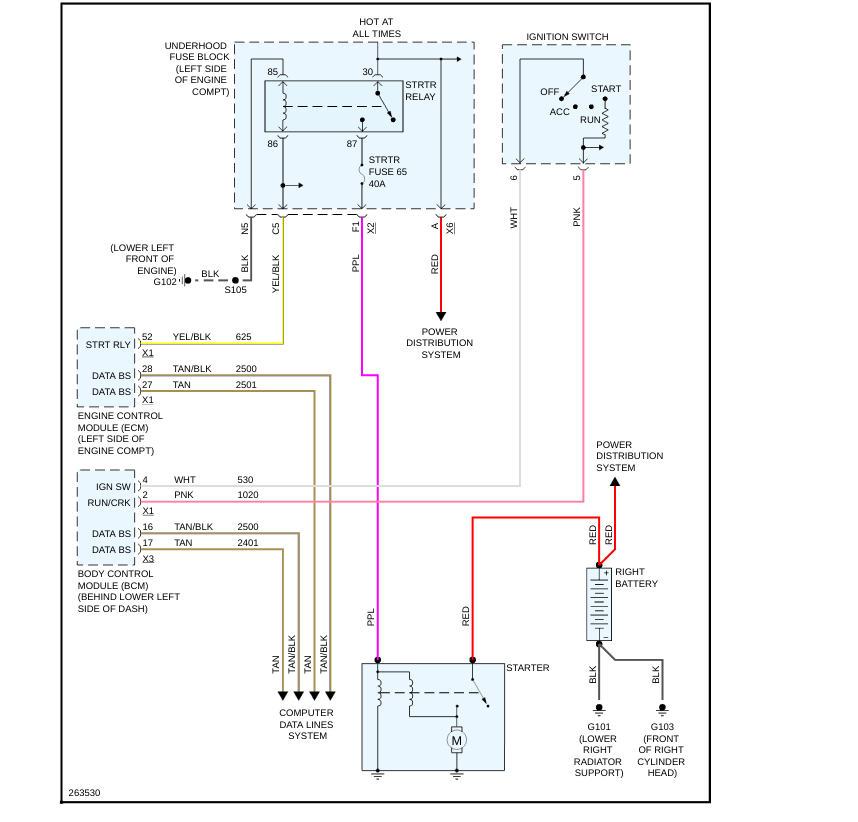
Monday, February 24th, 2020 AT 10:54 PM
Car was running pulled in driveway shut off. Now no start, has no signal to the starter, good battery and connections all engine and body grounds good. Was told it could be the BCM. Would that ruin the start circuit?


















