Monday, September 22nd, 2025 AT 3:48 PM
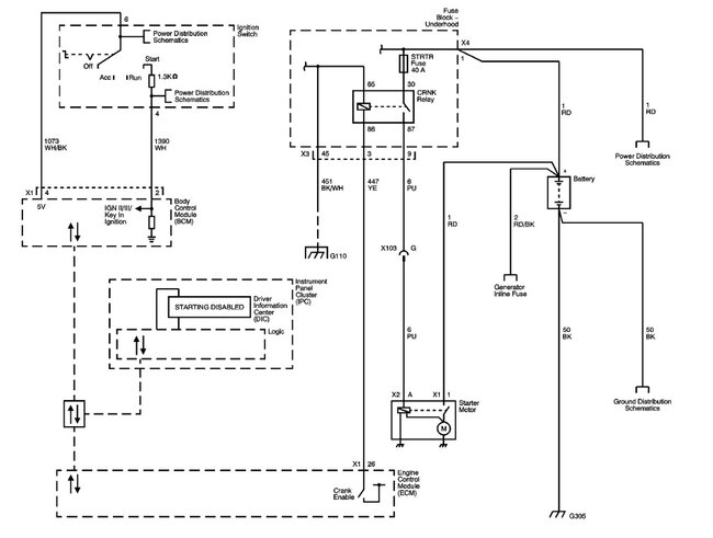
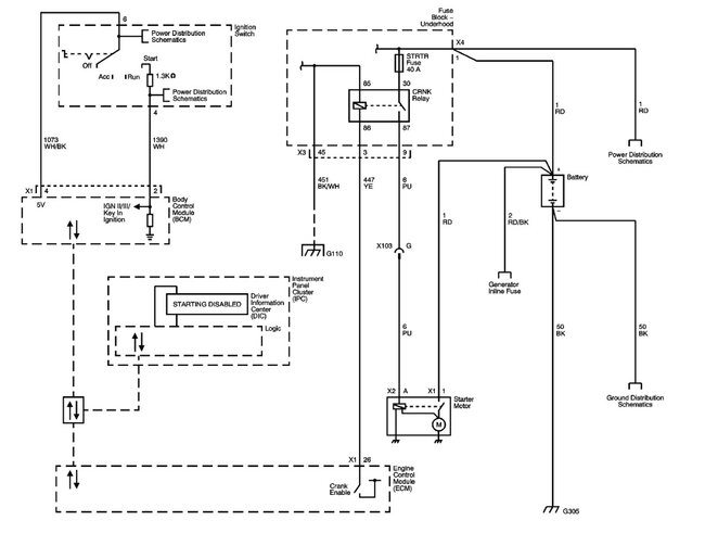
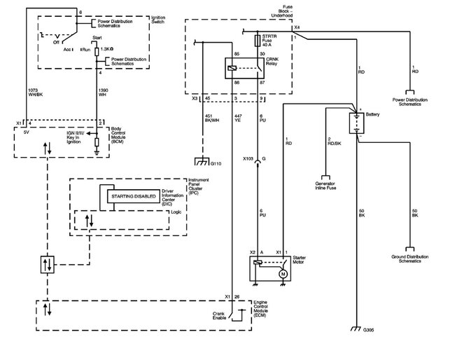
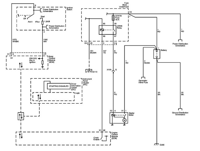
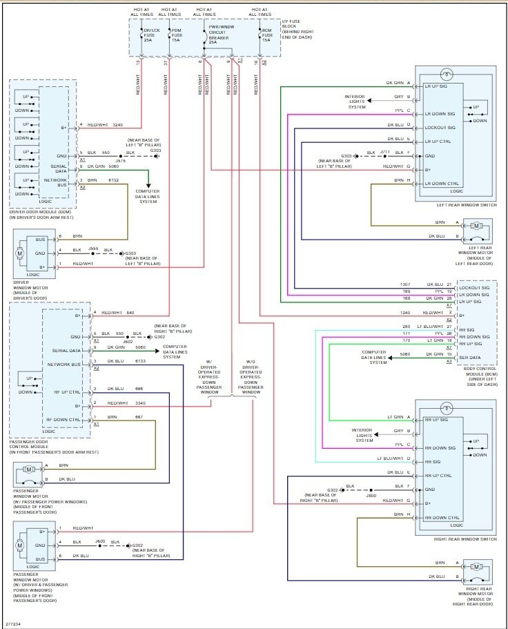
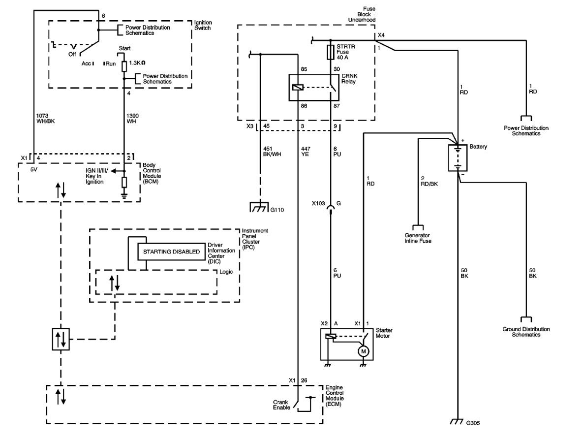
2007 Saturn Outlook will not crank battery is fully charged when the key is turned on instrument cluster lights up everything seems normal except the PRNDL indicator square that's usually around the the gear that you are in is not there. This happened after window motor was shorted(trying to get it up with direct power from the battery). Checked all the the fuses and replaced as needed but still won't crank.




