Saturday, June 14th, 2025 AT 10:46 AM
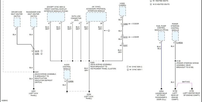
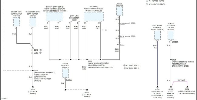
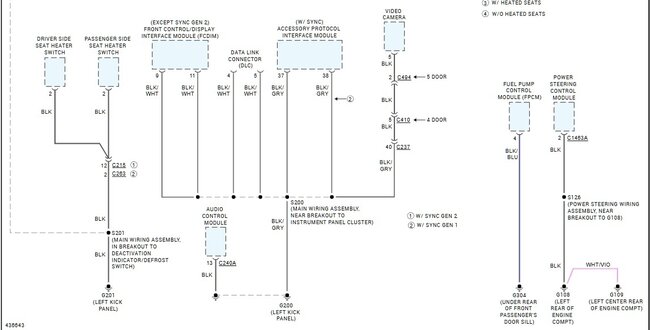
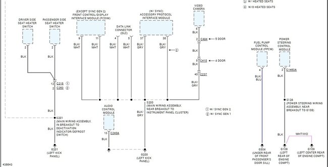
I recently replaced the engine on my ford focus and when I try to start it, it doesn’t do anything, it doesn’t crank or turn over and the instrument cluster is blank and none of the gauge is working. I tried to pull the codes and couldn’t get any scan tool to communicate with the vehicle. All fuses and relays are good.














