No communication between sensors and car?

Tiny
FLOSTEVE40
  • MEMBER
  • 2008 CHEVROLET MALIBU
  • 3.5L
  • V6
  • 2WD
  • AUTOMATIC
  • 177,000 MILES
Trouble with air pressure sensors communicating with the car. All 4 sensors were reset and deemed to work perfectly. Inside the car the dashboard says that there is still a problem. The mechanic said sensors cannot communicate with the car.
same problem with FOB. Locksmith says that his tool cannot communicate with car.
Monday, May 13th, 2024 AT 2:37 PM

3 Replies

Tiny
AL514
  • MECHANIC
  • 5,597 POSTS
Hello, I just ran into this exact issue a couple of days ago, the Remote Control Door Lock Receiver module is responsible for receiving the Key Fob signal as well as the tire pressure sensors in each tire, so the mechanic need to see if he can communicate with that module, ask him to see if he can read any live data or pull and codes from that module, if he can't then the module needs to be checked for power and ground, if he can communicate with it then the module may have failed. If there is no communication with the GMLAN low speed network which that module is on, then the whole network might be down. Was the locksmith specific about his scan tool not communicating with the car at all? Or just a certain module?
Was this
answer
helpful?
Yes
No
Monday, May 13th, 2024 AT 3:27 PM
Tiny
AL514
  • MECHANIC
  • 5,597 POSTS
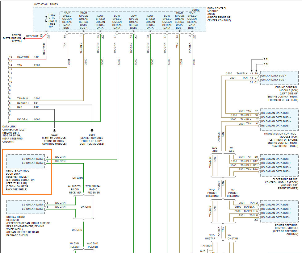
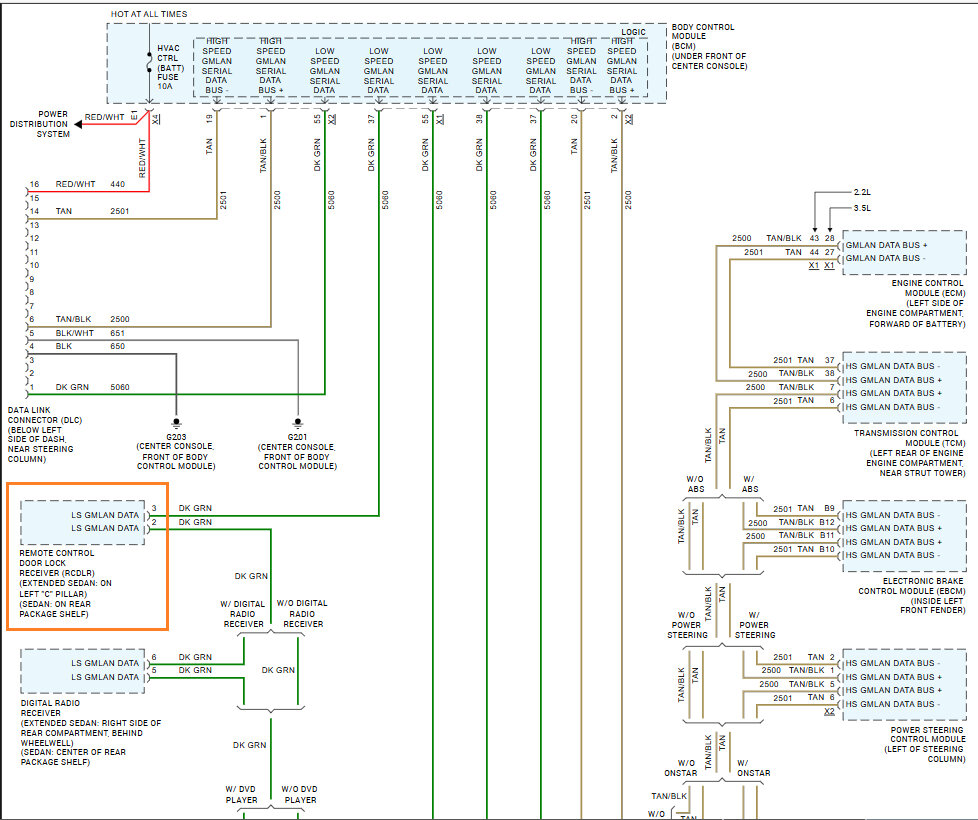
This is the vehicles data network diagrams, top and bottom, in the 1st one, the Remote Control Door Lock Receiver module is marked in the orange box, the Dark green wires are the GMLAN low speed network wiring. These modules are located in different places in different models. So, if the locksmith could not communicate with only that module, or the entire network makes a big difference. Are you having any other issues with the vehicle?
Was this
answer
helpful?
Yes
No
Monday, May 13th, 2024 AT 3:36 PM
Tiny
AL514
  • MECHANIC
  • 5,597 POSTS
This one is located in a very easy place to access. It only has a 4 wire connector, Pin 1 is Ground and Pin 4 is Battery Positive (12volts with the key On). Very easy to check. the middle 2 wires are the low speed network wires. Looks like its located through the trunk with an access panel. But its responsible for all 4 tire pressure sensors and the key fob operations.

https://www.2carpros.com/articles/how-to-use-a-voltmeter
Was this
answer
helpful?
Yes
No
Monday, May 13th, 2024 AT 3:45 PM

Please login or register to post a reply.