Climate blend door actuators not working

Tiny
WESTINGPOINT ESCAPE
  • MEMBER
  • 2007 TOYOTA CAMRY
  • 3.5L
  • V6
  • 2WD
  • AUTOMATIC
  • 141,000 MILES
The dual climate control switches light and work, blower works, but when changing settings cold/hot no actuator work, no power to actuators.
Tuesday, January 26th, 2021 AT 8:34 AM

3 Replies

Tiny
ASEMASTER6371
  • MECHANIC
  • 52,796 POSTS
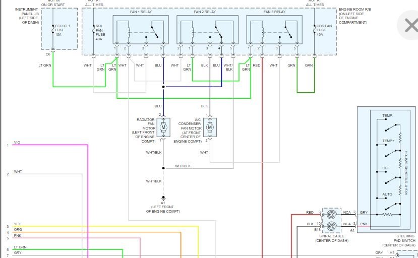
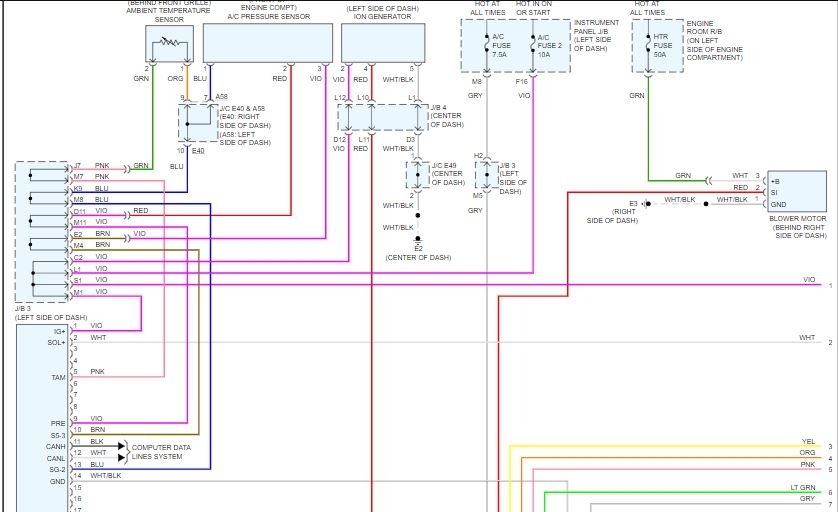
Good evening,

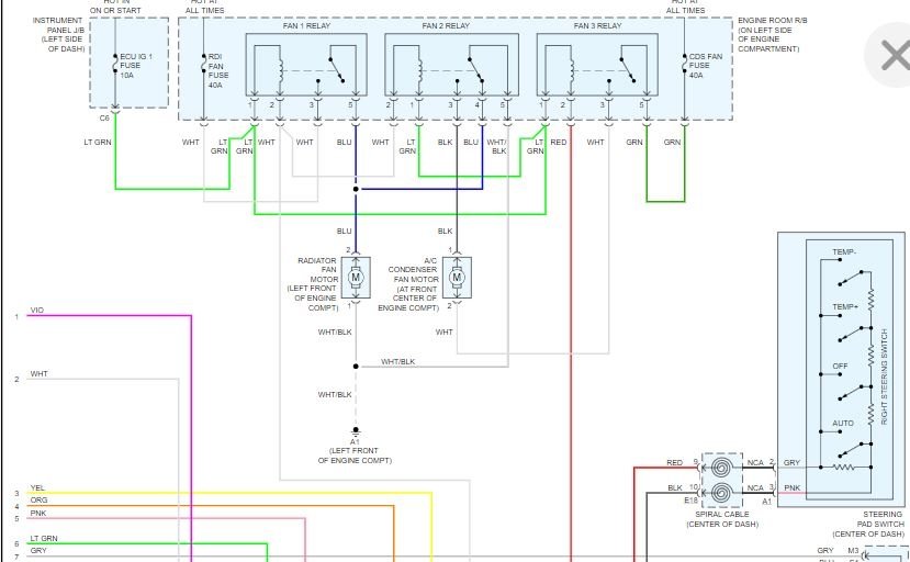
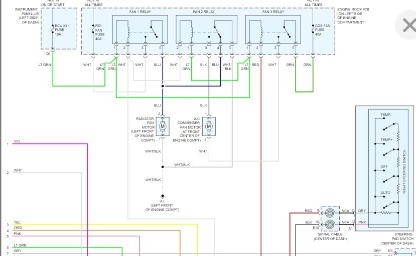
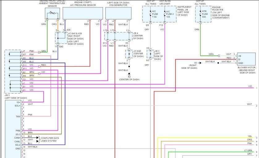
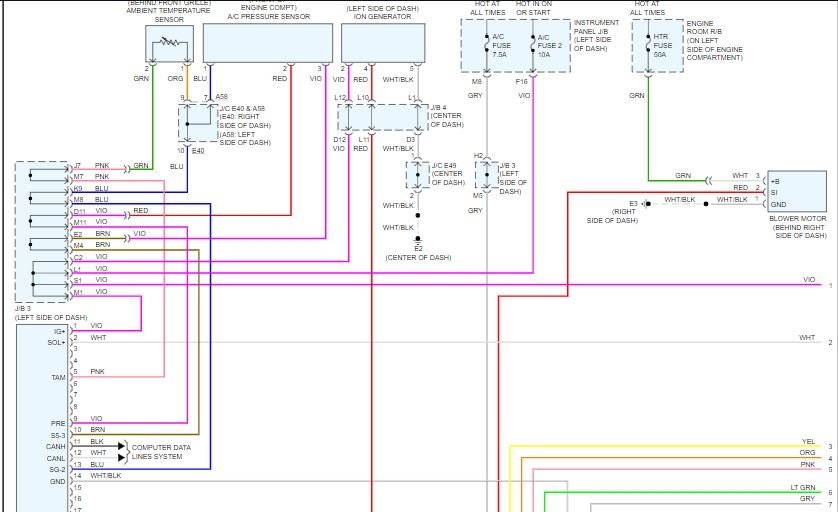
I attached a wiring diagram of the actuators for you to view along with the location of the actuators.

https://www.2carpros.com/articles/how-to-check-wiring

All the powers come from the control assembly for the actuators to work.

https://www.2carpros.com/articles/replace-blend-door-motor

Roy

REMOVAL

1. Remove shift lever knob sub-assembly (for automatic transaxle).
2. Remove shift lever knob sub-assembly (for manual transaxle).
3. Remove no. 1 instrument cluster finish panel garnish.
4. Remove no. 2 instrument cluster finish panel garnish.
5. Remove floor shift position indicator housing sub-assembly (for automatic transaxle).
6. Remove upper console panel (for manual transaxle).
7. Remove upper console rear panel sub-assembly (for automatic transaxle).
8. Remove upper console rear panel sub-assembly (for manual transaxle).
9. Remove upper console panel sub-assembly.
10. Remove instrument panel no. 2 register assembly.
11. Remove radio receiver with heater control assembly (for manual air conditioning system).
12. Remove navigation receiver with heater control panel (for automatic air conditioning system).
13. Remove radio no. 1 bracket (for manual air conditioning system).
14. Remove radio no. 1 bracket (for automatic air conditioning system).
15. Remove radio no. 2 bracket (for manual air conditioning system).
16. Remove radio no. 2 bracket (for automatic air conditioning system).

imageOpen In New TabZoom/Print

17. REMOVE AIR CONDITIONING CONTROL ASSEMBLY (for Manual Air Conditioning System)
a. Remove the air conditioning control assembly as shown in the illustration.
Was this
answer
helpful?
Yes
No
Tuesday, January 26th, 2021 AT 4:22 PM
Tiny
WESTINGPOINT ESCAPE
  • MEMBER
  • 2 POSTS
I just figured it out a while ago, there are 2 A/C fuses under the dash one was burned, the actuator closest to the gas pedal was stuck I am guessing it made the little motor too hot or it shorting out. I just unplugged it, and will order a new one. The climate control assembly is fine. Lights up, blower works, now actuators are moving the blend doors.
Thanks for the reply Roy.
Was this
answer
helpful?
Yes
No
Tuesday, January 26th, 2021 AT 4:47 PM
Tiny
ASEMASTER6371
  • MECHANIC
  • 52,796 POSTS
You are welcome.

Always glad to help.

Roy
Was this
answer
helpful?
Yes
No
Wednesday, January 27th, 2021 AT 3:22 AM

Please login or register to post a reply.