No charging after alternator was replaced

Tiny
MCSAFETY
  • MEMBER
  • 2001 FORD ESCAPE
  • 3.0L
  • 6 CYL
  • 4WD
  • AUTOMATIC
  • 175,000 MILES
Changed the alternator, was doing fine, second day it stopped charging. Blew the fuse under the hood. Changed it blew again. Third fuse didn't blow but now not charging.
Sunday, December 13th, 2020 AT 8:52 PM

3 Replies

Tiny
KASEKENNY
  • MECHANIC
  • 18,907 POSTS
Can you let us know what the original reason was for replacing the alternator? Was it for this issue or another?

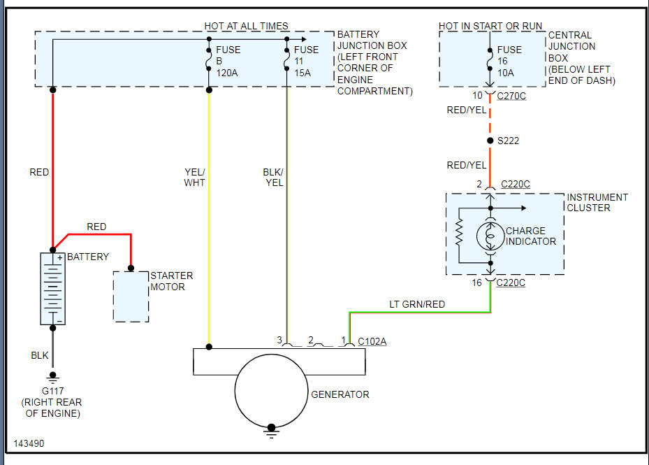
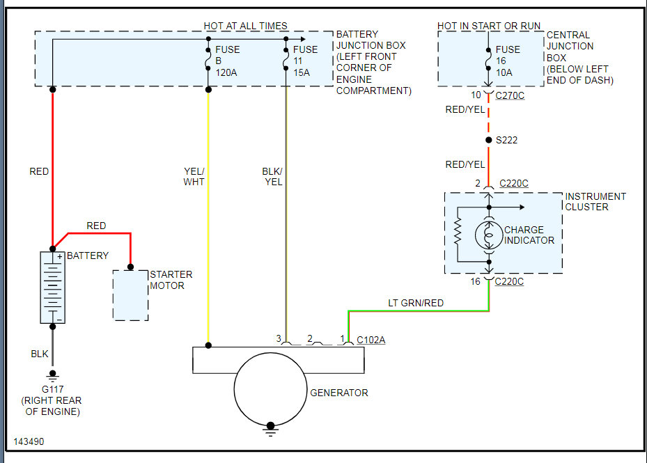
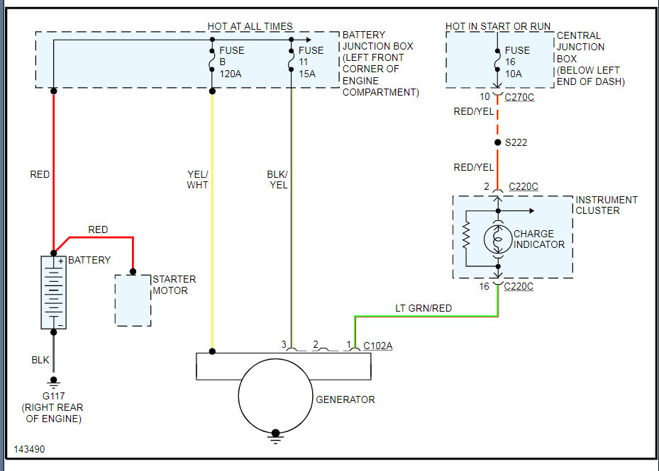
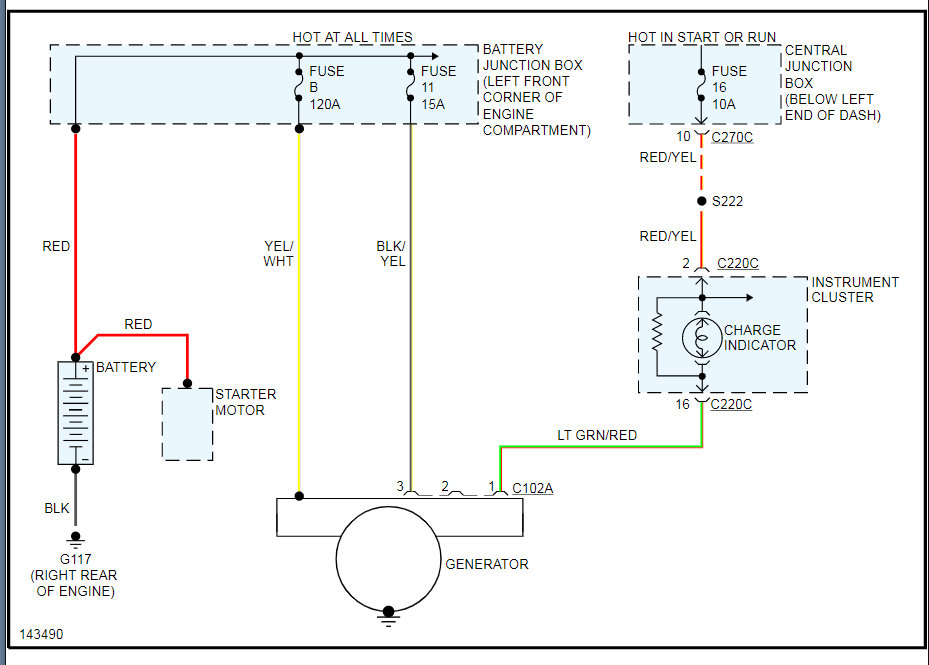
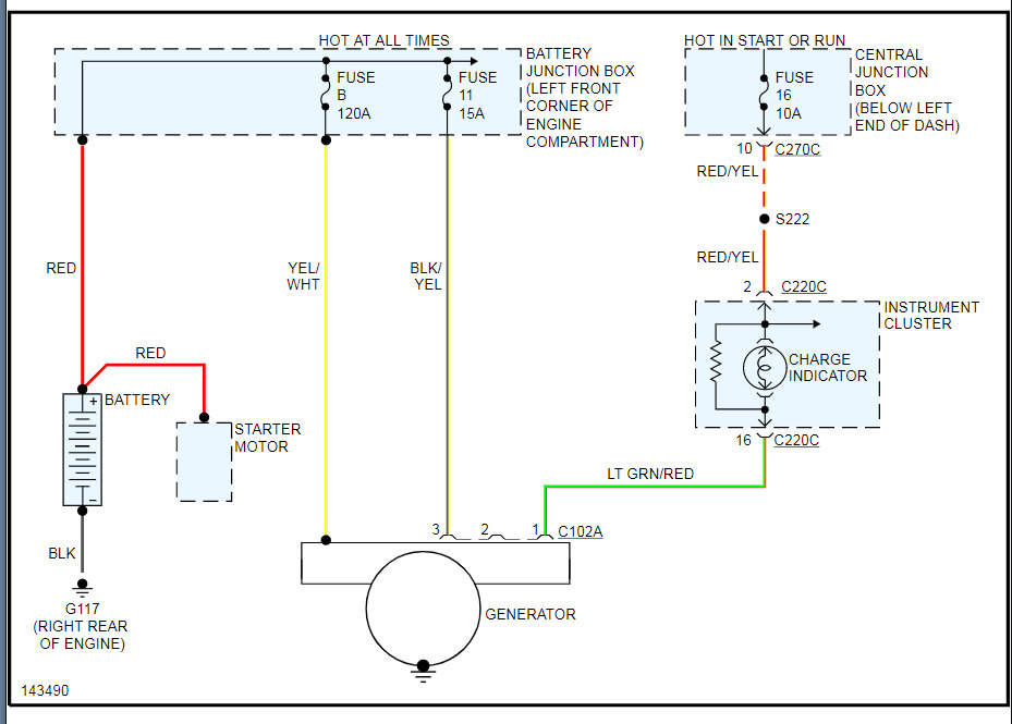
Then what fuse are you replacing? I assume it was Fuse B or Fuse 11 but we need to know which one it was. When you have a fuse that is blowing like that it means that you have a short and from the sound of it, it sounds like the alternator was faulty. So if you got this issue only after replacing it then I suspect it was a faulty alternator.

We need to run through this testing and we can find out if the alternator has failed.

https://www.2carpros.com/articles/how-to-check-a-car-alternator

Then let me know what fuse it was and we can try to prove this out. Thanks
Was this
answer
helpful?
Yes
No
-1
Monday, December 14th, 2020 AT 1:57 PM
Tiny
MCSAFETY
  • MEMBER
  • 2 POSTS
The alternator was changed and verified as no output. Turns out the replacement alternator had an internal problem and was bad. I rechecked all the fuses and connections like you had suggested then went back to alternator, changed alternator again and it's all good now. I hope.
Was this
answer
helpful?
Yes
No
Thursday, December 17th, 2020 AT 2:46 AM
Tiny
KASEKENNY
  • MECHANIC
  • 18,907 POSTS
That is great and is what I suspected which is why I asked what the first issue was. I am glad you got it resolved and unfortunately just another example of how new parts are not always good parts.

Thanks for the follow up. I am sure this will help others that visit the site. Thanks
Was this
answer
helpful?
Yes
No
Thursday, December 17th, 2020 AT 5:32 PM

Please login or register to post a reply.