Not charging replaced alternator and battery?

Tiny
GAZZADAROLD
  • MEMBER
  • 2006 FORD ESCAPE
  • 4 CYL
  • 2WD
  • AUTOMATIC
  • 109,000 MILES
Have replaced alternator and battery. Still will not charge!Have tried to jump from back of alt to batt no luck there may have to take it into dealer
Monday, June 15th, 2009 AT 6:18 PM

14 Replies

Tiny
KEN L
  • MASTER CERTIFIED MECHANIC
  • 55,499 POSTS
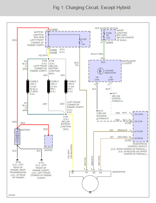
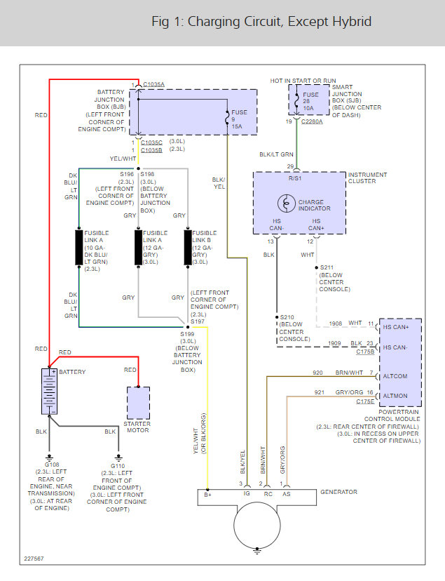
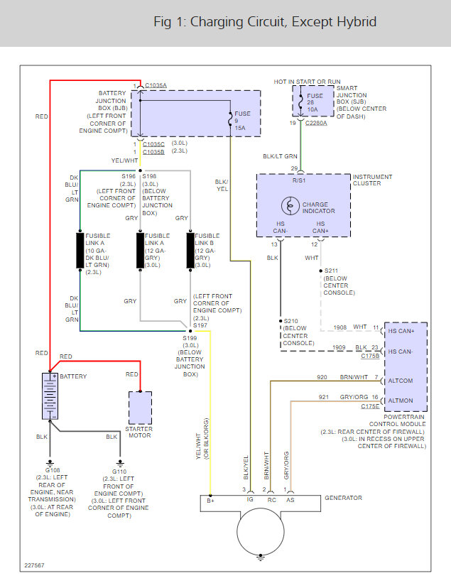
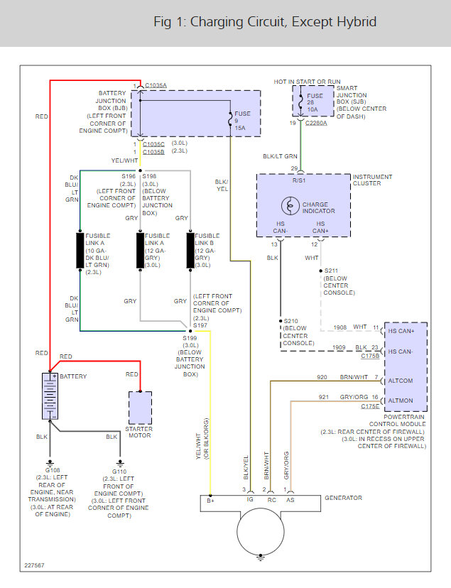
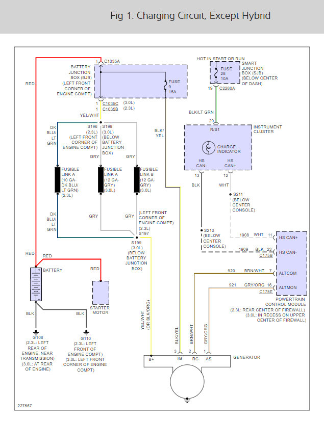
It sounds like the the alternator wiring is causing the problem. I would start by checking the fuses # 9 and 28.

Here is a guide to help you test the fuse:

https://www.2carpros.com/articles/how-to-check-a-car-fuse

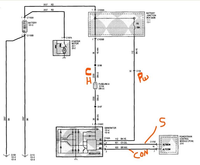
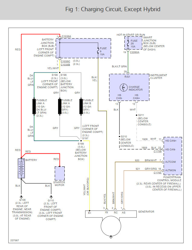
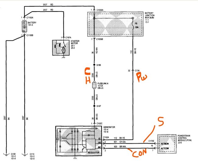
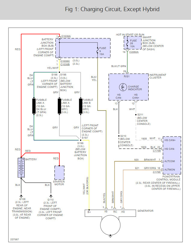
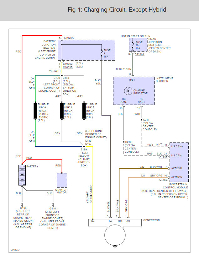
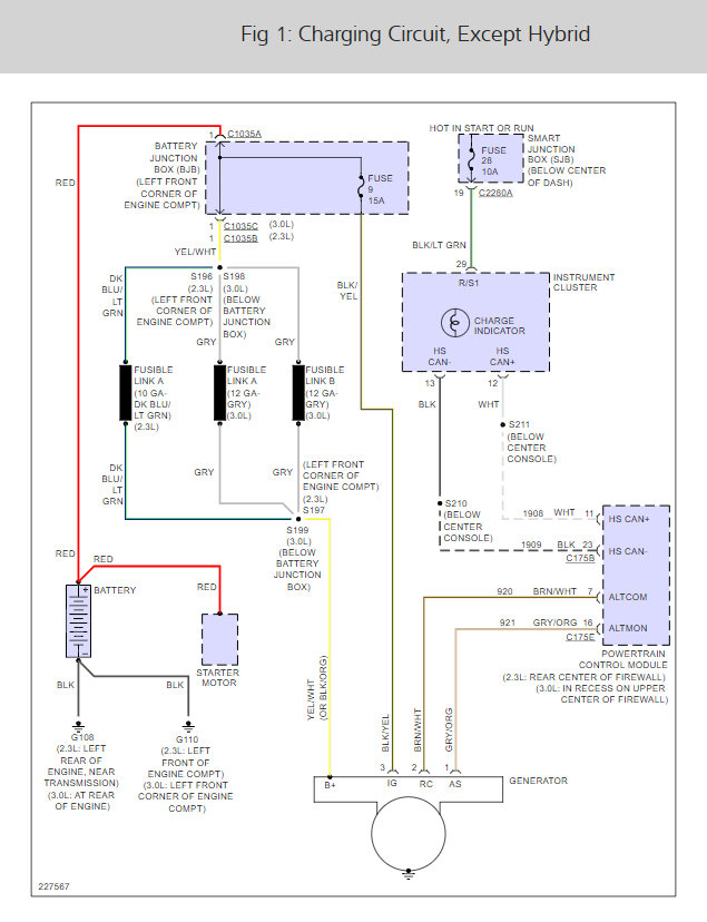
Here is the alternator wiring diagram below so you can see how the system works and where to test for power.

Check out the diagrams (below)

Please let us know what you find. We are interested to see what it is.

Cheers, Ken
Was this
answer
helpful?
Yes
No
+7
Tuesday, August 13th, 2019 AT 6:57 PM
Tiny
GAZZADAROLD
  • MEMBER
  • 2 POSTS
I check out the fuses and #9 was blown so I replaced it and it now works. Thanks guys!
Was this
answer
helpful?
Yes
No
+2
Tuesday, August 13th, 2019 AT 6:57 PM
Tiny
KEN L
  • MASTER CERTIFIED MECHANIC
  • 55,499 POSTS
Use 2CarPros anytime, we are here to help. Please tell a friend.

Cheers, Ken
Was this
answer
helpful?
Yes
No
+3
Tuesday, August 13th, 2019 AT 6:57 PM
Tiny
KEVINLM
  • MEMBER
  • 12 POSTS
I am having the same issue have changed both fuses even though good to no avail.I am reading the schematic and thinking it's the idiot light since it's not working ATTM is it just a regular bulb?Been doing alot of reading some vehicles have a resistor along side the bulb somehow.I have power in the fuse box on both sides of a plate I assume is the fuse link?
Was this
answer
helpful?
Yes
No
Tuesday, November 19th, 2024 AT 5:59 AM
Tiny
KEN L
  • MASTER CERTIFIED MECHANIC
  • 55,499 POSTS
Yes, if the battery light is blown the charging system will not work. If you have power on both sides of anything it is good. I would pull the cluster to check the bulb which it is a regular bulb. Check out the images (below). Please let us know what happens.
Was this
answer
helpful?
Yes
No
Tuesday, November 19th, 2024 AT 10:27 AM
Tiny
KEVINLM
  • MEMBER
  • 12 POSTS
Thanks Ken will do tomorrow looks like a #74 or #24 will locate at work ;-)
Was this
answer
helpful?
Yes
No
Tuesday, November 19th, 2024 AT 10:41 AM
Tiny
KEN L
  • MASTER CERTIFIED MECHANIC
  • 55,499 POSTS
Sounds good, let me know :)
Was this
answer
helpful?
Yes
No
Tuesday, November 19th, 2024 AT 10:54 AM
Tiny
KEVINLM
  • MEMBER
  • 12 POSTS
Okay, Ken, I double checked the bulb when I got the keys back the light does illuminate on cranking the truck but does not illuminate while running.I get the same V at fuse 28 as at the battery 11.88V when running but no light. So now I am thinking ECM or the Alt?
Was this
answer
helpful?
Yes
No
Wednesday, November 20th, 2024 AT 7:06 AM
Tiny
KEVINLM
  • MEMBER
  • 12 POSTS
I took the battery box out looking for the fuselink think I located (looks like a link) under the fuse box plugs in single lead.I reinstalled the box/battery left fuse link out vehicle would not crank?Odd?I plugged link back in the vehicle cranked?Link for the starter?Anyways once running I unplugged the link no voltage. The ECM was replaced about five years ago when it blew some coils had Circuit Board Medics repair did a bang up job plug/play.
Was this
answer
helpful?
Yes
No
Wednesday, November 20th, 2024 AT 7:53 AM
Tiny
KEN L
  • MASTER CERTIFIED MECHANIC
  • 55,499 POSTS
Yes, it sounds like the alternator is no good, I would remove it and have it tested at the local auto parts store. Here is how to remove the alternator. Check out the images (below). Please let us know what happens.
Was this
answer
helpful?
Yes
No
Thursday, November 21st, 2024 AT 10:15 AM
Tiny
KEVINLM
  • MEMBER
  • 12 POSTS
I have one last thing to check before that Ken and that's the power out from the alt and the plug in if I can. The fact that the battery light still does not come on when running is bugging me and the PCM from what I gather starts the alt?
Was this
answer
helpful?
Yes
No
Thursday, November 21st, 2024 AT 1:33 PM
Tiny
STEVE W.
  • MECHANIC
  • 15,698 POSTS
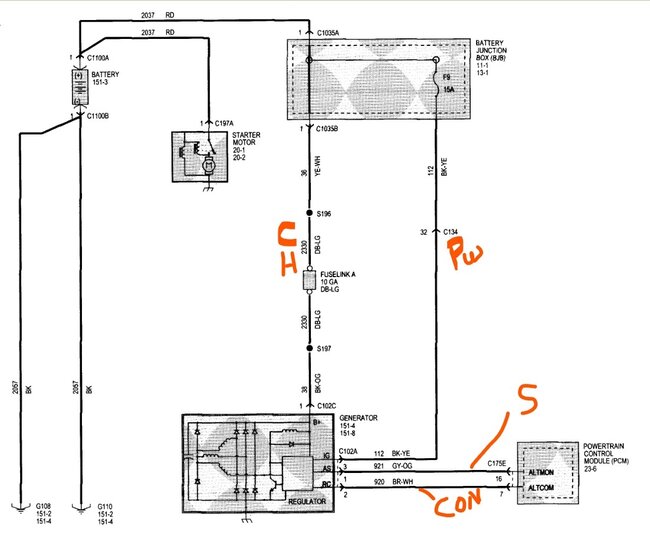
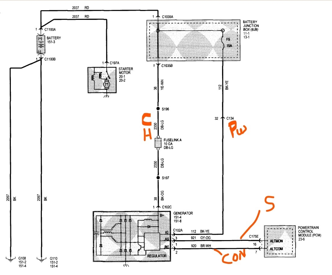
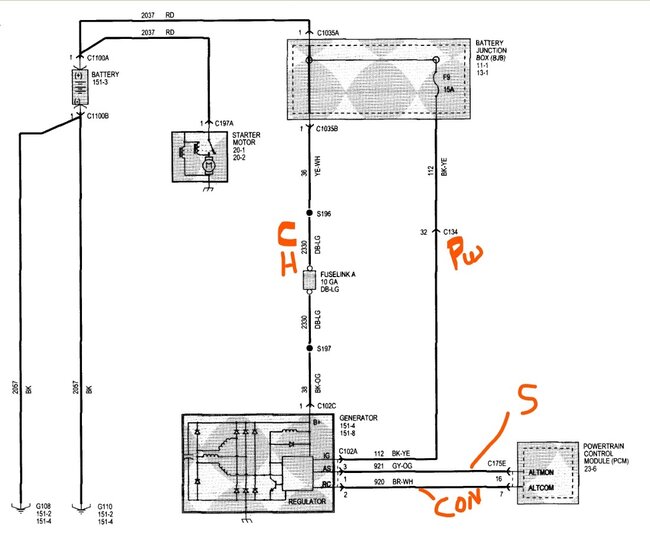
Most of the warning lights in the charging system work off a simple system. The light stays off if the voltage on both sides of the bulb is equal. The lamp connects to the alternator on one end and the ECU or regulator circuit on the other. Key on engine off the light comes on because one side of it is fed from the battery and the other side in the alternator acts like a ground because it isn't generating power. Start the engine and if the alternator is putting out the same or higher voltage than the sense circuit, the light goes out. If it is at least a volt lower, then the light comes on. The catch in modern vehicles is that commonly it takes more than the volt drop and due to the way they feed the control circuit, if you have a bad diode in the alternator that can back feed enough voltage that the light stays off even though it isn't charging. If you have a meter, measure the voltage at the battery with everything off, now start the engine, if you are seeing the same voltage now the alternator isn't charging. Switch your meter to AC and measure again. This checks the AC ripple, you should see at most a couple millivolts, if you see more the diode bridge has an issue, and replacement is needed.
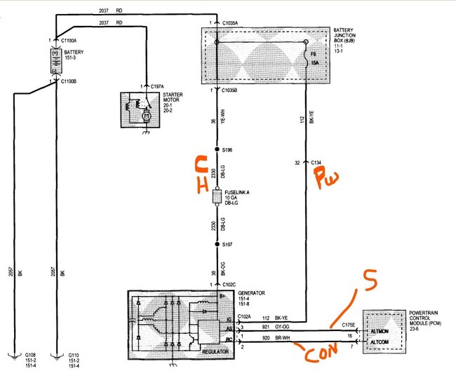
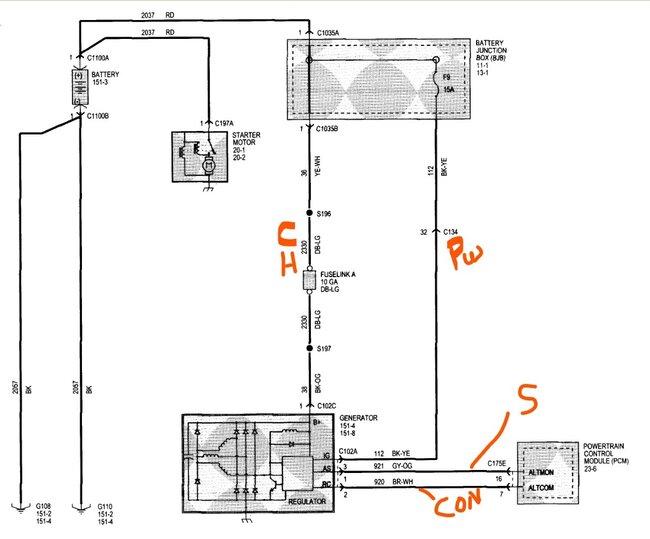
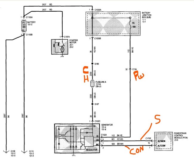
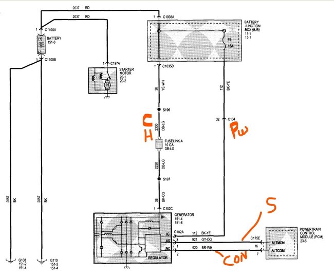
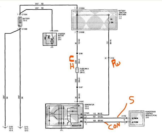
In the diagram the CH wire is the heavy lead that connects the alternator to the charging stud and the battery positive. The Pwr wire is a 12-volt feed that is used to both power the regulator and as a sense lead for battery voltage independent of the ECM control. It's supposed to act as a fail-safe if the regulator control in the ECM fails, you would know if it was in control because it normally locks the output to about 14.5-15 volts if the engine is running. The S is the sense or monitor wire, this is the one that tells the ECM the voltage that is seen at the alternator, it is the one that controls the light as well. The last one is the com wire, this is the control for the regulator, it sends a PWM signal to turn the alternator on or off based on the draw on the electrical system. In the old days you could test the alternator using this terminal on the older alternators, if you grounded it out it would "full field" the alternator and it would drag the engine down as the alternator would produce the maximum voltage and current the unit could create. In many cases it is far more than the regulator ever could put out and you had to be sure that nothing other than the minimum was powered on because the high voltage could damage things (I've seen this test burn out light bulbs, burn off wires and do other assorted damage). It's why the test now is normally only done on the test bench, far too easy to fry the electronics if you suddenly dump 18 volts or more at full rated current though them!
Was this
answer
helpful?
Yes
No
+1
Friday, November 22nd, 2024 AT 12:57 AM
Tiny
KEVINLM
  • MEMBER
  • 12 POSTS
I want to thank the two of you, Ken and Steve for all the help, it was the alternator. This line "The light stays off if the voltage on both sides of the bulb is equal" even though I read it several time one night in the last couple of weeks clicked just call me slow:-).A fiend/mechanic did the job for $250 seeing I have been dealing a WC's issue for the last 6 months. Thanks again and letting this post let others understand the fix.
Was this
answer
helpful?
Yes
No
Thursday, February 20th, 2025 AT 4:40 PM
Tiny
STEVE W.
  • MECHANIC
  • 15,698 POSTS
You are welcome.
Was this
answer
helpful?
Yes
No
Friday, February 21st, 2025 AT 1:17 AM

Please login or register to post a reply.