My car lost all power while driving, no check engine light when attempting to start

Tiny
APARTABYSS
  • MEMBER
  • 2005 MAZDA MX5
  • 2WD
  • MANUAL
  • 80,000 MILES
I was driving the other day and my car lost all power. Lights stayed on, still could steer but when I would press on the throttle there was no reaction. I tried to press the clutch in and rev the engine and still have no response. Got to the side of the road and tried to start the car again and it would try to start but wouldn't.

After getting the car home, I noticed there's no check engine light light when the ignition is in the "on" position. I tried swapping out the fuse and got life for a little bit but then the car shut off again.

The car also will not communicate with an OBD.
Monday, March 2nd, 2020 AT 4:57 PM

19 Replies

Tiny
AL514
  • MECHANIC
  • 5,595 POSTS
Hello, sorry to hear about this issue. Is this car the 1.8L or 1.8L turbo? And yes if there's no check engine light then most likely the ECM is not active. That's also why you can't communicate with it. Did you find any burnt fuses? And if so which fuse was it?
Was this
answer
helpful?
Yes
No
Monday, March 2nd, 2020 AT 5:28 PM
Tiny
APARTABYSS
  • MEMBER
  • 10 POSTS
It's just the standard 1.8L. And I didn't see any blown fuses, checked the 15amp fuse for the ECM.
Was this
answer
helpful?
Yes
No
Monday, March 2nd, 2020 AT 5:34 PM
Tiny
AL514
  • MECHANIC
  • 5,595 POSTS
Okay, this first diagram is a constant feed to the ECM, so hot all the time. The 2nd diagram is ECM power from the main relay and is a white/red wire at the back of the ECM, these must be checked for power with the key on. I am sorry the diagrams aren't newer ones, but this is what we have to work with. The 3rd and 4th diagrams are a little more clear. Make sure the ECM is receiving power on these circuits. Checking that Main Relay is one of the first things to do.
Was this
answer
helpful?
Yes
No
Monday, March 2nd, 2020 AT 6:10 PM
Tiny
APARTABYSS
  • MEMBER
  • 10 POSTS
So I tried the battery cable idea, no luck there. I did figure something else out though, the fuse to the ECM keeps blowing, just tried a brand new fuse and it blew almost immediately, but the car started up before the fuse died.
Was this
answer
helpful?
Yes
No
Wednesday, March 4th, 2020 AT 6:52 AM
Tiny
APARTABYSS
  • MEMBER
  • 10 POSTS
Also, got the main relay out and the relay itself is good.
Was this
answer
helpful?
Yes
No
Wednesday, March 4th, 2020 AT 8:51 AM
Tiny
AL514
  • MECHANIC
  • 5,595 POSTS
Okay, so you have a wire shorting out to ground somewhere. How many amps is the ECM fuse rated at? And is the fuse labeled ECM or engine? The reason I ask is I see a 15a engine fuse, wondering if that's the ECM fuse.
Was this
answer
helpful?
Yes
No
Wednesday, March 4th, 2020 AT 10:19 AM
Tiny
APARTABYSS
  • MEMBER
  • 10 POSTS
Fuse is a 15amp fuse. And it's labeled engine. That's the fuse I change and it will blow almost as soon as the car starts.
Was this
answer
helpful?
Yes
No
Wednesday, March 4th, 2020 AT 10:22 AM
Tiny
AL514
  • MECHANIC
  • 5,595 POSTS
Okay, from the diagram I see that this 15a engine circuit also powers the oxygen sensors heater circuit, so next go and unplug both oxygen sensors and see if that fuse still blows. I realize that you are going through a lot of fuses, but without a circuit breaker in there, there's no other way to check this.
Was this
answer
helpful?
Yes
No
Wednesday, March 4th, 2020 AT 10:28 AM
Tiny
APARTABYSS
  • MEMBER
  • 10 POSTS
So as of right now, I have only gotten the rear O2 sensor disconnected and a new fuse in the engine slot. Just kinda struggling to find the front O2 sensor.
Was this
answer
helpful?
Yes
No
Wednesday, March 4th, 2020 AT 12:49 PM
Tiny
APARTABYSS
  • MEMBER
  • 10 POSTS
Got both O2 sensors disconnected and I don't have a CEL light still. Car wont start up, and fuse stays in tact.
Was this
answer
helpful?
Yes
No
Wednesday, March 4th, 2020 AT 2:15 PM
Tiny
AL514
  • MECHANIC
  • 5,595 POSTS
So the engine fuse isn't blowing now? With the key on?
Was this
answer
helpful?
Yes
No
Wednesday, March 4th, 2020 AT 2:35 PM
Tiny
APARTABYSS
  • MEMBER
  • 10 POSTS
Correct its not blowing anymore, but its also not showing me the CEL light with both O2 sensors connected or disconnected

I also want to mention, it doesn't blow unless the car starts as of right now.
Was this
answer
helpful?
Yes
No
Wednesday, March 4th, 2020 AT 2:39 PM
Tiny
AL514
  • MECHANIC
  • 5,595 POSTS
Well, for now I was just trying to find the short that popping that fuse. So the fuse does blow if you try to start the car? Finding the short is first priority because it powers up part of the ECM.
Was this
answer
helpful?
Yes
No
Wednesday, March 4th, 2020 AT 3:26 PM
Tiny
APARTABYSS
  • MEMBER
  • 10 POSTS
As of right now, no it does not blow even if I reconnect the O2 sensor it doesn't blow.
Was this
answer
helpful?
Yes
No
Wednesday, March 4th, 2020 AT 3:27 PM
Tiny
AL514
  • MECHANIC
  • 5,595 POSTS
That means you may have moved the shorted wire while you were plugging the 02's back in. Check the wiring harness for the 02's around the exhaust and exhaust manifold. Where ever the harness runs along the frame or exhaust, you may find a metaled part of the harness.
Was this
answer
helpful?
Yes
No
Wednesday, March 4th, 2020 AT 3:33 PM
Tiny
AL514
  • MECHANIC
  • 5,595 POSTS
Here is the wiring diagram for these circuits:
Was this
answer
helpful?
Yes
No
Wednesday, March 4th, 2020 AT 4:02 PM
Tiny
APARTABYSS
  • MEMBER
  • 10 POSTS
These circuits are appear to be fine too.
Was this
answer
helpful?
Yes
No
Sunday, March 8th, 2020 AT 8:44 AM
Tiny
AL514
  • MECHANIC
  • 5,595 POSTS
Okay, so as of right now, you have a crank but no start and check engine light not coming on when you turn the key to run position. I'm going to pull up all the necessary wiring diagrams and I'll talk you through all the testing procedures. Do you have a test light and multi-meter? We have to get that ECM powered back up. But in the meantime take a good close look at the fuse box that the 15 amp engine fuse is in, make sure there's no corrosion on the back side of that fuse panel. I've seen many fuse/relay boxes with corrosion under the box that's not visible from up top causing all kinds of problems, check that while I get all the wiring diagrams ready. You should be able to unbolt the fuse box and see underneath. You're going to have to locate the ECM as well because we're going to be doing some testing at the ECM harness plug. One other check I need you to do is at the oxygen sensor, either one, with the key on check the black/white wire for 12 volts. This is the heater circuit for the oxygen sensor. One other check, with the main relay removed, 2 of the pins should have 12 volts present.
Was this
answer
helpful?
Yes
No
Monday, March 9th, 2020 AT 4:45 AM
Tiny
AL514
  • MECHANIC
  • 5,595 POSTS
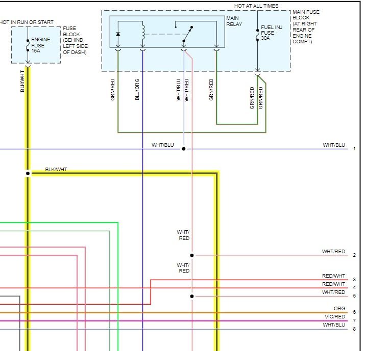
Here are the diagrams for all the circuits related to Engine Fuse 15 amp. But the first thing I need you to do is the last diagram that reads about checking the TPS for 5 volts, this is very important. Then go to the 6th diagram is where you need to check that the ECM is being powered up, You will have to back probe the connector and see if 12 volts is present. With the way the fuse keeps blowing and then not blowing, it sounds like you have wires either touching metal at some contact point with the frame or you have wires that have melted together. But check the ECM for power first. As you can see from the 2nd diagram, that Engine Fuse also powers up the ignition coils among other things. Also the ROOM fuse 10 amp powers up the ECM as well, so when checking the fuses make sure the fuse has power on both sides of it.

https://www.2carpros.com/articles/how-to-use-a-test-light-circuit-tester
https://www.2carpros.com/articles/how-to-check-wiring
https://www.2carpros.com/articles/how-to-check-an-electrical-relay-and-wiring-control-circuit
https://www.2carpros.com/articles/how-to-check-a-car-fuse
Let me know what you find, make sure to check the back of the fuse panel as well for corrosion.
Was this
answer
helpful?
Yes
No
Monday, March 9th, 2020 AT 11:32 AM

Please login or register to post a reply.