Tuesday, December 14th, 2021 AT 3:50 PM
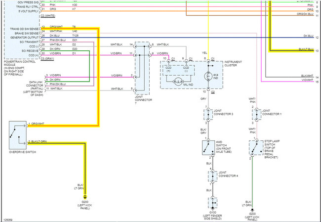
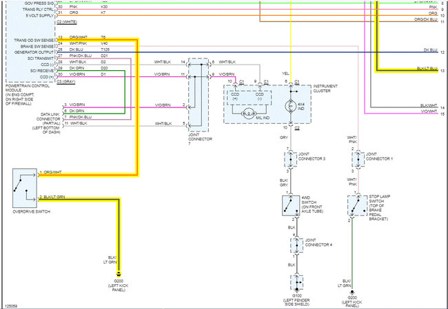
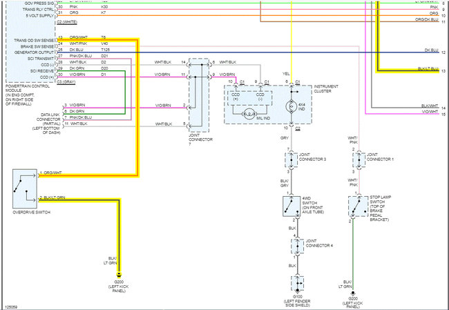
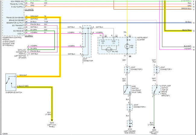
So, I recently replaced a bad transmission with one out of another truck and I took the PCM for that transmission and put in. Truck ran fine for about three days no issues but then it stalled and didn’t want to start back after about 30 minutes it start up no issues then the next day it stalls again and read no bus and the codes read on the dash 920 and 921. Could I swap the old PCM back on to fix the problem?







