The brake lights do not work with the headlights on

Tiny
T. LANDERS
  • MEMBER
  • 2000 DODGE RAM
  • 8.0L
  • V10
  • 4WD
  • 175,000 MILES
The truck listed above is a 2500 SLT V10. I switched the brake lights to LED bulbs. The brake lights will not work when I turn on the headlight switch. They both work fine without the headlights on. All fuses good. All the bulbs are new. I also changed back to regular original bulbs to see if that would fix the issue. It did not. Everything worked okay before the bulb upgrade. Any ideas?
Thanks
Tuesday, February 15th, 2022 AT 7:56 AM

1 Reply

Tiny
WENDY W
  • MECHANIC
  • 86 POSTS
Hello!

It sounds like there may be a weak ground in the brake light circuit, which could cause the issue you are describing.

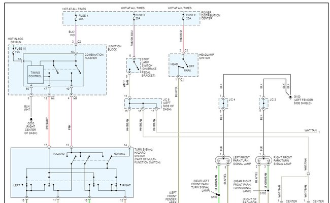
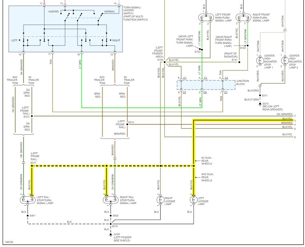
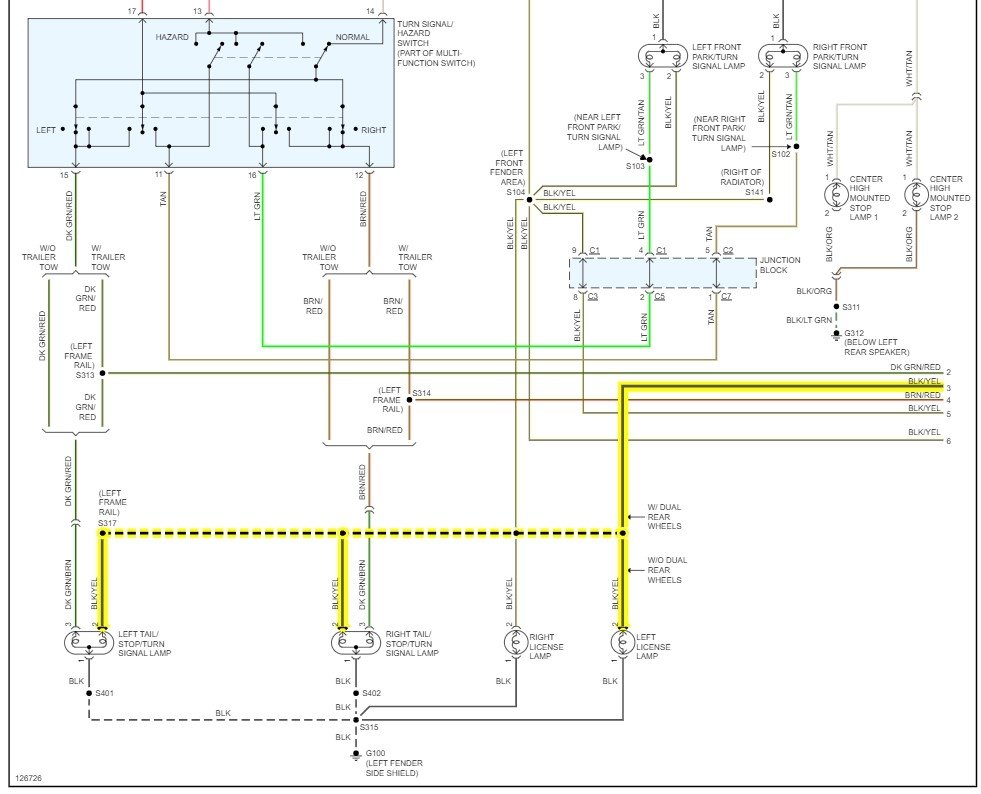
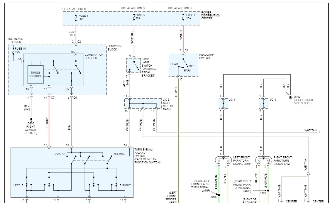
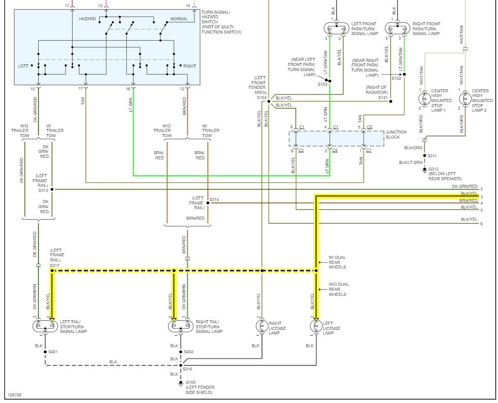
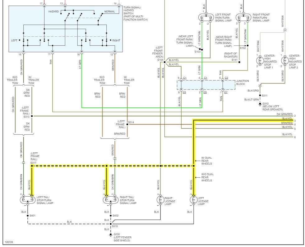
With the headlights on, you may want to use a test light to check for both power and ground at the brake light socket. Please check out the diagrams (below) of the exterior light circuits. The schematic is on two pages. The highlighted portion shows the ground side of the brake light circuit.

Here are a couple of repair guides and a video that can help you with those tests:

https://www.2carpros.com/articles/how-to-use-a-test-light-circuit-tester

https://www.2carpros.com/articles/how-to-check-wiring

https://youtu.be/Hlna_kUt7As

Please let us know what you find, and we would be happy to offer further assistance.

Thanks, Wendy W
Was this
answer
helpful?
Yes
No
Wednesday, February 16th, 2022 AT 6:18 AM

Please login or register to post a reply.