The brake lights and rear turn signals do not work?

Tiny
DRANMA
  • MEMBER
  • 2007 CHEVROLET MALIBU
  • 4 CYL
  • 2WD
  • AUTOMATIC
  • 220,000 MILES
The brake lights and rear turn signals don't work but the middle brake light works, the front blinkers blink fast. The taillights work, and the reverse lights work. I changed the bulbs and still don't work. They went out different times. I need to know what is going on.
Sunday, December 17th, 2023 AT 4:11 PM

1 Reply

Tiny
KEN L
  • MASTER CERTIFIED MECHANIC
  • 55,522 POSTS
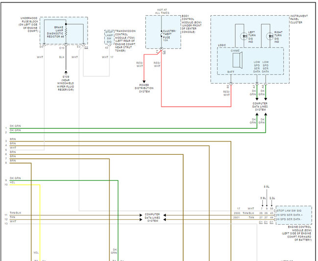
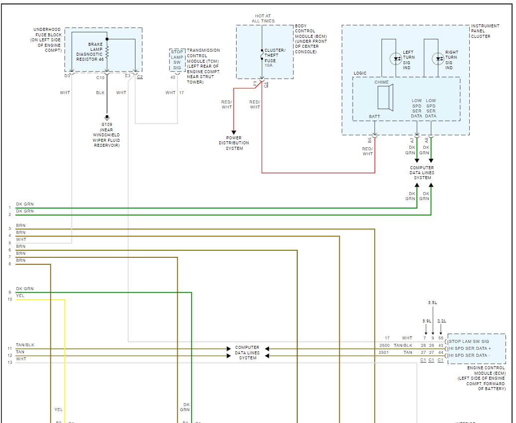
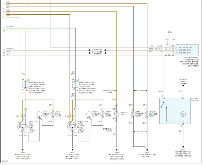
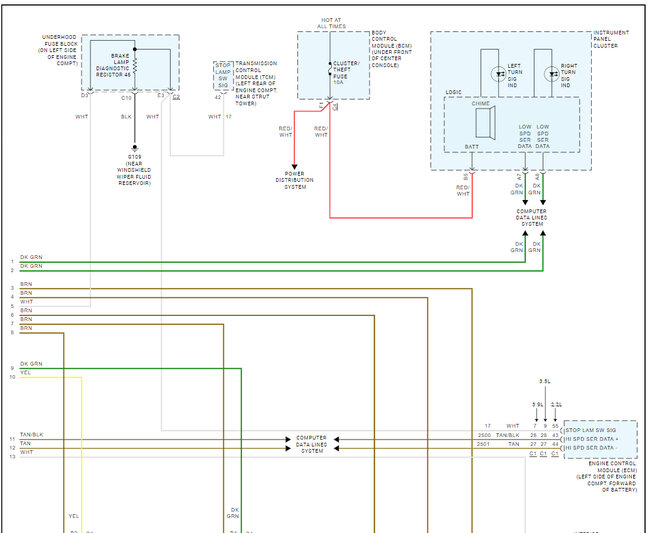
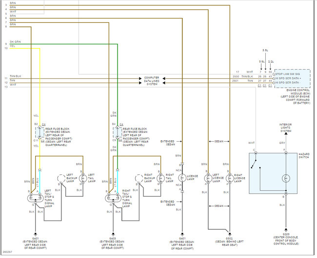
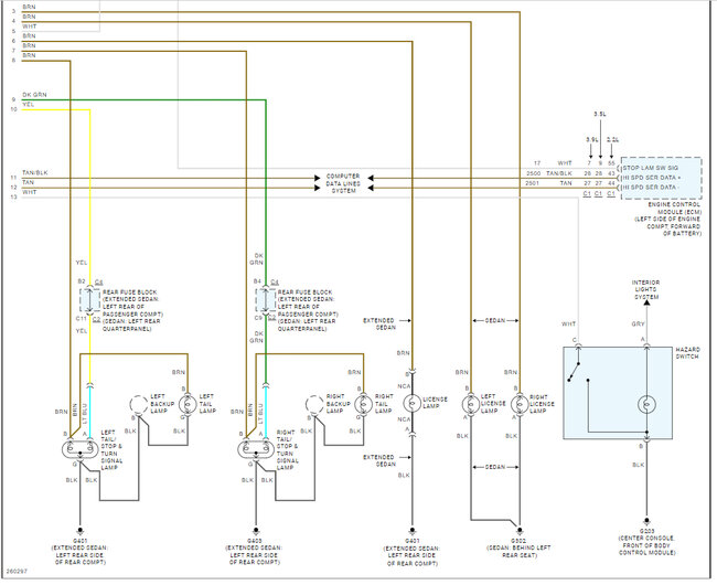
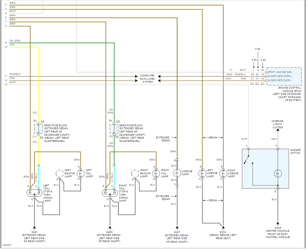
These lights are controlled by the BCM which sounds like it is going out, but we should check the grounds for the light in the rear lights G403 which is located at the left rear of the rear compartment. If this ground is off, loosened, or broken it will cause the problem you have described.

This guide can help you see what I am talking about:

https://www.2carpros.com/articles/brake-lights-not-working

and

https://www.2carpros.com/articles/turn-signals-not-working-blinker

If the ground is okay here are the wiring diagrams for the brake and turn signals and I have included how to change the BCM out, you can get a preprogrammed unit by searching Google or Ebay.

Also, a CAN scan could produce a trouble code for the BCM which will help us confirm the problem. You can get a CAN scanner (Controller Area Network) which will work on most cars from Amazon.

Here is a video to show you how:

https://youtu.be/u-4syLc-ifQ

Check out the images (below). Please let us know what happens.
Was this
answer
helpful?
Yes
No
Monday, December 18th, 2023 AT 11:35 AM

Please login or register to post a reply.