No air blowing through vents

Tiny
ANDYB25
  • MEMBER
  • 2008 KIA SPORTAGE
  • 2.0L
  • TURBO
  • 4WD
  • MANUAL
  • 100,000 MILES
Blower is working but no air is coming trough the vents to demist the windscreen.
Friday, January 22nd, 2021 AT 1:30 AM

1 Reply

Tiny
ASEMASTER6371
  • MECHANIC
  • 52,796 POSTS
Good morning,

I attached the procedure for the mode actuator. It directs air through the different modes.

https://www.2carpros.com/articles/replace-blend-door-motor

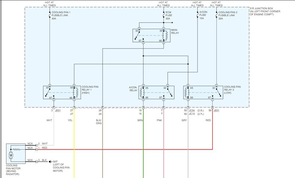
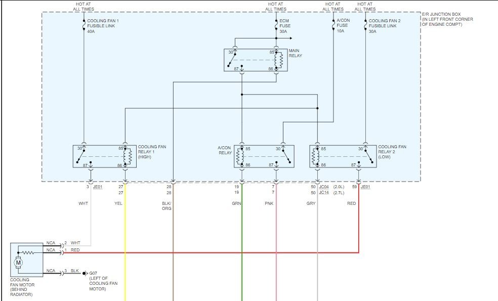
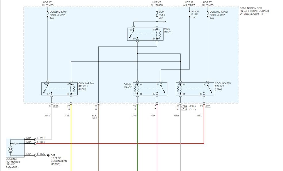
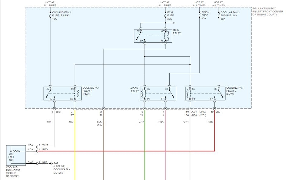
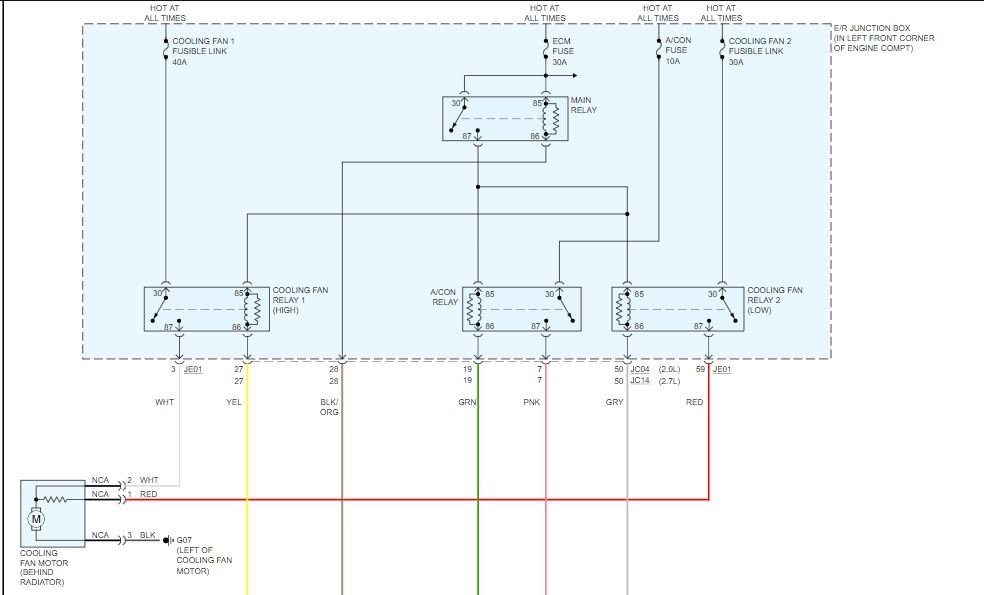
I also attached the wiring diagram for the blower motor as well in case it is not blowing fast enough.

https://www.2carpros.com/articles/how-to-check-wiring

Roy

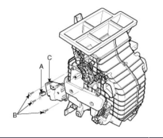
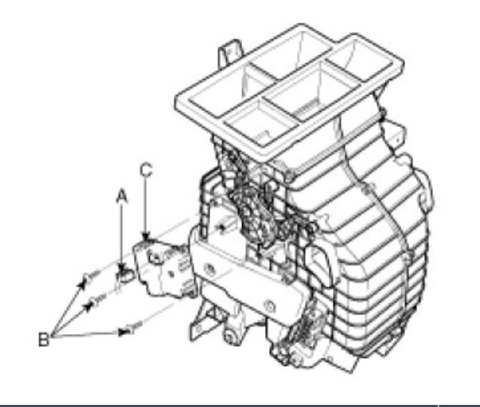
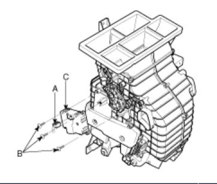
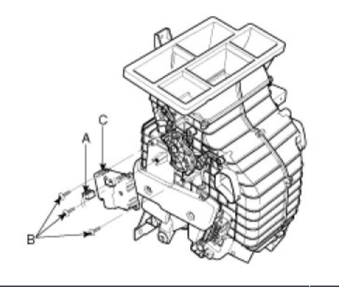
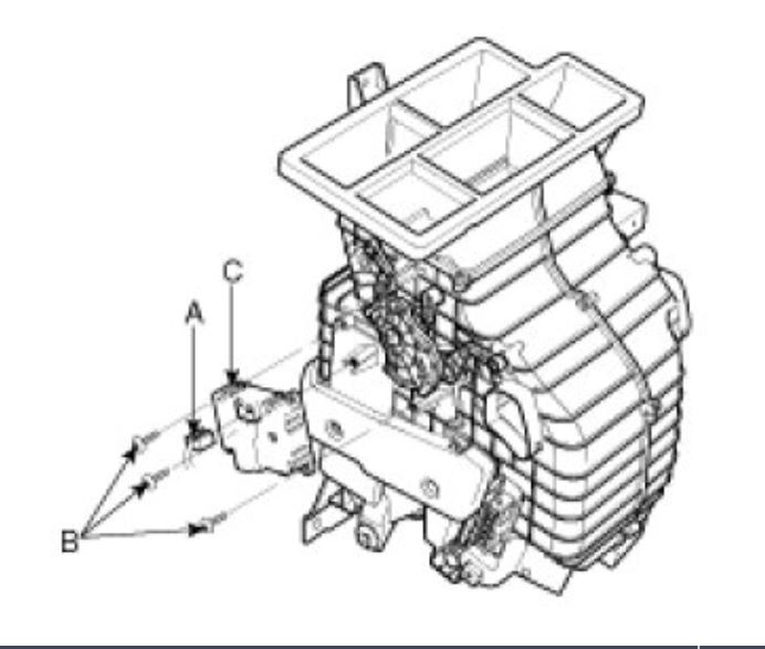
REPLACEMENT

1. Disconnect the negative (-) battery terminal.
2. Remove the lower crush panel .
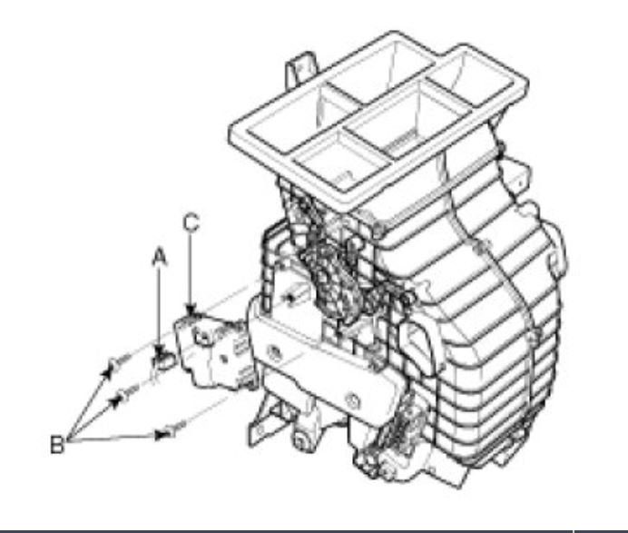
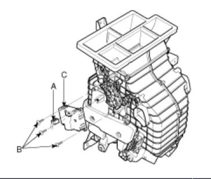
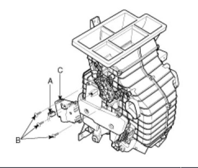
3. Disconnect the connector (A) of mode control actuator after removing the air duct.
4. Loosen the mounting screws (B) and then remove the mode control actuator (C).

imageOpen In New TabZoom/Print

5. Install in the reverse order of removal.
Was this
answer
helpful?
Yes
No
Friday, January 22nd, 2021 AT 4:15 AM

Please login or register to post a reply.