Alternator Not Charging

Tiny
JETAIRAC
  • MEMBER
  • 1997 NISSAN TRUCK
Electrical problem 4 cyl Two Wheel Drive Manual 135000 miles

I have a 1997 Nissan Pickup that will not charge the battery. I have replaced the battery and the alternator and both test good. Can anyone help?
Thursday, August 27th, 2009 AT 8:32 PM

16 Replies

Tiny
MHPAUTOS
  • MECHANIC
  • 31,937 POSTS
There are two fuses and a fusible link that need to be checked to make sure they are not blown.

Here are a couple of guides and a alternator wiring diagram so you can do some quick tests.

https://www.2carpros.com/articles/how-to-check-a-car-fuse

and

https://www.2carpros.com/articles/how-to-use-a-test-light-circuit-tester

Please let us know what you find.

Cheers
Was this
answer
helpful?
Yes
No
+5
Thursday, August 27th, 2009 AT 8:38 PM
Tiny
RASMATAZ
  • MECHANIC
  • 75,992 POSTS
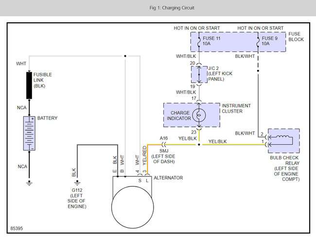
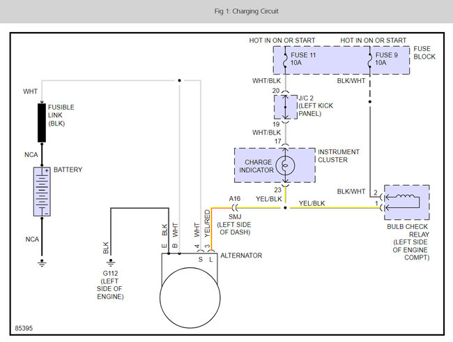
Check fuse no. 9 and 11 if okay-look at the charge system EWD

If both tested good than you have a wiring problem or the charge indicator


https://www.2carpros.com/forum/automotive_pictures/12900_nissan_charge_1.jpg

Was this
answer
helpful?
Yes
No
+22
Thursday, August 27th, 2009 AT 8:38 PM
Tiny
JETAIRAC
  • MEMBER
  • 4 POSTS
The output at the alternator is the same as at the battery. It is about 12.8.
Was this
answer
helpful?
Yes
No
+7
Friday, August 28th, 2009 AT 11:52 AM
Tiny
RASMATAZ
  • MECHANIC
  • 75,992 POSTS
If this reading is being recorded while engine is idling its not charging-get the alternator tested again. It sounds like it is defective.

Here is a good unit from Amazon for $159.00

https://www.amazon.com/gp/product/B01L01MSOS/ref=as_li_qf_sp_asin_il_tl?ie=UTF8&tag=2carprcom-20&camp=1789&creative=9325&linkCode=as2&creativeASIN=B01L01MSOS&linkId=1b63e6c831926ecbdc753d48fd7317db

Cheap one don't work most of the time.

Was this
answer
helpful?
Yes
No
+6
Friday, August 28th, 2009 AT 1:39 PM
Tiny
JETAIRAC
  • MEMBER
  • 4 POSTS
The Alternator was tested yesterday and it was putting out 15 volts on the testing machine. I installed a NEW one yesterday and that one tested at 15 volts on the machine but only 12 volts in the truck as well. I dont understand how this can be happening, but it is.
Was this
answer
helpful?
Yes
No
+7
Friday, August 28th, 2009 AT 3:11 PM
Tiny
RASMATAZ
  • MECHANIC
  • 75,992 POSTS
Disconnect the alternator and check for power at the yellow and red wire do you have it if not check the charge indicator and check bulb relay-
Was this
answer
helpful?
Yes
No
+3
Friday, August 28th, 2009 AT 3:42 PM
Tiny
JETAIRAC
  • MEMBER
  • 4 POSTS
The Charge Indicator light comes on with the key as it is supposed to, and then is extinguished once the car is started. The Bulb relay is another story, how do I test this relay?
Was this
answer
helpful?
Yes
No
+6
Friday, August 28th, 2009 AT 4:06 PM
Tiny
RASMATAZ
  • MECHANIC
  • 75,992 POSTS
Do you have a multi meter if so the coil side should read 40-80ohms, switch side infinite no meter swap it with a like one.

Here is a guide that will help

https://www.2carpros.com/articles/how-to-check-an-electrical-relay-and-wiring-control-circuit

Please let us know what you find.

Cheers
Was this
answer
helpful?
Yes
No
-1
Friday, August 28th, 2009 AT 5:23 PM
Tiny
STR8ST
  • MEMBER
  • 1 POST
  • 1997 NISSAN TRUCK
  • 2.4L
  • 4 CYL
  • 170,000 MILES
The battery light comes on when I turn on the ignition. But when the battery dies the ABS light comes on and the battery light does not.

It's charging maybe a volt or two but not enough to keep up with headlights or windshield wipers.

I checked the fuses 9 and 11 and I checked the fusible links. The battery charges on a charger to a perfect 12/6. When the battery is fully charged the alternator is putting out 14.4 volts. But over the. Of a couple of days it dies.

I've read all the previous post I believe and I seen something about an indicator but I don't know how to deal with that. Also read somewhere there's an additional diode on it left firewall. That's facing the truck by the way. Is the right side from the driver seat.

I'm just one person and I don't really have any help and this vehicle is so poorly designed that you can't reach anything. However it's basically doing the same thing it was doing before I put the alternator on except the voltage is just a little bit higher. So, I assume I got a good alternator. I've put a code reader on it I'm getting no codes. I've checked everything for corrosion. The only thing I did not do was put a multi-meter on the stud on the back of the alternator to make sure it was good. I plan to do that soon. However I'm working 6 days a week and I'm just overwhelmed.
Was this
answer
helpful?
Yes
No
Tuesday, January 19th, 2021 AT 5:51 PM (Merged)
Tiny
ASEMASTER6371
  • MECHANIC
  • 52,796 POSTS
Good morning.

Does your meter have an amp clamp to measure current output back to the battery? You need this to monitor the output.

The other possibility is the belt and tensioner. If you have a loose belt or bad tensioner, you will have voltage but very low current output.

Verify that both white wires at the back of the alternator have battery voltage as well. Check the fuses I highlighted.

Lastly, when you check the charge rate with the engine running, switch your volt reading to AC volts and see if you have a reading.

Roy
Was this
answer
helpful?
Yes
No
Tuesday, January 19th, 2021 AT 5:51 PM (Merged)
Tiny
CHARLES CRAIG
  • MEMBER
  • 2 POSTS
  • 1996 NISSAN TRUCK
  • 2.4L
  • 4 CYL
  • 4WD
  • MANUAL
  • 77 MILES
Second alternator, new battery, alternator does not charge at all, charging warning light never comes on, the bulb in dash in fine have checked that but warning light does not even light up when key is just in on position. Is there a relay for this warning light?
Was this
answer
helpful?
Yes
No
+1
Tuesday, January 19th, 2021 AT 5:51 PM (Merged)
Tiny
JACOBANDNICKOLAS
  • MECHANIC
  • 110,192 POSTS
Hello,

There is a fuse #9 and #11 and the battery light must work as well here is the alternator wiring diagrams so you can see how the system works and the fuse locations with a guide to help you check for power.

https://www.2carpros.com/articles/how-to-check-a-car-fuse

Check out the diagrams (Below). Please let us know what you find. We are interested to see what it is.
Was this
answer
helpful?
Yes
No
+1
Tuesday, January 19th, 2021 AT 5:51 PM (Merged)
Tiny
CHARLES CRAIG
  • MEMBER
  • 2 POSTS
Fusible link checks good with ohm meter so I checked the fuses and found corrosion on #11 cleaned it all up charges great! I love this site.
Was this
answer
helpful?
Yes
No
-1
Tuesday, January 19th, 2021 AT 5:51 PM (Merged)
Tiny
JACOBANDNICKOLAS
  • MECHANIC
  • 110,192 POSTS
Glad you could get it fixed, that kind of problem can be tough. Please use 2CarPros anytime we are here to help.
Was this
answer
helpful?
Yes
No
-1
Tuesday, January 19th, 2021 AT 5:51 PM (Merged)
Tiny
RICH DITTMER
  • MEMBER
  • 0 POST
Not sure why I'm unable to view your reply? I did locate the fusible link (ohm checked good). Upon further troubleshooting discovered connector on top of alternator was not locked which broke the ground connection to battery lamp. Locked it into place and works great now. Thank you!
Was this
answer
helpful?
Yes
No
Wednesday, January 20th, 2021 AT 6:21 AM
Tiny
KEN L
  • MASTER CERTIFIED MECHANIC
  • 55,322 POSTS
Nice work, we are here to help, please use 2CarPros anytime.
Was this
answer
helpful?
Yes
No
Wednesday, January 20th, 2021 AT 9:49 AM

Please login or register to post a reply.