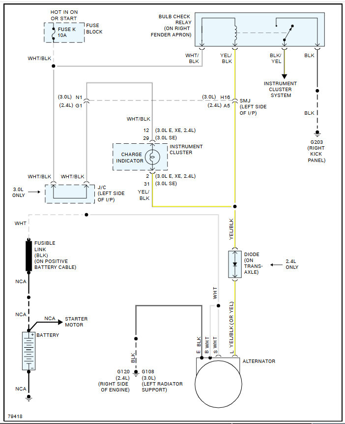
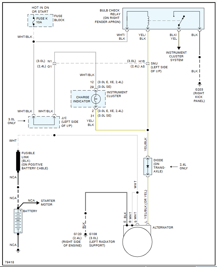
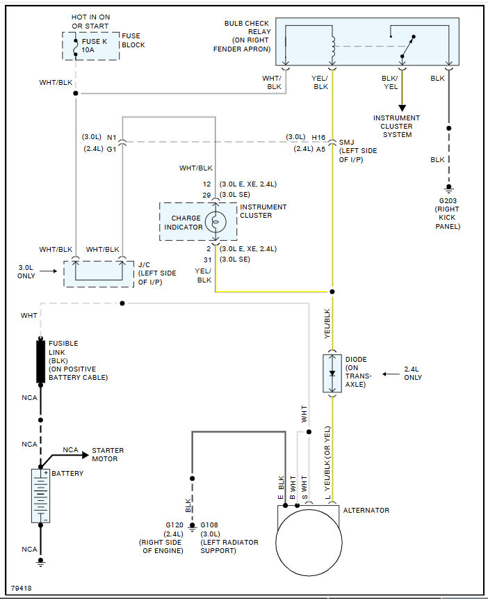
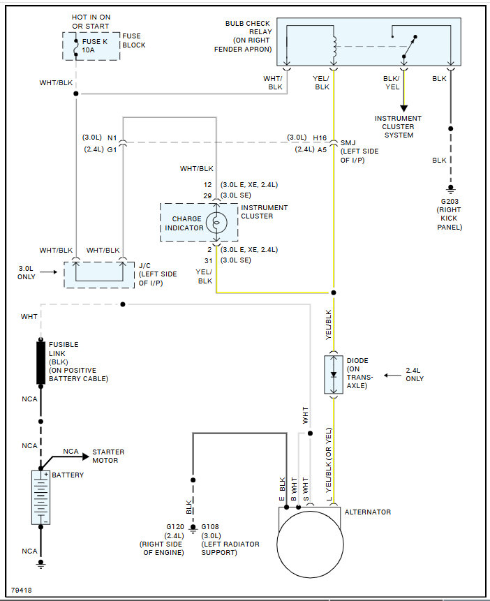
I'm installing an alternator in a 1990 Nissan pickup, 2.4 (130k miles) and want to be sure I have the wiring correct. Where might I find a picture, diagram or schematic?
Thanks for your help,
Kestrel
Thanks for your help,
Kestrel
Apr 4, 2007 at 5:04 PM
