Monday, January 23rd, 2006 AT 6:25 PM
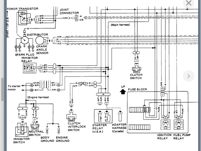
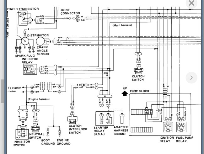
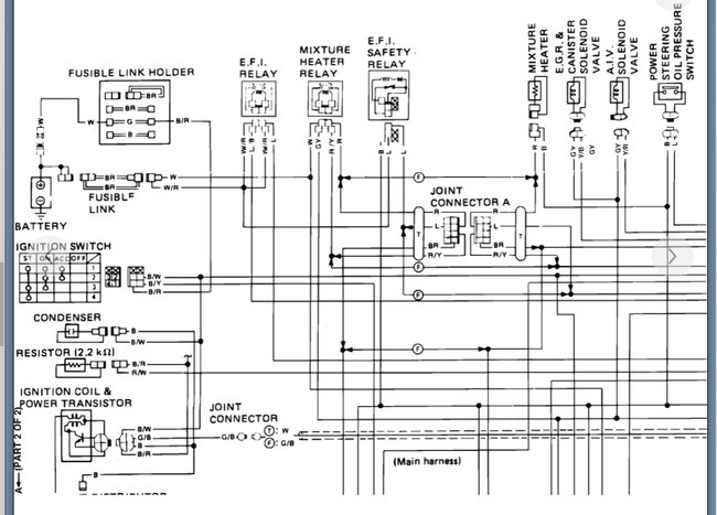
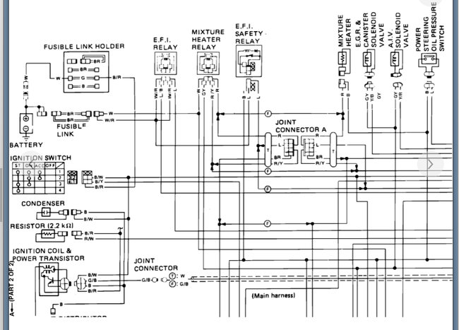
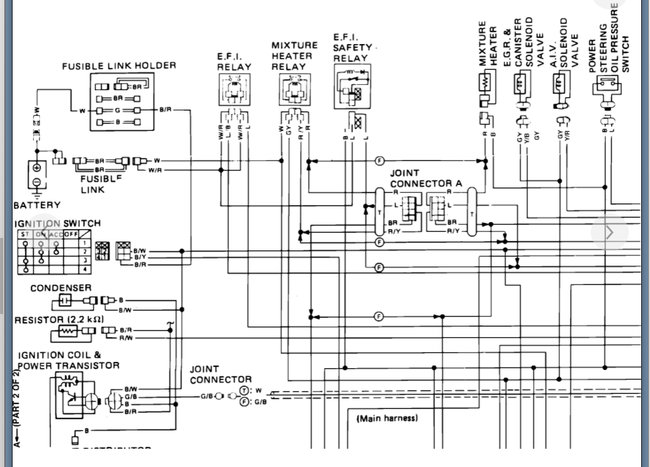
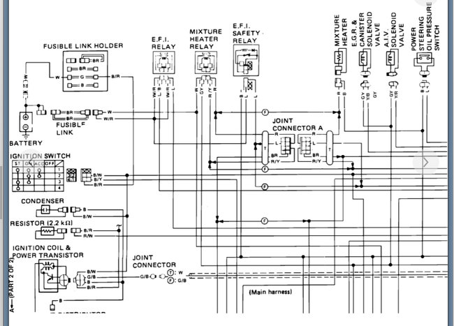
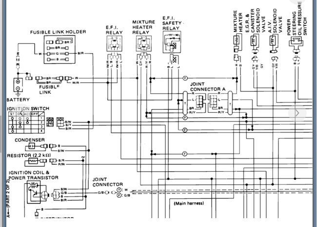
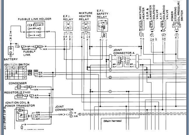
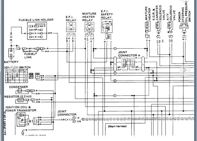
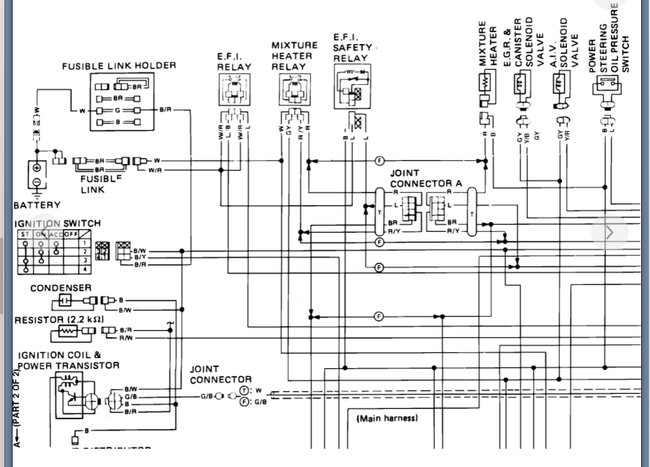
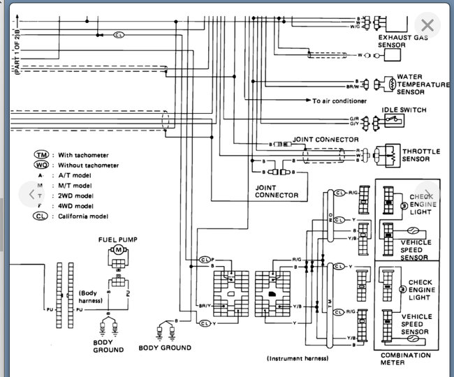
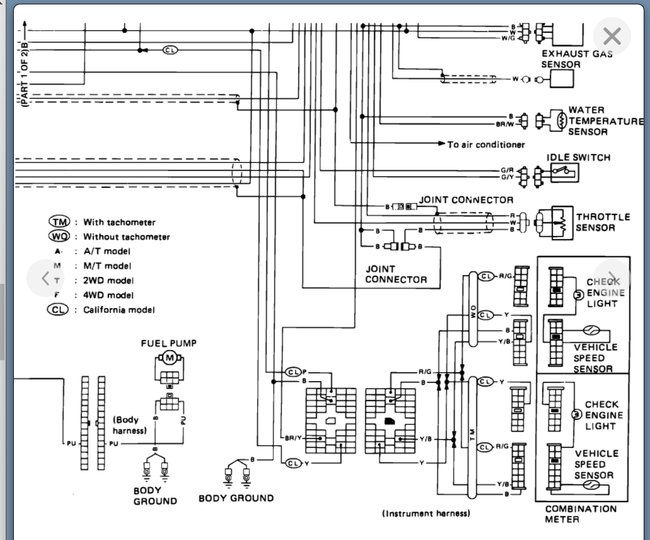
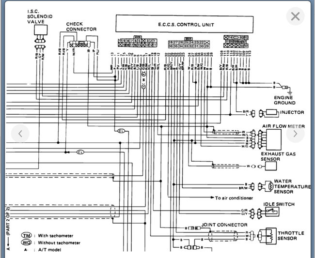
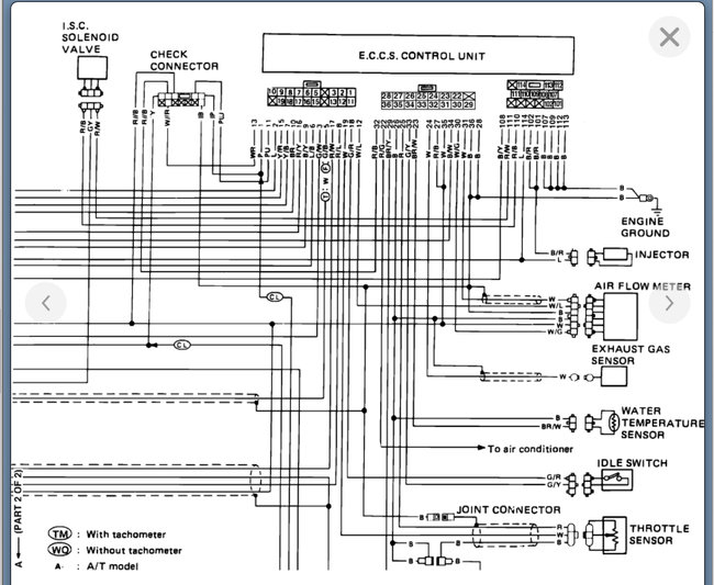
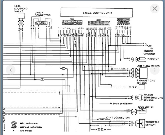
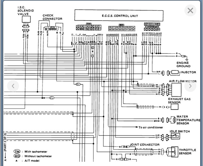
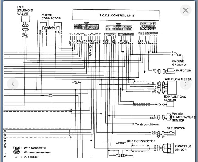
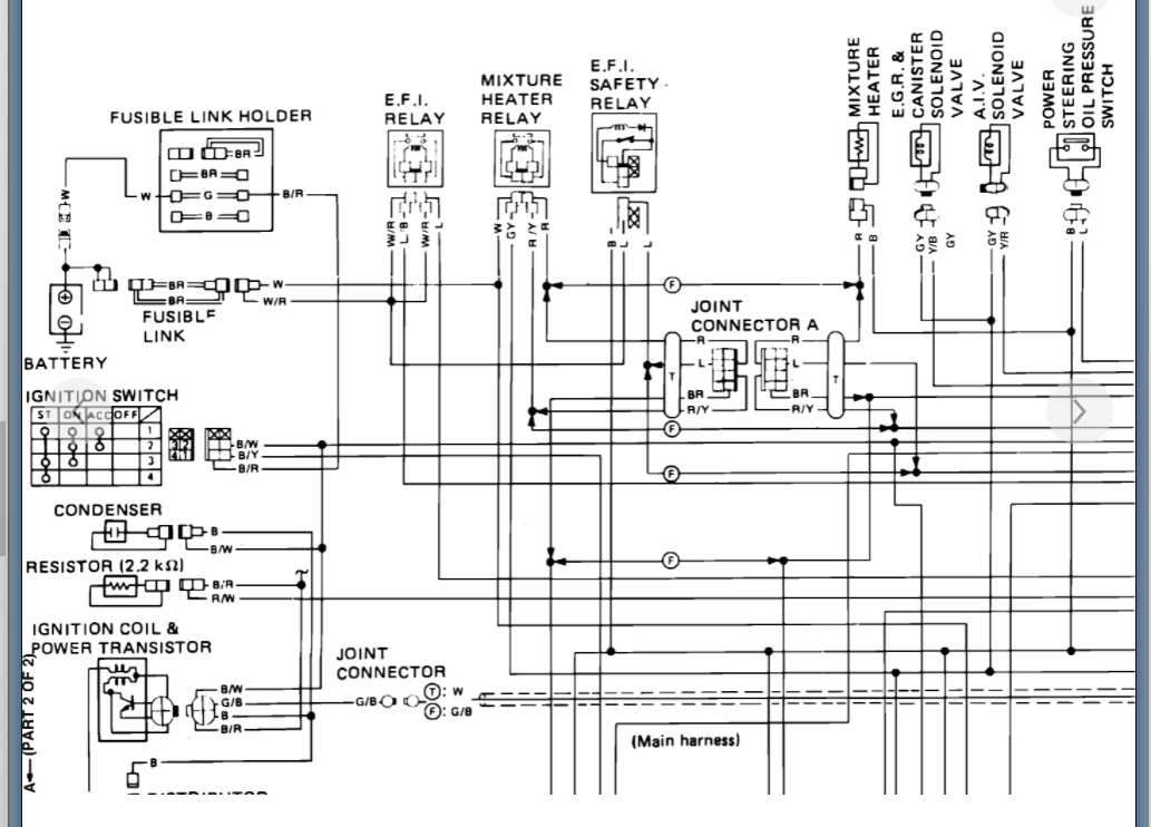
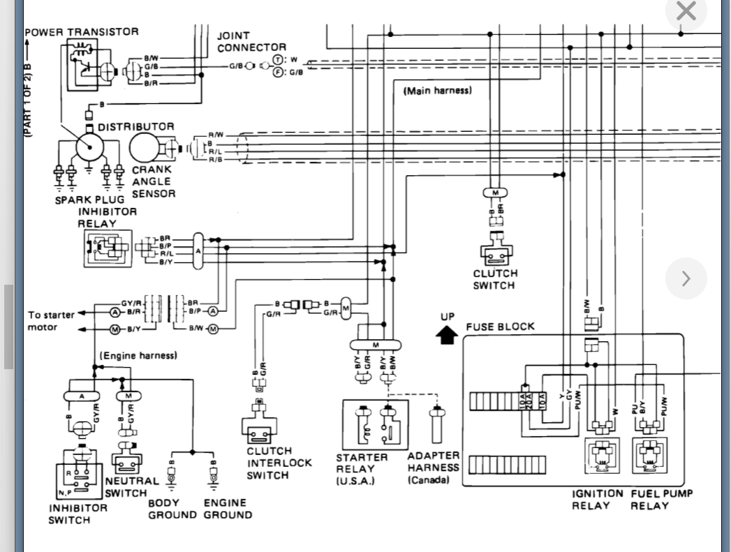
1988 Nissan Sentra, 98,000 miles. Has no spark to spark plugs. Replaced coil, power transistor, distributor cap, rotor, plugs, wires. Crank Angle Sensor (distributor) checks out ok. But, when I tried to check for bad codes on the E.C.M. Computer, there were no led lights showing at all. Checked ECCS fuse, fusible link, all ok. Replacing the ECM is expensive, how do I know if it is really not working at all? Nissan was no help at all. Thanks.




