Cranks will not start

Tiny
CIARA VANLANDINGHAM
  • MEMBER
  • 25 POSTS
The engine always had spark it just not popping off and the fuel pump was not checking on.
Was this
answer
helpful?
Yes
No
Tuesday, May 15th, 2018 AT 11:12 AM
Tiny
CIARA VANLANDINGHAM
  • MEMBER
  • 25 POSTS
It always crank.
Was this
answer
helpful?
Yes
No
Tuesday, May 15th, 2018 AT 11:13 AM
Tiny
CIARA VANLANDINGHAM
  • MEMBER
  • 25 POSTS
And my check engine light has not been on this whole time.
Was this
answer
helpful?
Yes
No
Tuesday, May 15th, 2018 AT 11:28 AM
Tiny
KEN L
  • MASTER CERTIFIED MECHANIC
  • 53,733 POSTS
When you turn the key to the on position without starting the engine does the check engine light come on?
Was this
answer
helpful?
Yes
No
Tuesday, May 15th, 2018 AT 11:49 AM
Tiny
CIARA VANLANDINGHAM
  • MEMBER
  • 25 POSTS
No, it does not. I was thinking it could be the oil pressure sensor and I was also wondering if there is a fuel pump switch?
Was this
answer
helpful?
Yes
No
Tuesday, May 15th, 2018 AT 11:50 AM
Tiny
KEN L
  • MASTER CERTIFIED MECHANIC
  • 53,733 POSTS
Okay, we are getting closer. When you run the codes did any come up? Also, lets check the fuses #12 and #19 to see if they have power with the key on?

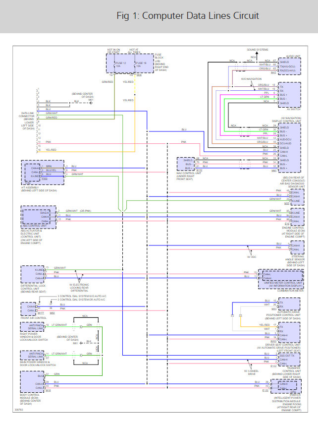
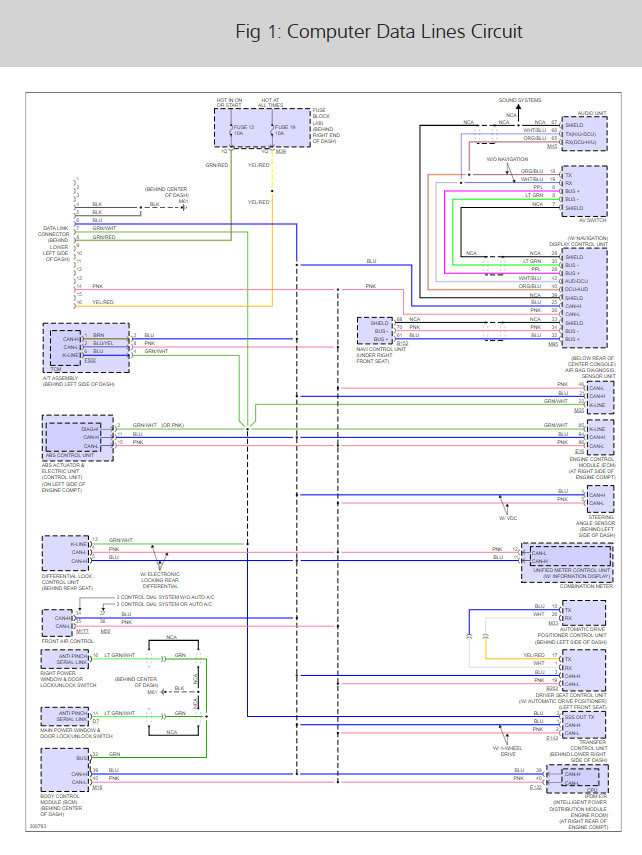
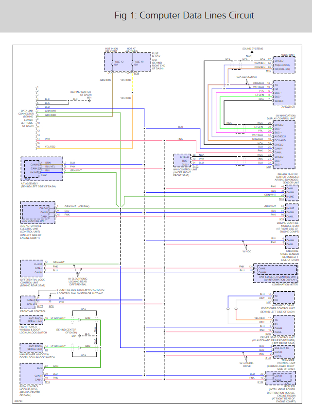
Here is a wiring diagram to help you see how the ALDL is wired

Check out the diagrams (below). Please run this test and get back to us.

Cheers, Ken
Was this
answer
helpful?
Yes
No
+1
Tuesday, May 15th, 2018 AT 5:39 PM
Tiny
CIARA VANLANDINGHAM
  • MEMBER
  • 25 POSTS
I do not have a machine to check the codes and I tried to bring it to AutoZone but they said they could not check my codes because I did not have a check engine light on. Is there a machine I can buy to check the codes even though I do not have a check engine light?
Was this
answer
helpful?
Yes
No
Thursday, May 17th, 2018 AT 9:46 AM
Tiny
CIARA VANLANDINGHAM
  • MEMBER
  • 25 POSTS
I do know that when I put the key in the ignition switch my windows are able to roll down my doors are able to lock and all the lights come on in the inside. I can crank it but it does not pop off, so could it be because there is no power going to the switch?
Was this
answer
helpful?
Yes
No
Thursday, May 17th, 2018 AT 9:58 AM
Tiny
KEN L
  • MASTER CERTIFIED MECHANIC
  • 53,733 POSTS
Did you check the fuses #12 and #19 with the key on to see if they have power?
Was this
answer
helpful?
Yes
No
Thursday, May 17th, 2018 AT 10:14 AM
Tiny
CIARA VANLANDINGHAM
  • MEMBER
  • 25 POSTS
I am trying to find them.
Was this
answer
helpful?
Yes
No
Thursday, May 17th, 2018 AT 10:15 AM
Tiny
KEN L
  • MASTER CERTIFIED MECHANIC
  • 53,733 POSTS
There are in the under dash fuse panel check out the fuse location and ID in the post on the previous page.
Was this
answer
helpful?
Yes
No
Thursday, May 17th, 2018 AT 10:22 AM
Tiny
CIARA VANLANDINGHAM
  • MEMBER
  • 25 POSTS
Okay, I checked those two fuses and they were fine, I am sending you a diagram of what my fuse panel looks like and also I never noticed this before but when I went to start the truck after this sign flashed saying at engine and then it went away.
Was this
answer
helpful?
Yes
No
Thursday, May 17th, 2018 AT 10:53 AM
Tiny
CIARA VANLANDINGHAM
  • MEMBER
  • 25 POSTS
These are the images.
Was this
answer
helpful?
Yes
No
Thursday, May 17th, 2018 AT 11:00 AM
Tiny
KEN L
  • MASTER CERTIFIED MECHANIC
  • 53,733 POSTS
Was this truck in a flood by chance? It sounds like the PCM is bad. I would do a pin to pin check on the wiring and then try a new PCM a shop may need to program it for you. I would try a used one to see what happens you can get one from a wrecking yard.
Was this
answer
helpful?
Yes
No
Friday, May 18th, 2018 AT 9:29 AM
Tiny
CIARA VANLANDINGHAM
  • MEMBER
  • 25 POSTS
Never flooded. What PCM?
Was this
answer
helpful?
Yes
No
Friday, May 18th, 2018 AT 9:41 AM
Tiny
KEN L
  • MASTER CERTIFIED MECHANIC
  • 53,733 POSTS
The PCM (ECM same thing ) is the engine computer. Here is the location.
Was this
answer
helpful?
Yes
No
Friday, May 18th, 2018 AT 9:55 AM
Tiny
CIARA VANLANDINGHAM
  • MEMBER
  • 25 POSTS
Is there a way to check if it this or IPDM?
Was this
answer
helpful?
Yes
No
Friday, May 18th, 2018 AT 4:04 PM
Tiny
CIARA VANLANDINGHAM
  • MEMBER
  • 25 POSTS
And also I was wondering I had a friend look at it and he told me it could be the oil pressure sensor which is not allowed in the fuel pump to kick on or he told me it could be the catalytic converter. So before I replace the computer I was wondering what your thoughts were on this? Personally I think it's the oil pressure sensor.
Well at least that is what I am praying it is, but again I wanted to get your feedback on this.
Was this
answer
helpful?
Yes
No
Friday, May 18th, 2018 AT 5:04 PM
Tiny
KEN L
  • MASTER CERTIFIED MECHANIC
  • 53,733 POSTS
The engine should at least fire up for a little bit if it were the oil pressure sender. As far as the IPDM it is all about checking the wiring to makes sure it all good. It is difficult to test the computer unless you send it to a re-builder.
Was this
answer
helpful?
Yes
No
Saturday, May 19th, 2018 AT 9:01 AM
Tiny
BEARBAT
  • MEMBER
  • 2 POSTS
  • 2008 NISSAN TITAN
  • 130,000 MILES
I have 80 titan truck engine turns over but wont start I already it tow to the dealer they got the truck started but they didn t know what was wrong and know its the same. I think it may be the computer but I dont know, the truck is experiencing little glitches inside the cab my revs beeper turns on and off when it wants I sprayed brake cleaner to try starting it it was spinning faster but never caught.
Was this
answer
helpful?
Yes
No
Wednesday, January 8th, 2020 AT 1:01 PM (Merged)

Please login or register to post a reply.

Related Engine Not Running Content