Can I get brake Master cylinder replacement instructions?

Tiny
JULIEANN3003
  • MEMBER
  • 2006 NISSAN PATHFINDER
Just bought this car from arnold clark and next day there was a warning the brake master needed to be replaced. Thanks.
Friday, August 8th, 2008 AT 5:06 PM

1 Reply

Tiny
DANNY L
  • MECHANIC
  • 5,648 POSTS
Hello, I'm Danny.

Here is the information you requested. Here are a few tutorials for you to view on how to replace a brake master cylinder and how to bleed the system after the repair has been made:

https://www.2carpros.com/articles/how-to-replace-a-brake-master-cylinder

https://www.2carpros.com/articles/how-to-bleed-or-flush-a-car-brake-system

Since you are installing a new brake master cylinder it would be best to bench bleed the unit before installation to remove air from the new unit prior to installation on the vehicle. Here is a YouTube tutorial from our site showing how to do so:

https://youtu.be/WDxvEQrMkBg

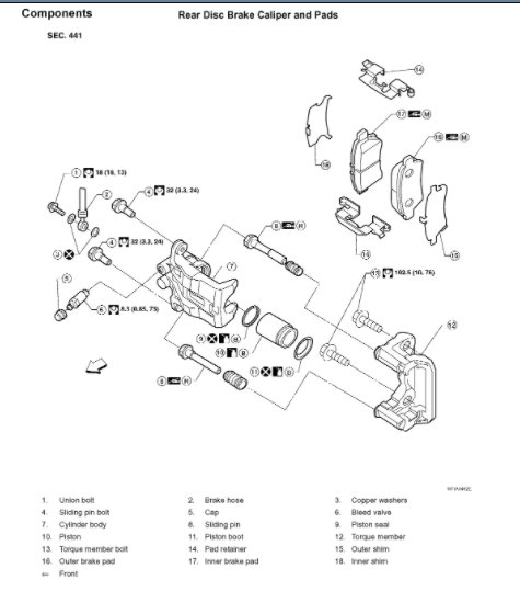
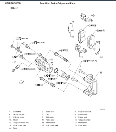
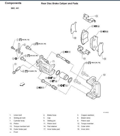
I've attached picture steps below on how to replace the brake master cylinder and bleed the system on your vehicle. Hope this helps and thanks for using 2CarPros.
Was this
answer
helpful?
Yes
No
Friday, May 14th, 2021 AT 10:27 PM

Please login or register to post a reply.