Fuses for tail light

Tiny
JAMIB
  • MEMBER
  • 2005 NISSAN MAXIMA
Electrical problem 6 cyl Front Wheel Drive Automatic

I have no tail lights. I tested the wiring going to the lights and there is no juice. What do I do now. Where should I look for the fuses or fuse box for my tail lights. I have brake lights, hazards, and blinkers just no tail lights.
Tuesday, October 12th, 2010 AT 4:00 PM

10 Replies

Tiny
KEN L
  • MASTER CERTIFIED MECHANIC
  • 55,350 POSTS
Hello,

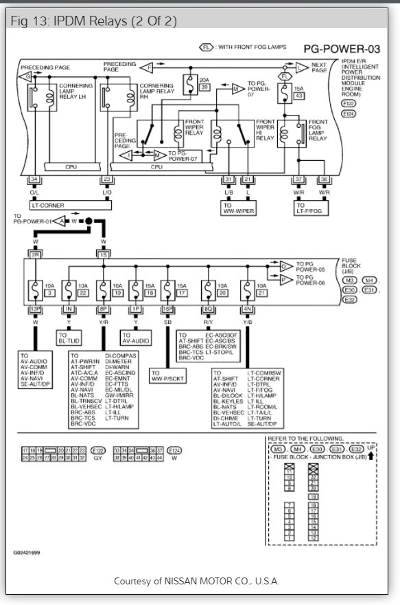
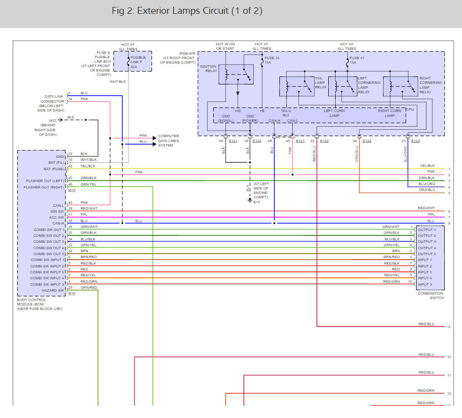
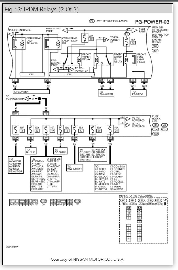
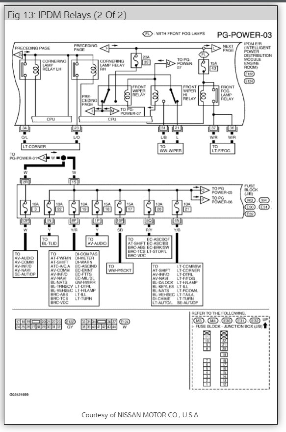
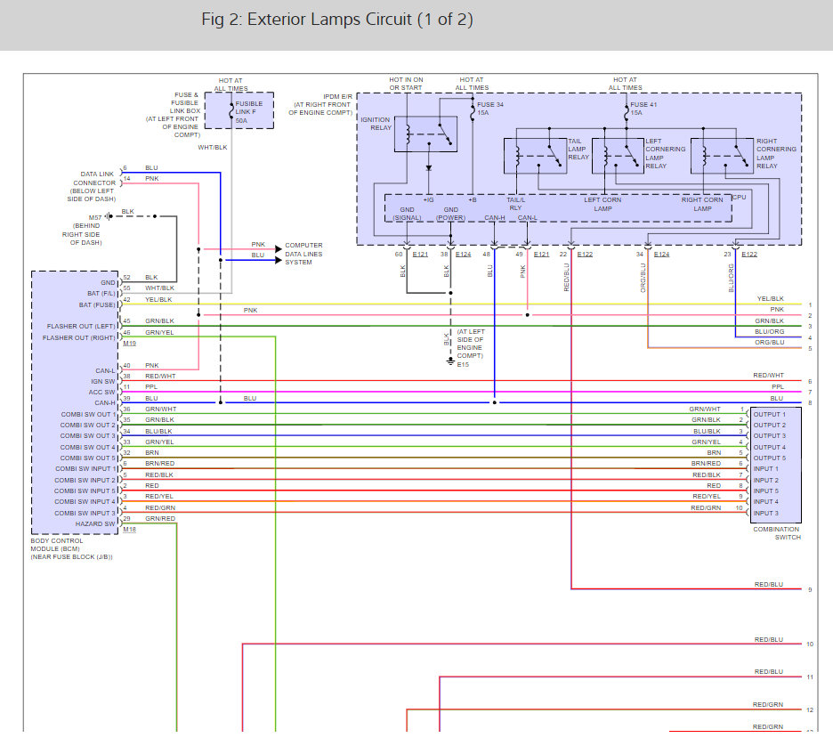
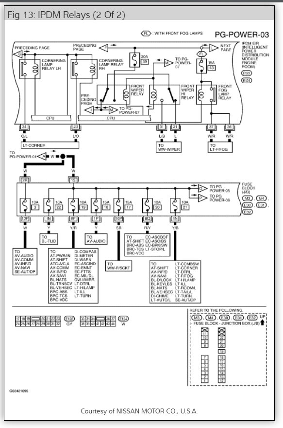
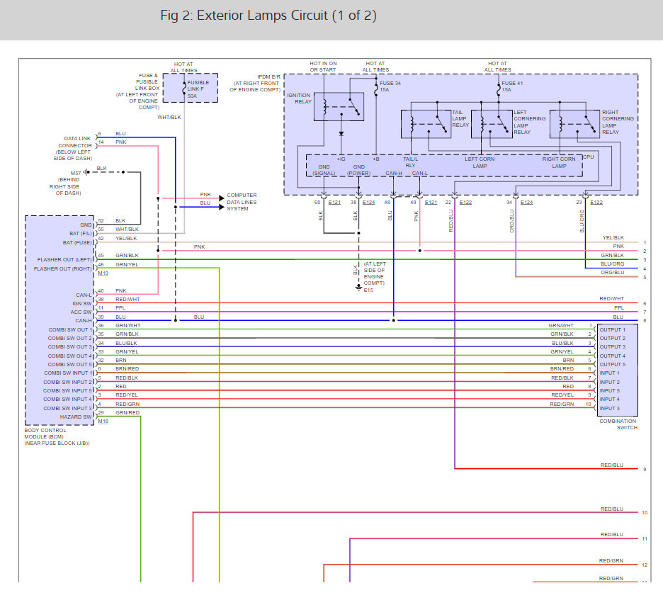
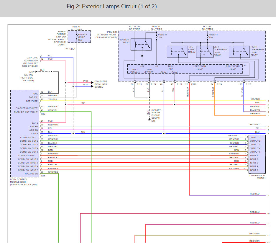
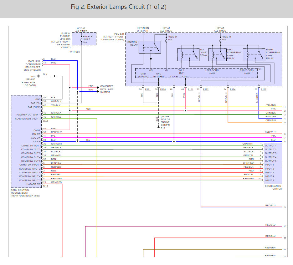
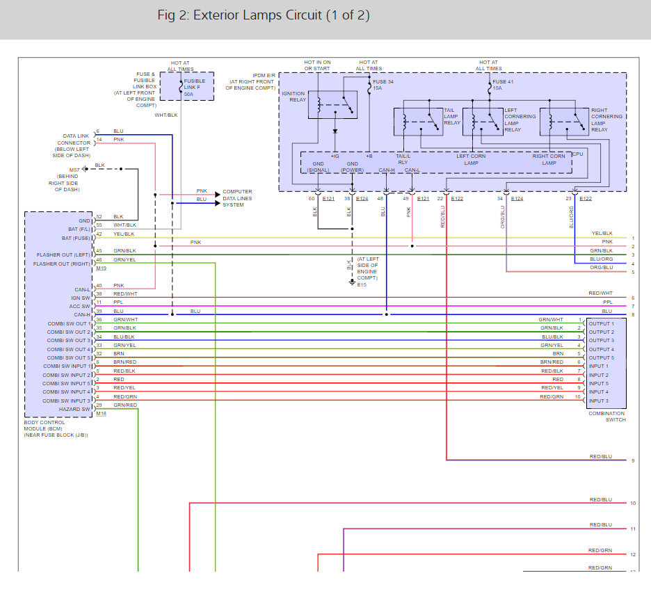
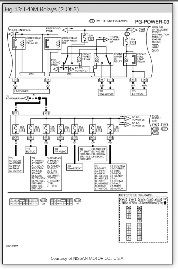
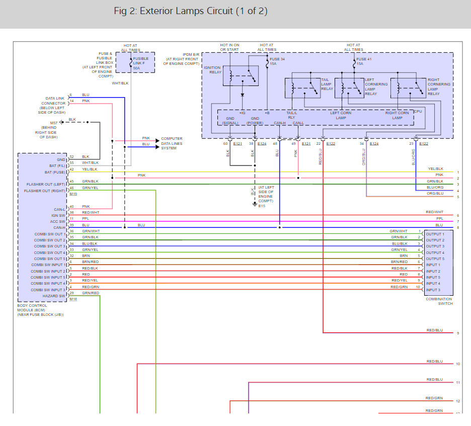
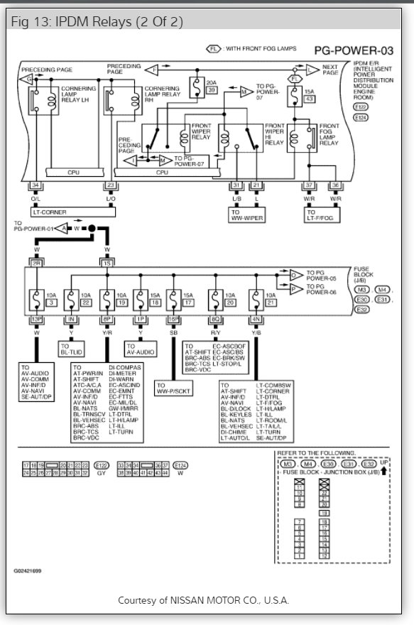
There are two fuses and one relay that runs the system. Here is a guide to help you check the fuse numbers #34 and 41.

https://www.2carpros.com/articles/how-to-check-a-car-fuse

and to check the tail light relay

https://www.2carpros.com/articles/how-to-check-an-electrical-relay-and-wiring-control-circuit

See where you are losing power here is the tail light wiring diagrams and the fuse panel locations and diagrams (below)

Please let us know what you find.

Cheers, Ken
Was this
answer
helpful?
Yes
No
Wednesday, November 29th, 2017 AT 3:52 PM
Tiny
DEB7656
  • MEMBER
  • 1 POST
  • 1999 NISSAN MAXIMA
Tail lights keep going out and blows fuses what can my neighbor try?
Was this
answer
helpful?
Yes
No
+5
Wednesday, November 29th, 2017 AT 3:53 PM (Merged)
Tiny
HMAC300
  • MECHANIC
  • 48,601 POSTS
If it keeps blowing fuses then there may be ashort in teh wiring harness and will have to be checked for that
Was this
answer
helpful?
Yes
No
Wednesday, November 29th, 2017 AT 3:53 PM (Merged)
Tiny
CLAUDIA BLASSAGAME-CANTRELL
  • MEMBER
  • 1 POST
  • 2005 NISSAN MAXIMA
  • 3.5L
  • 6 CYL
  • FWD
  • AUTOMATIC
  • 120 MILES
I have no back lights in back, so the fuse must have blown, so we change the fuse. The lights came back on. About a week or less my light have gone back out in the back. What do I check to solve this problem?
Was this
answer
helpful?
Yes
No
Wednesday, November 29th, 2017 AT 3:53 PM (Merged)
Tiny
KEN L
  • MASTER CERTIFIED MECHANIC
  • 55,350 POSTS
Hello CLAUDIA,

I would start by removing all of the lights to see if any have shorted internally. Here is a guide that will help you.

https://www.2carpros.com/articles/brake-lights-not-working

Please let us know what you find so it will help others.

Best, Ken
Was this
answer
helpful?
Yes
No
Wednesday, November 29th, 2017 AT 3:53 PM (Merged)
Tiny
KCOLE08
  • MEMBER
  • 2 POSTS
  • 2003 NISSAN MAXIMA
  • 6 CYL
  • FWD
  • AUTOMATIC
  • 160,080 MILES
Electrical problem
2003 Nissan Maxima 6 cyl Front Wheel Drive Automatic 160080 miles

When either turn signal is initiated both flash as if my hazards were on. So I replaced all 4 signal bulbs, thinking it may be an indicator for burned out bulbs. But that did not work. So I had a mechanic look at it and he suggested that the turn signal switch may need to be replaced, but that failed to fix the problem. And then just a few days after that, my tail lights both went out. However they do light up when braking, but only the left one. And my car also has a hitch, which I do not use. So I'm assuming there is a short somewhere in the wiring for the hitch or somewhere in the system. Now, how would I go about finding the short, or is it possible that is not even the problem?
Was this
answer
helpful?
Yes
No
+1
Wednesday, November 29th, 2017 AT 3:53 PM (Merged)
Tiny
CMDRDATATX
  • MEMBER
  • 54 POSTS
Your last statement about the hitch gives me a possible clue. I suspect that the trailer light wiring is the cause of your problem. My suggestion is to trace every one of the trailer wiring (there should be four of them), and REMOVE every one of them. When you do this check that the original wiring is not broken at the tap point, and if they are good, wrap and insulating tape over the exposed metal/wiring. Also recheck the bulb filament after you're done with removing this trailer wiring to ake sure that they aren't burned out.

Later, if this solved the problem, reconnect the trailer wiring at at different location of the wiring harness.
Was this
answer
helpful?
Yes
No
Wednesday, November 29th, 2017 AT 3:53 PM (Merged)
Tiny
KCOLE08
  • MEMBER
  • 2 POSTS
I did just as you had suggested, and it worked like a charm. You truly are a life saver. Thank you very much.
Was this
answer
helpful?
Yes
No
Wednesday, November 29th, 2017 AT 3:53 PM (Merged)
Tiny
KERWIN CAPERS
  • MEMBER
  • 2 POSTS
MY Brake light won't turns off when the car is off, I replaced the brake switch. Still doesn't turn off, when I press the switch they get brighter. I checked the fuse in the cabin and switched fuses of the same size nothing change is there a relay or another fuse located in the engine compartment. I have a Nissan 2005 maxima

kerwin
Was this
answer
helpful?
Yes
No
Tuesday, December 12th, 2017 AT 12:21 PM
Tiny
KEN L
  • MASTER CERTIFIED MECHANIC
  • 55,350 POSTS
Please post your question here

https://www.2carpros.com/questions/new

Cheers, Ken
Was this
answer
helpful?
Yes
No
Friday, December 15th, 2017 AT 4:56 PM

Please login or register to post a reply.