Headlight not working

Tiny
FOAMY909
  • MEMBER
  • 2006 NISSAN ALTIMA
Four cylinder front wheel drive automatic 60,000 miles.

My low beam driver side headlight is out. I replaced the bulb but the headlight is still not working. Could there be another problem beside the bulb?
Monday, April 13th, 2009 AT 1:05 PM

11 Replies

Tiny
ZACKMAN
  • MECHANIC
  • 4,202 POSTS
Have you checked the fuse and the relay?


https://www.2carpros.com/forum/automotive_pictures/55316_06altimalamp_1.jpg

Was this
answer
helpful?
Yes
No
+1
Wednesday, April 15th, 2009 AT 2:55 AM
Tiny
ENGINEER61
  • MEMBER
  • 1 POST
Passenger low beam still out.
Was this
answer
helpful?
Yes
No
+5
Sunday, February 12th, 2017 AT 8:35 AM
Tiny
CJ MEDEVAC
  • MECHANIC
  • 11,005 POSTS
Wow!

This light has been out since 2009?

Is there power to the socket?

Yes, it is possible that bulb number two could be bad also (I have seen shipping and handling in action).

The Medic
Was this
answer
helpful?
Yes
No
+3
Sunday, February 12th, 2017 AT 3:30 PM
Tiny
KEN L
  • MASTER CERTIFIED MECHANIC
  • 55,322 POSTS
If one light works and the other doesn't then it could be the fuse. We should check the fuse and check for power a the fuse then at the socket.

Here are some guides to help us do some testing to figure out what the problem is.

https://www.2carpros.com/articles/how-to-check-a-car-fuse

and

https://www.2carpros.com/articles/how-to-use-a-test-light-circuit-tester

and

https://www.2carpros.com/articles/how-to-replace-a-headlight-bulb

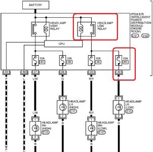
Here are some diagrams (Below) to help us get started.

Please let us know what you find.

Cheers, Ken
Was this
answer
helpful?
Yes
No
+2
Friday, September 29th, 2017 AT 2:35 PM
Tiny
CANDYZGURL88
  • MEMBER
  • 1 POST
  • 2003 NISSAN ALTIMA
Hey I own a 2003 Nissan Altima that has about 100,000 miles and its a v4 (Still runs great) but I recently had to change my front lights and everything worked fine until my front left headlight (low beam) wouldnt turn on. However, both my high beams work and my right low beam works although my left low beam doenst. My dad checked and saw no electricity was running through the wires that connects to the left low beam light. He said it might be a fuse but isn't sure because the left high beam works and the other lights work. Do you know what could be the problem? Thanks ?
Was this
answer
helpful?
Yes
No
-1
Friday, September 29th, 2017 AT 2:36 PM (Merged)
Tiny
NJLSMOM1219
  • MEMBER
  • 5 POSTS
If you go to www. Autosite. Com it will give you a listing on the recalls I have a 2003 as well and there were a few things on there including 2 about the headlights. Hope it helps!
Was this
answer
helpful?
Yes
No
+1
Friday, September 29th, 2017 AT 2:36 PM (Merged)
Tiny
POTATOCANYON
  • MEMBER
  • 2 POSTS
  • 2004 NISSAN ALTIMA
  • 4 CYL
  • FWD
  • AUTOMATIC
  • 80,000 MILES
Electrical problem
2004 Nissan Altima 4 cyl Front Wheel Drive Automatic 80000 miles

low beam headlights both stopped working at the sametime. I believe it is a fuse but cant find the location.
Was this
answer
helpful?
Yes
No
+7
Friday, September 29th, 2017 AT 2:36 PM (Merged)
Tiny
DOCFIXIT
  • MECHANIC
  • 18,828 POSTS
Fused seperately. Use test light see if power to lights.
Somtimes one burns out you don't notice and sometime later the other goes making it look like both blew at once.
Was this
answer
helpful?
Yes
No
+1
Friday, September 29th, 2017 AT 2:36 PM (Merged)
Tiny
BEASTIE213
  • MEMBER
  • 1 POST
  • 2005 NISSAN ALTIMA
  • 90,492 MILES
Left headlight doesn't work I changed it and no power is going through only high beam works? I checked the fuses I possibly did everything I could
Was this
answer
helpful?
Yes
No
Monday, March 11th, 2019 AT 12:59 PM (Merged)
Tiny
RASMATAZ
  • MECHANIC
  • 75,992 POSTS
Hello,

There are five fuses that run the system check out the guide below to show you how to test for power and there are headlight wiring diagrams below as well so you can see how the system works.

https://www.2carpros.com/articles/how-to-check-a-car-fuse

Check out the diagrams (Below). Please let us know what you find. We are interested to see what it is.
Was this
answer
helpful?
Yes
No
+1
Monday, March 11th, 2019 AT 12:59 PM (Merged)
Tiny
OIDAVEY
  • MEMBER
  • 0 POST
Thanks for this post I did some testing and found a bad connection at the bulb! FYI
Was this
answer
helpful?
Yes
No
Monday, March 11th, 2019 AT 12:59 PM (Merged)

Please login or register to post a reply.