HOME
ASK A QUESTION
REPAIR GUIDES
BECOME A MEMBER
LOG IN
Login with Facebook
OR
Remember me
NOT A MEMBER?
FORGOT PASSWORD?
CONTACT US
PRIVACY POLICY
TERMS AND CONDITIONS
☰
Home
Nissan
Altima
Steering
Tie Rod End
Replace/Remove
Tie rod inner and outer replacement
COPCRASH10
MEMBER
1999 NISSAN ALTIMA
Steering problem
1999 Nissan Altima V6 Front Wheel Drive Manual 89000 miles
how to replace both inner and outer tie in rod form start to end?
Thursday, December 6th, 2007 AT 4:25 AM
1 Reply
SERVICE WRITER
MECHANIC
9,123 POSTS
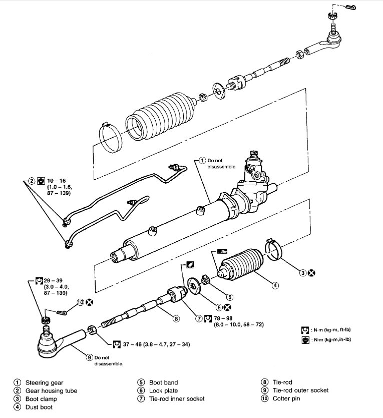
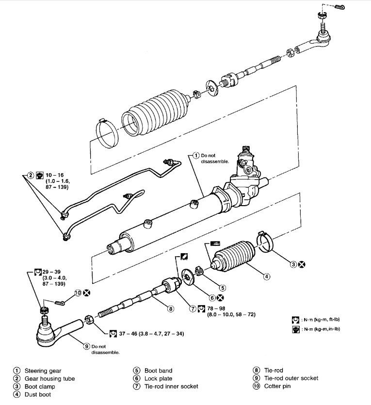
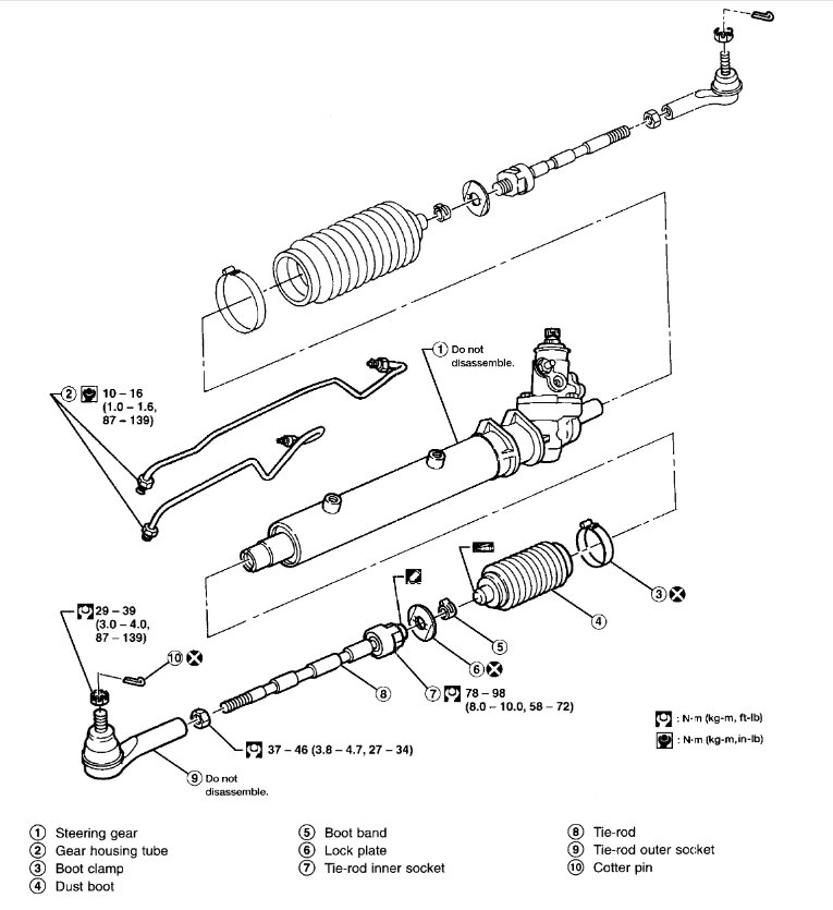
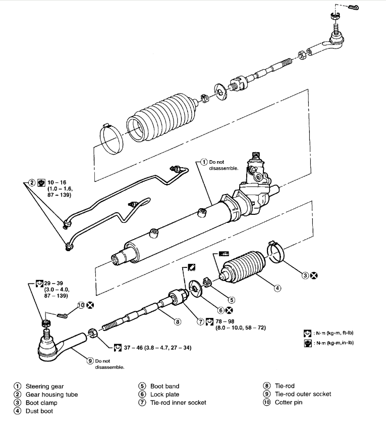
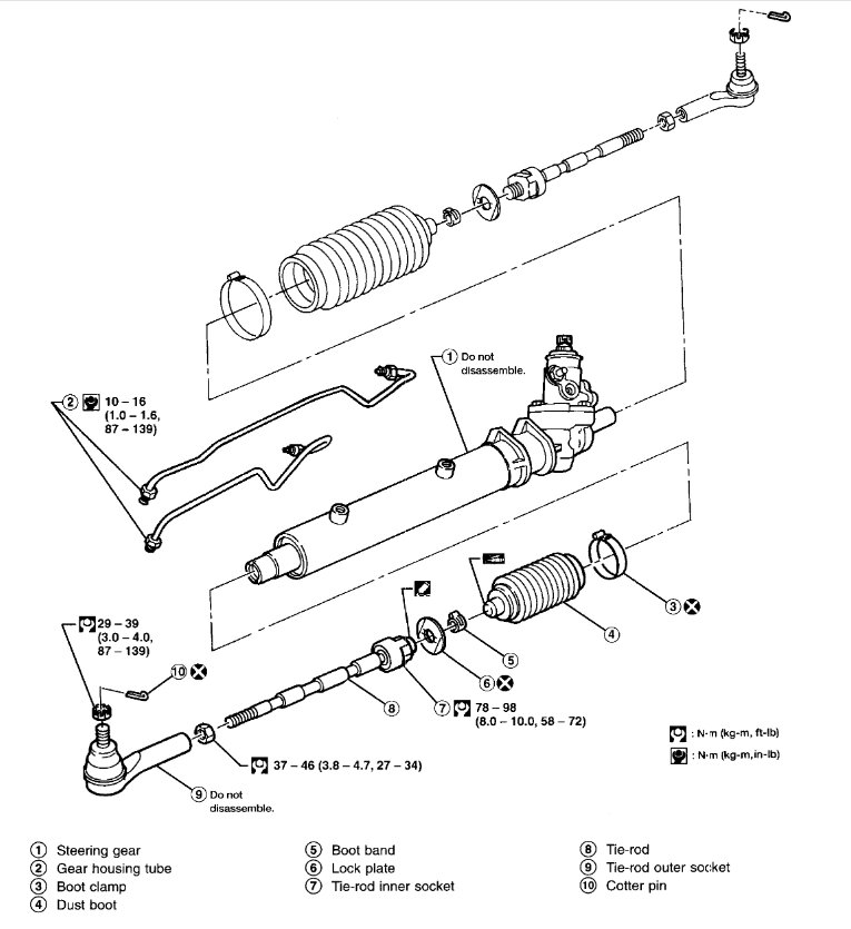
Here are the instruction on how to replace the inner and outer tie rod ends. You will need to raise the car up safety this guide can help.
https://www.2carpros.com/articles/jack-up-and-lift-your-car-safely
Here is a generic guide to help you step by step with instructions in the diagrams below to show you how on your car.
https://www.2carpros.com/articles/tie-rod-end-replacement
Check out the images (below). Let us know if you need anything else.
Images (Click to make bigger)
Was this
answer
helpful?
Yes
No
Saturday, December 8th, 2007 AT 7:19 AM
Please
login
or
register
to post a reply.
Related Tie Rod End Replace/Remove Content
Need Help Identifying Part To Replace (tie Rods, Arms...
I Drive An 2003 3.5l V6 Altima Sedan Se. My Steering Is Very Loose. When I Hit A Bump Its Felt Through The Wheel And The Cabin, And It...
Asked by
andrewkalish1
·
2 ANSWERS
2003
NISSAN ALTIMA
GUIDE
Tie Rod End Replacement
EV's and gas power cars are equipped which tie rod ends which is needed to connect the rack and pinion or steering box to the spindle and front wheels that control the...
Do You Have To Drop The Brake Caliber And Tie Rods...
Do You Have To Drop The Brake Caliber And Tie Rods When Replacing An Engine In A 2005 Nissan Altima Se-r That Has Front Wheel Drive? What...
Asked by
syrelle1
·
3 ANSWERS
20 IMAGES
2005
NISSAN ALTIMA
2000 Nissan Altima
I Am Well Aware That My Car Needs Brakes[(even Thought They Were Replaced Last Yr) Meaning Pads Rotors Calibers. And Wheel Bearings] My...
Asked by
KWZ11
·
3 ANSWERS
2000
NISSAN ALTIMA
Horn Works When I Activate Alarm, But Does Not Work...
Horn Works When I Activate Alarm, But Does Not Work Consistently When I Attempt To Activate It At The Steering Wheel. Fuses Appear To Be In...
Asked by
Anonymous
·
2 ANSWERS
1 IMAGE
1999
NISSAN ALTIMA
Steering Wheel Controls
2003 Nissan Altima With Controls On The Steering Wheel. These Controls Do Not Light Up When The Headlights Come On. Is This Just A Blown...
Asked by
carlbrandon
·
3 ANSWERS
2003
NISSAN ALTIMA
VIEW MORE
Ask a Car Question. It's Free!
Steering Pump Replacement Mercedes Benz
How to Replace a Power Steering Pump
Power Steering Pump Replacement