New starter wont turn over

Tiny
DROESSLER
  • MEMBER
  • 1993 CHEVROLET SILVERADO
  • V8
  • 2WD
  • MANUAL
  • 150,000 MILES
New starter wont turn over
Monday, March 7th, 2022 AT 11:00 AM

1 Reply

Tiny
KEN L
  • MASTER CERTIFIED MECHANIC
  • 55,486 POSTS
Does it make any noise? Can you please shoot a quick video with your phone so we can hear the noise? That would be great. You can upload it here with your response. Also, here is a guide to help you see what's going on, if no noise is heard use a test light to see if you are getting power to the solenoid:

https://www.2carpros.com/articles/starter-not-working-repair

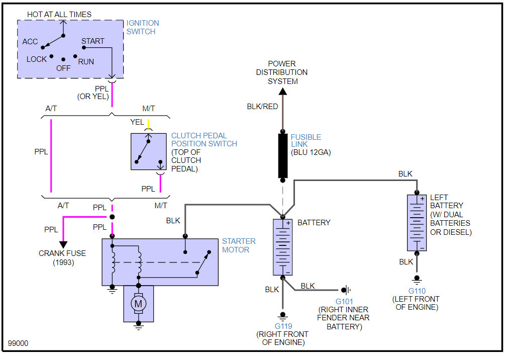
Here is a wiring diagram so you can see how the system works:

https://www.2carpros.com/articles/how-to-use-a-test-light-circuit-tester

Check out the diagrams (below). Please let us know what you find. We are interested to see what it is.
Was this
answer
helpful?
Yes
No
Wednesday, March 9th, 2022 AT 7:59 AM

Please login or register to post a reply.