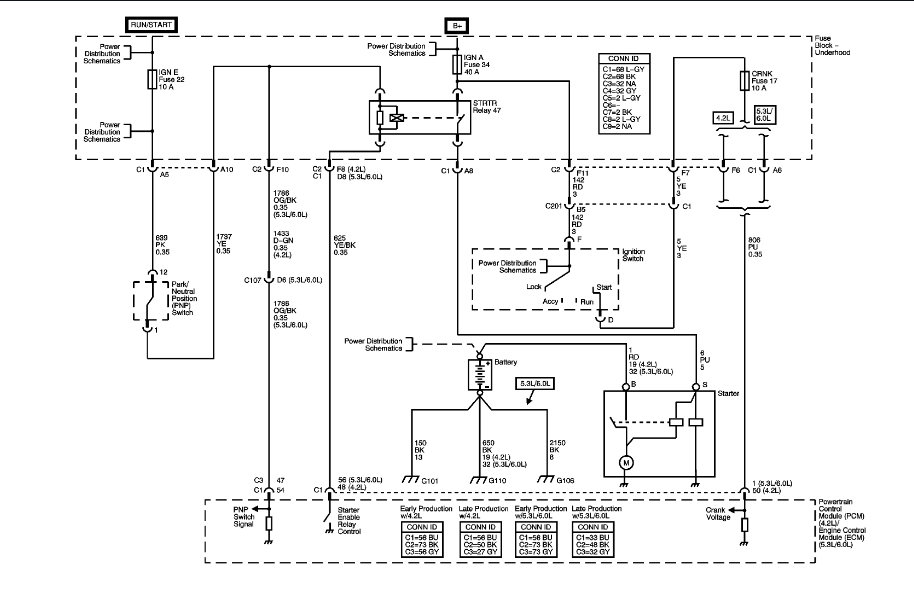
Sunday, December 9th, 2018 AT 8:39 PM
I am getting power. I thought it was the ignition switch, so we replaced that and the starter relay, the starter and a new battery. I still cannot get it to start! Please help, stranded two hours from home with my children!


