New starter does not crank?

Tiny
JAMIE2000F-150
  • MEMBER
  • 2000 FORD F-150
  • 4.6L
  • V8
  • 4WD
  • MANUAL
  • 160,000 MILES
I replaced the sidewall solenoid, starter, and battery. Cleaned all connections, terminal ends. Truck started once after installation, but now fails to crank. Is there a clutch pedal safety switch on this model that could be causing the issue? I did push start it once while rolling it off the trailer as well.
Thursday, February 9th, 2023 AT 6:18 AM

1 Reply

Tiny
JACOBANDNICKOLAS
  • MECHANIC
  • 110,194 POSTS
Hi,

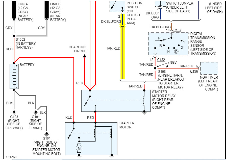
Yes, there is a clutch safety switch on the clutch pedal assembly. I attached a wiring schematic below of the starter circuit.

What to do is disconnect the clutch switch under the dash and check if there is power present at the white wire with a pink tracer. If there isn't, check fuse 21 in the central junction box to make sure it is good and there is power to and from it.

https://www.2carpros.com/articles/how-to-check-a-car-fuse

If there is power present at the connector, reconnect the switch and depress the clutch pedal. With the pedal depressed, power should be present at the dark blue/orange wire from the switch.

Also, confirm there is battery voltage on the new relay red wire.

Let me know what you find or if you have other questions. Additionally, let me know if you hear anything when you try starting it such as a click.

Take care,

Joe

See pics below.
Was this
answer
helpful?
Yes
No
Thursday, February 9th, 2023 AT 2:49 PM

Please login or register to post a reply.