New fuel pump, still no start

Tiny
PRESTON GRANT
  • MEMBER
  • 2001 DODGE NEON
  • 2.0L
  • 4 CYL
  • 2WD
  • AUTOMATIC
  • 243,000 MILES
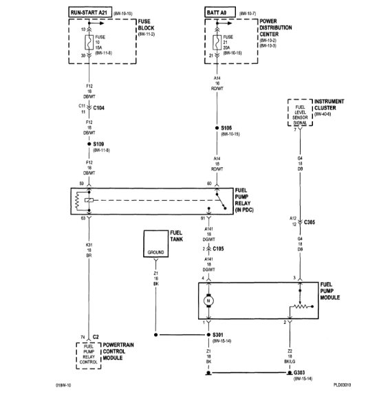
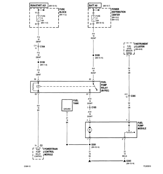
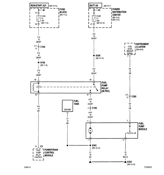
No current to the fuel pump, new fuel pump relay, still no start.
Fuel pump does prime. No pressure. It just seem like no current to keep it running.
Tuesday, September 11th, 2018 AT 11:03 PM

1 Reply

Tiny
ASEMASTER6371
  • MECHANIC
  • 52,796 POSTS
Good morning.

If you hear the pump priming, there is power to the pump.

When you turn the key to on, the pump should run for two seconds. Then it will shut off. When you crank the engine it should turn on full.

What is the pressure with key on engine off? Do you have a pressure gauge to test the actual pressure?

There should be 58 lbs of pressure.

Roy
Was this
answer
helpful?
Yes
No
+1
Wednesday, September 12th, 2018 AT 11:07 AM

Please login or register to post a reply.