New A/C compressor not engaging

Tiny
JUAN092615
  • MEMBER
  • 2017 FORD FOCUS
  • 2.0L
  • 4 CYL
  • 2WD
  • AUTOMATIC
  • 74,076 MILES
My old A/C compressor went out. I installed a new one but it didn't engage and blew a fuse out. I checked the connections and wires are touching at all. Does anyone know what's the problem?
Saturday, August 21st, 2021 AT 2:24 PM

3 Replies

Tiny
JACOBANDNICKOLAS
  • MECHANIC
  • 110,194 POSTS
Hi,

Was it fuse 34 in the battery junction box under the hood? Have you inspected the wiring at the compressor to make sure nothing was shorted? Did the fuse blow as soon as the compressor was turned on?

Here is what I suggest. There is a violet wire with a gray tracer going to the compressor. That is the power supply from fuse 34. Disconnect the connector and replace the fuse. Turn the A/C on and check to see if there is power. If there is and the fuse doesn't blow, you may have a bad compressor clutch.

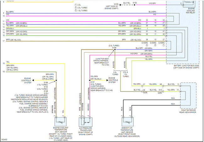
I attached the entire wiring schematic for a manual A/C system. If you have automatic climate control, let me know.

Also, here is a link you may find helpful.

https://www.2carpros.com/articles/how-to-check-wiring

Note: The wiring schematic was three pages long. I had to cut each one in half to make them readable. I did overlap them so you can follow from one to the next. I did highlight the wiring from the fuse to the compressor and then to the PCM.

Let me know what you find or if you have other questions.

Take care,

Joe

See pics below.
Was this
answer
helpful?
Yes
No
+1
Saturday, August 21st, 2021 AT 9:05 PM
Tiny
JUAN092615
  • MEMBER
  • 2 POSTS
Nothing was shorted, no wires are touching that I see. As soon as I turn the A/C on the fuse blows out.
Was this
answer
helpful?
Yes
No
Saturday, August 21st, 2021 AT 9:31 PM
Tiny
JACOBANDNICKOLAS
  • MECHANIC
  • 110,194 POSTS
Unplug the compressor clutch and check power at the connector. Simply use a test light. If there is power and the fuse doesn't blow, it sounds like the compressor clutch is shorted.

Let me know.

Joe
Was this
answer
helpful?
Yes
No
Saturday, August 21st, 2021 AT 10:46 PM

Please login or register to post a reply.