Neutral Safety Switch for a 45RFE?

Tiny
Y2KDREYER
  • MEMBER
  • 2003 DODGE DURANGO
  • 4.7L
  • V8
  • 2WD
  • AUTOMATIC
  • 180,000 MILES
Backup lights aren't working, cannot see an external connection for the switch on the driver side of the transmission. Found two different parts, is one internal? I can't see an external part location. Transmission number is P52119448AA RFE.
Thursday, January 18th, 2024 AT 10:13 PM

1 Reply

Tiny
BORIS K
  • MECHANIC
  • 836 POSTS
Hello,

Being a 2003 model your vehicle would be equipped with the 5 speed 545RFE transmission.

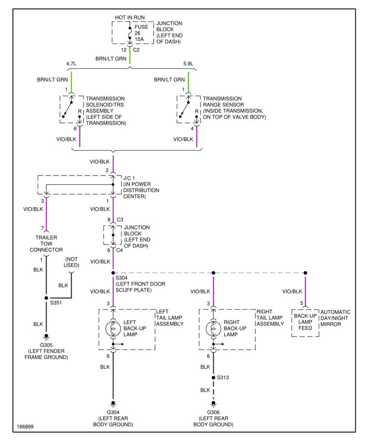
Being a 4.7 the transmission neutral position/reverse sensor is located externally on the left rear of the transmission, see image 2 below.

Suggest to first check that fuse F26(15A) in junction block, dashboard, is not blown
See diagram below, image 3.

How to check fuse:
https://www.2carpros.com/articles/how-to-check-a-car-fuse

If in order next disconnect the 6-pin connector at the neutral switch.
Check that pin 1, brown/green wire, has 12V when ignition is on.
You can use a voltmeter or a test light.

How to use:
https://www.2carpros.com/articles/how-to-use-a-voltmeter
and
https://www.2carpros.com/articles/how-to-use-a-test-light-circuit-tester

If 12V is given next connect a jumper wire from pin 1 to pin 6, violet/black wire
With ignition on the reverse lights should light up.

Part number for the switch should be 56045489AC(2wd) or 56045489AA(4wd)

Cheers, Boris
Was this
answer
helpful?
Yes
No
Friday, January 19th, 2024 AT 8:44 AM

Please login or register to post a reply.