Friday, June 7th, 2024 AT 10:31 PM
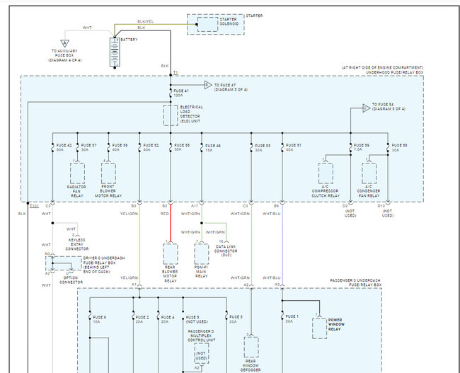
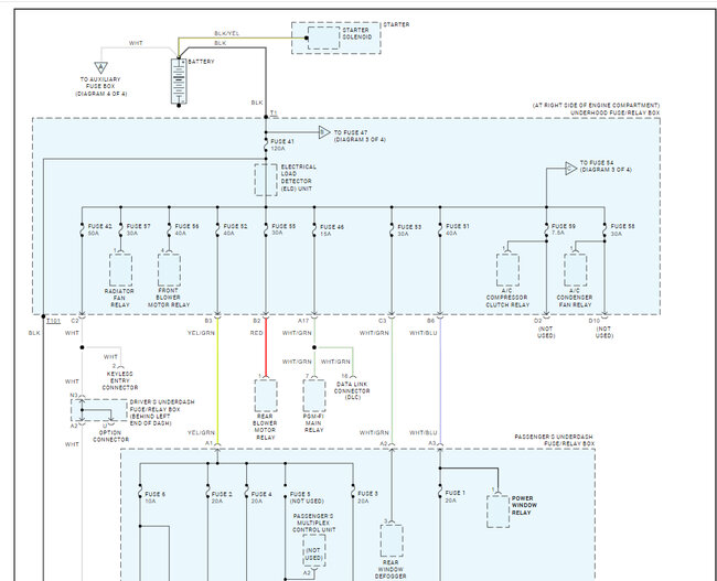
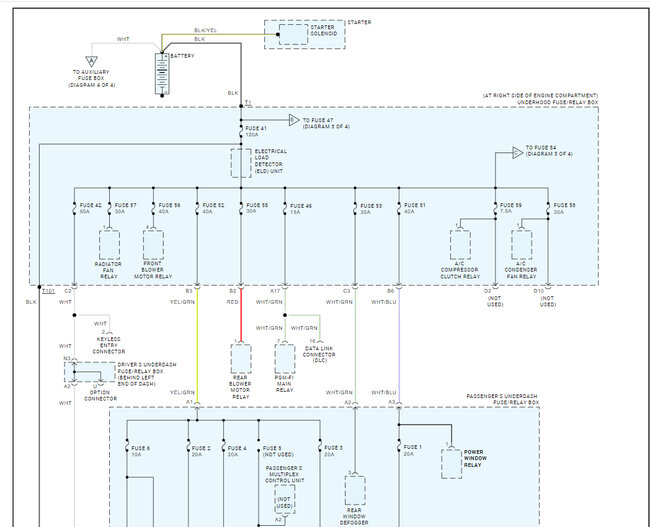
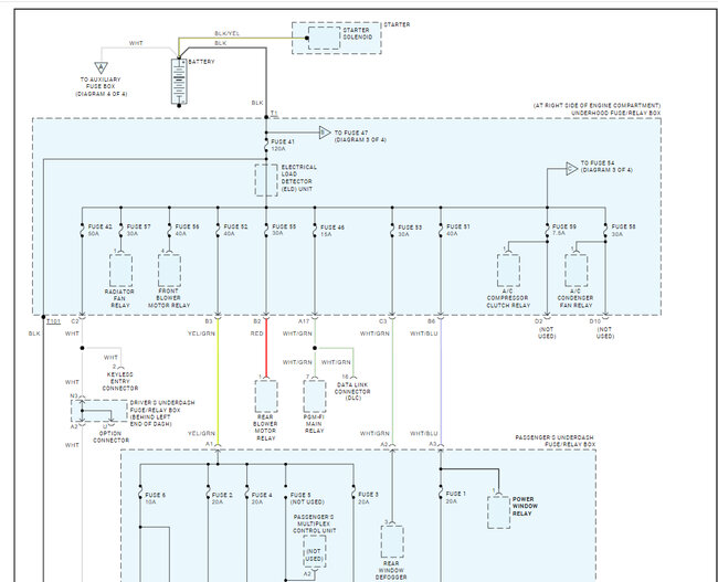
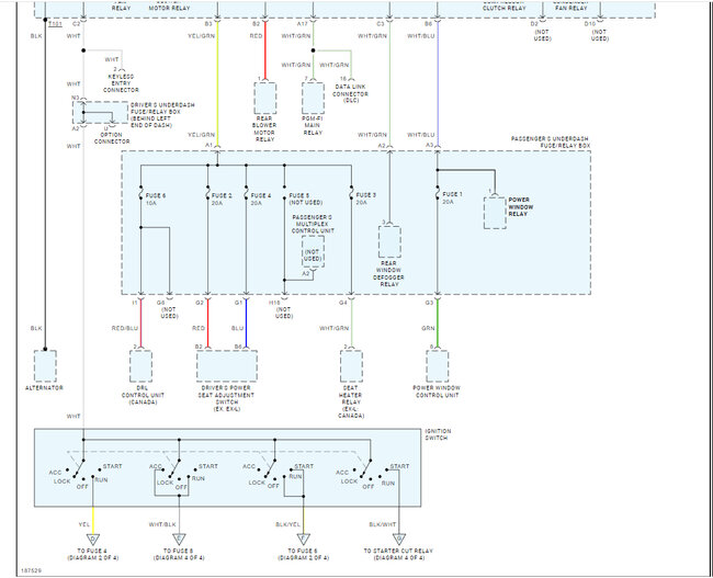
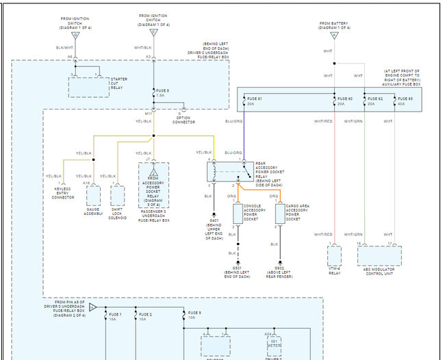
I was driving down the highway one day and the vehicle just felt like something slammed on the brakes intermittently for a brief second almost like it got thrown in park or reverse really quickly then back out it got better when I switched it to d3 but on downshifts It's pretty harsh and if I have to make a dramatic change in speed also going from park to reverse is nasty sounded just a loud clunk all other gears are fine mainly reverse, and sometimes it won't even go in reverse I have to turn it off and back on, so I figure it's definitely something electrical, so I started checking sensors and solenoids all those checked out bench tested them, so I get to the neutral safety switch and check the male end of the connector and everything checks out except one combination in drive I have no continuity between pin 2 and 3, but I do have it from 2 and 7 and 3 and 7, so I don't know what my next step should be or if this is even the issue with what I'm dealing with as we are down 2 vehicles right now luckily its summer and kids don't have anywhere to be anything you can do to help me would be greatly appreciated.


























