HOME
ASK A QUESTION
REPAIR GUIDES
BECOME A MEMBER
LOG IN
Login with Facebook
OR
Remember me
NOT A MEMBER?
FORGOT PASSWORD?
CONTACT US
PRIVACY POLICY
TERMS AND CONDITIONS
☰
Home
Jaguar
XJ8
Drivetrain
Transmission
Gear Position Sensor
Neutral safety switch
HATTIE BARRETT
MEMBER
2001 JAGUAR XJ8
4.0L
V8
2WD
AUTOMATIC
140,000 MILES
Show me the hook up for the plug connection on the car.
Thank You!
Friday, December 30th, 2016 AT 11:18 AM
2 Replies
HATTIE BARRETT
MEMBER
3 POSTS
How long does it usually take for an answer to a question? This is my only means of transportation and "Man Its Cold Outside"
Was this
answer
helpful?
Yes
No
Friday, December 30th, 2016 AT 1:24 PM
KEN L
MASTER CERTIFIED MECHANIC
55,297 POSTS
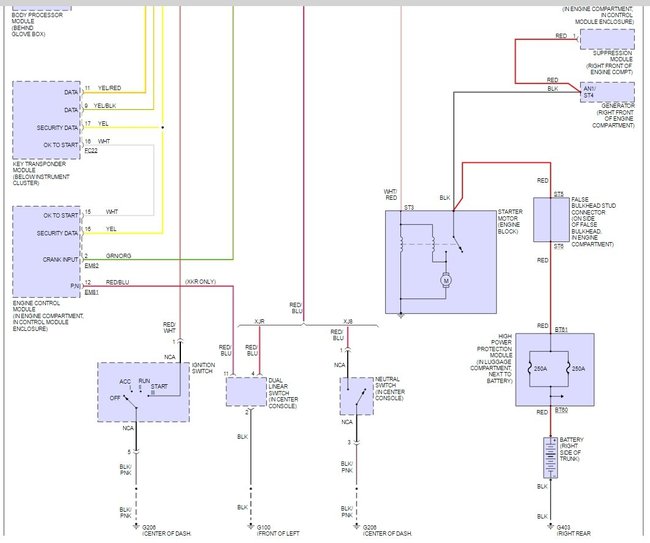
Hey HATTIE BARRETT,
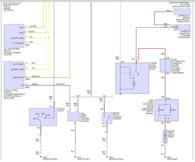
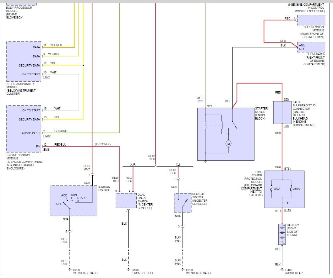
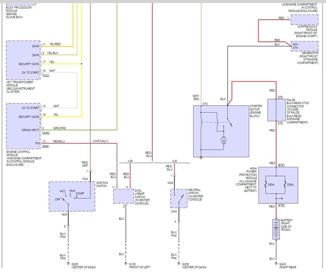
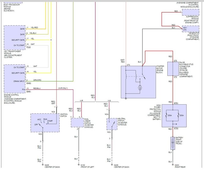
Are you talking about the ALDL connector or the neutral safety switch? Is the car not starting?
Here is a wiring diagram and some guides to help you get the problem fixed.
https://www.2carpros.com/articles/how-to-use-a-test-light-circuit-tester
and
https://www.2carpros.com/articles/car-cranks-but-wont-start
and
https://www.2carpros.com/articles/how-to-check-a-car-fuse
Please let us know happens so it will help others.
Best, Ken
Images (Click to make bigger)
Was this
answer
helpful?
Yes
No
Saturday, December 31st, 2016 AT 2:37 PM
Please
login
or
register
to post a reply.
Related Transmission Gear Position Sensor Content
High Gearbox Temperature Message
I Have A 2000 Xj8l With 119,000 Miles On It And Prior To Me Replacing The Throttle Body I Was Receiving The High Gearbox Temperature...
Asked by
Djag
·
10 ANSWERS
9 IMAGES
2000
JAGUAR XJ8
GUIDE
Neutral Safety Switch Test
The functionality of the neutral safety switch has changed greatly through the automotive development era, what was once a simple switch for the reverse lights and starter...
How Do You Change Transmission Fluid
Where Is Plug Located And How Do You Refill?
Asked by
Maria Viney
·
1 ANSWER
1 IMAGE
1998
JAGUAR XJ8
How To Fill With Transmission Fluid?
Need To Know How To Fill Transmission Fluid
Asked by
mr technician
·
1 ANSWER
1998
JAGUAR XJ8
Which Automatic Gearbox Fits On Jaguar Xj8
I Want To Change The Gear Box But I Want To Know What Gearbox Else Fit On This Car
Asked by
alaaaldeen
·
3 ANSWERS
2000
JAGUAR XJ8
Lower (lt Side)transmision Cooling Oil Hose Line
I Have A 1998 Jaguar Xj8 V8 Two Wheel Drive Automatic And I Need The Lower Trans Cooler Line On The Left Side. I Am Looking For The Part But...
Asked by
saabman
·
1 ANSWER
1998
JAGUAR XJ8
VIEW MORE
Ask a Car Question. It's Free!
Starter Not Working
Car Not Cranking? Try This | EASY
How to Use a Test Light