Sunday, September 22nd, 2024 AT 4:17 PM
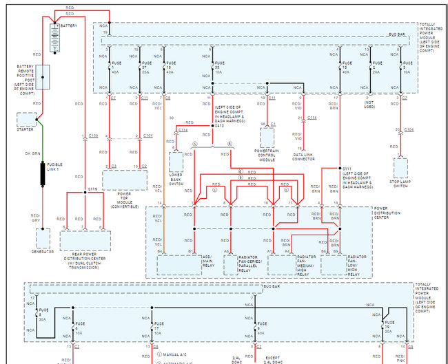
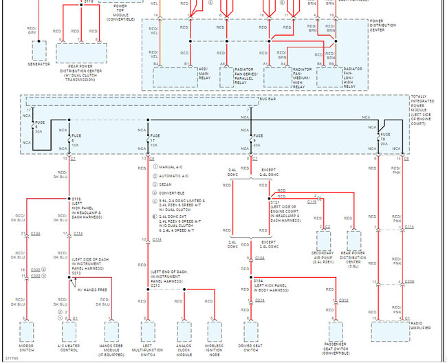
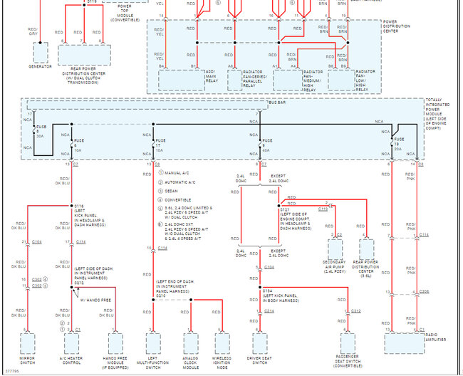
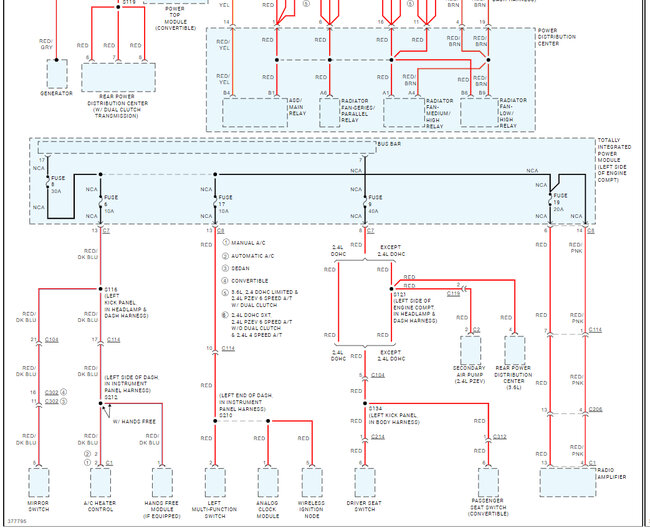
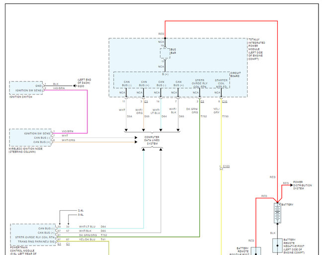
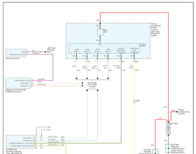
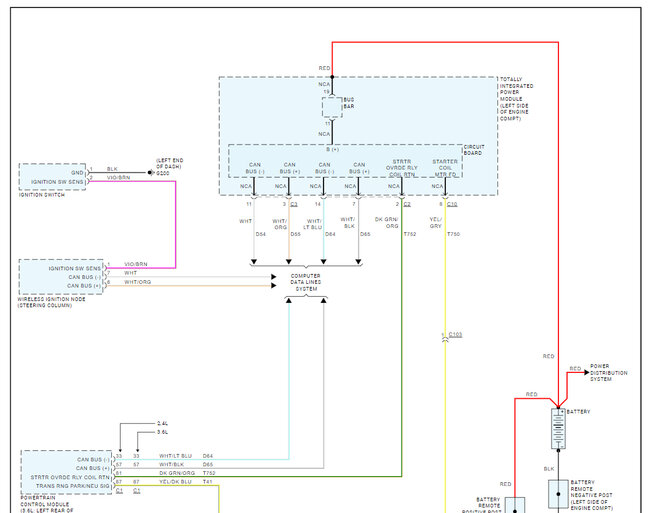
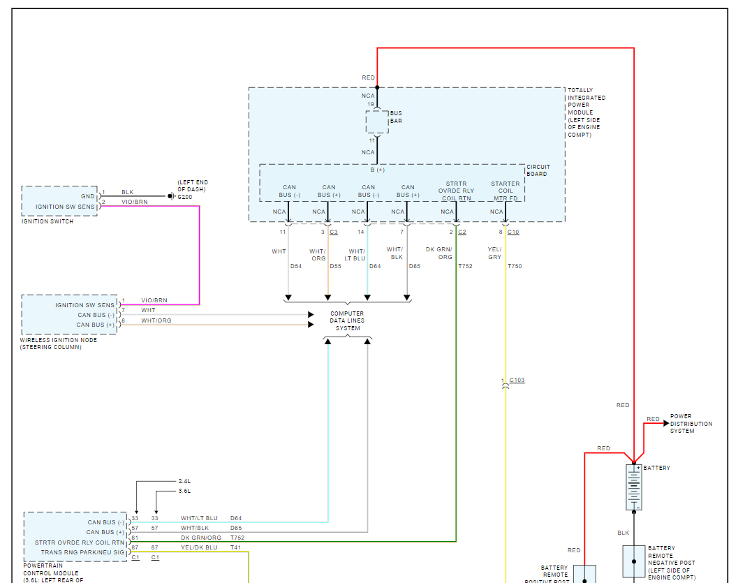
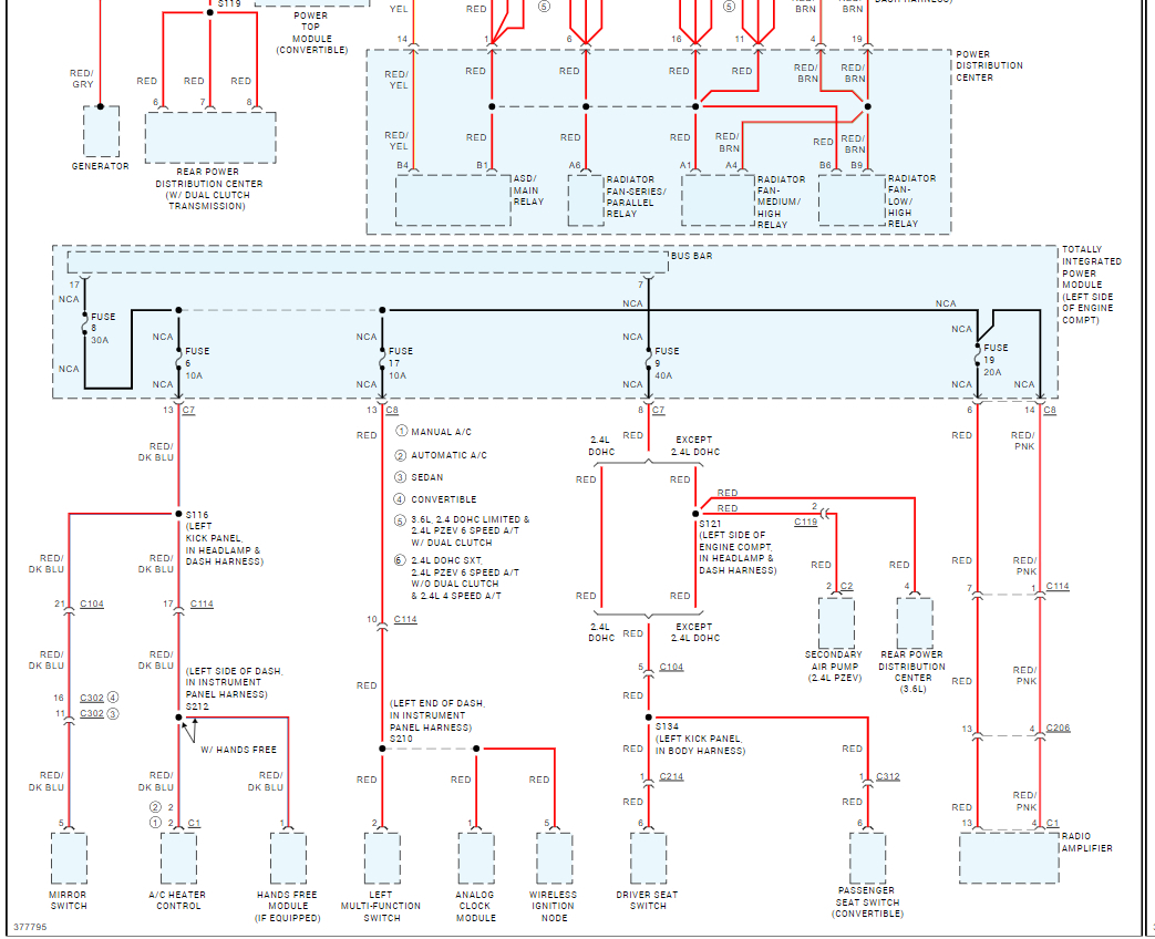
I believe the problem is on the same circuit. MY car will not start but will click for around 5 turns of key. Then it will start. Will not happen again for 5 months or longer. My light on 1 side of instrument panel will stay off for 10 or 20 drive cycles then come on for 3 or 4. This is an ongoing problem. My cruise control will not come on or work for 1 or 2 drive cycles then work for about 9 months then does same again. My wipers stopped midstream and came on after I restarted car. This happened only 2 times in last 3 years. These things happen so intermediate in time that took me a while to see the pattern.











