Need stereo wire diagram for an aftermarket stereo

Tiny
BEN ENGELHART
  • MEMBER
  • 2013 DODGE RAM
  • V10
  • TURBO
  • 4WD
  • AUTOMATIC
  • 105 MILES
Aftermarket for the truck listed above 3500.
Saturday, June 18th, 2022 AT 12:58 AM

1 Reply

Tiny
KASEKENNY
  • MECHANIC
  • 18,907 POSTS
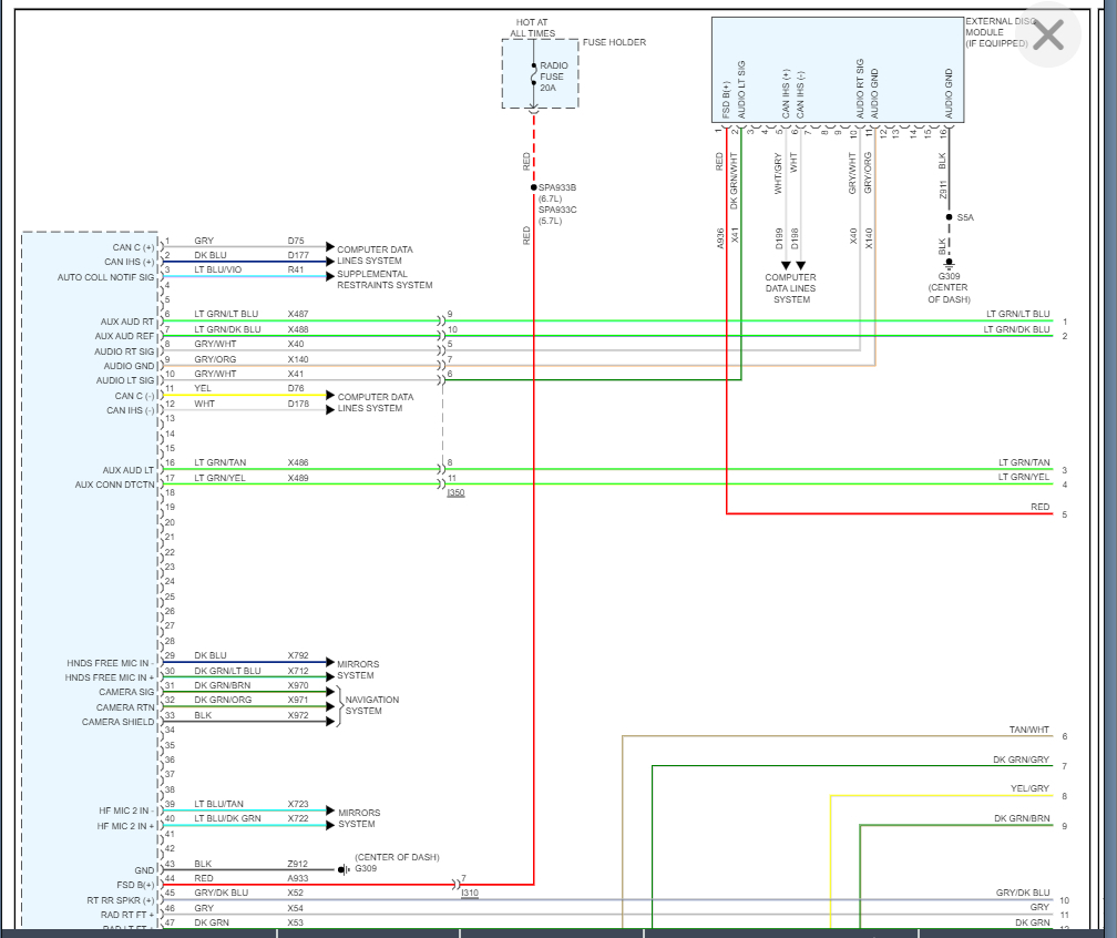
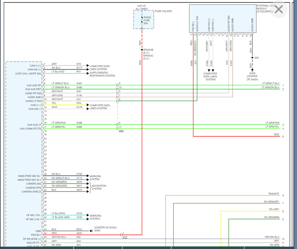
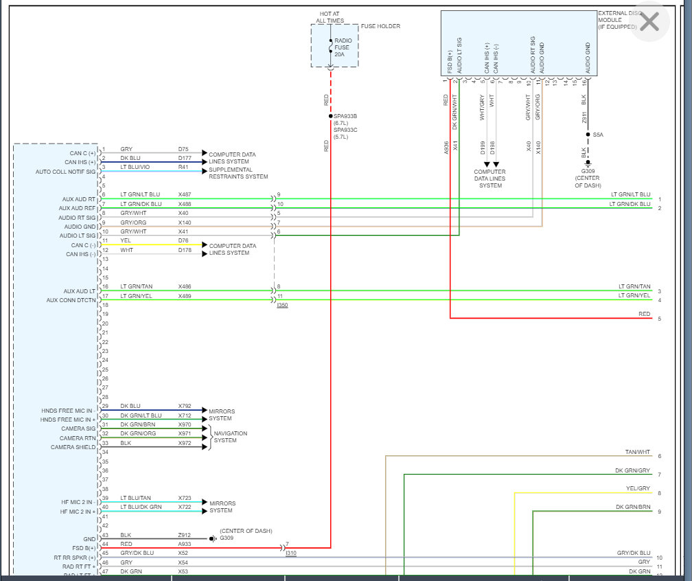
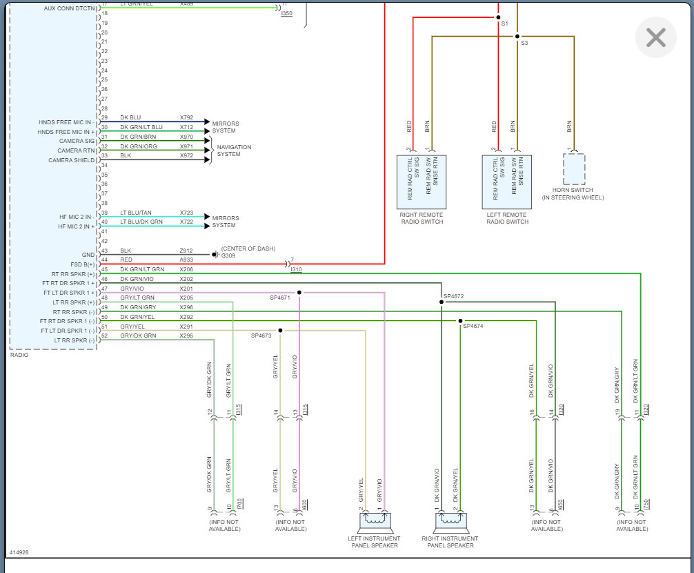
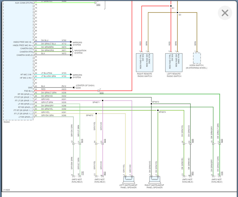
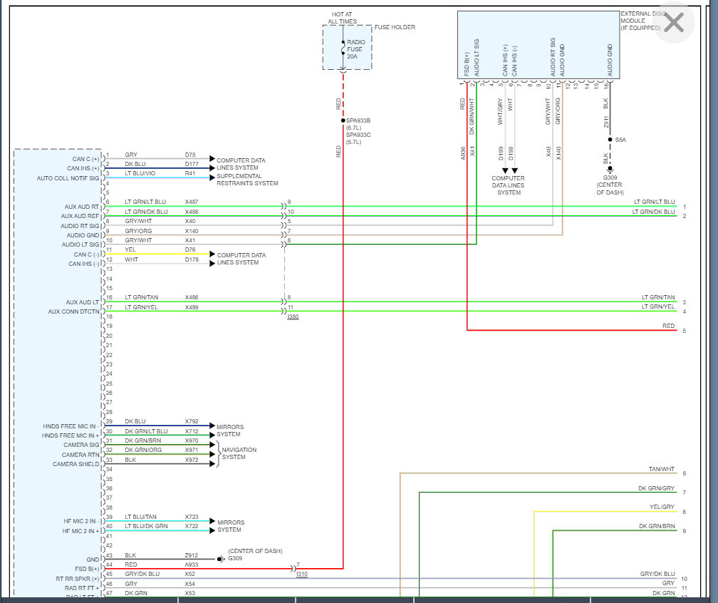
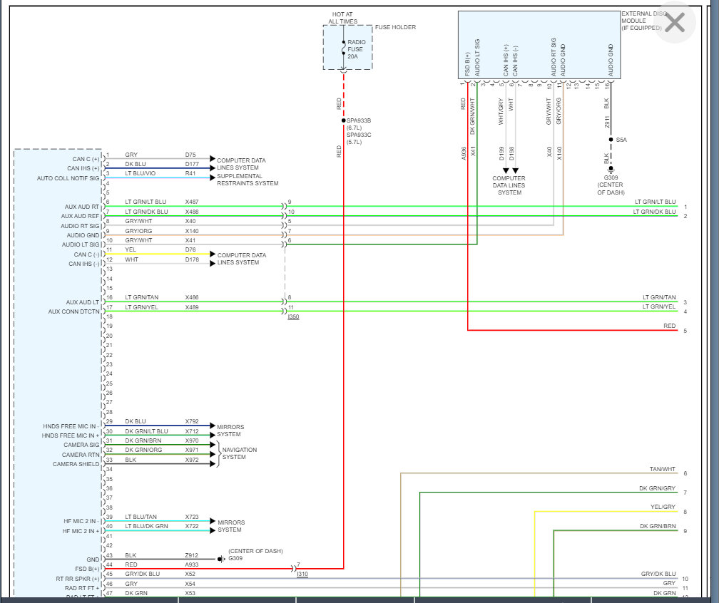
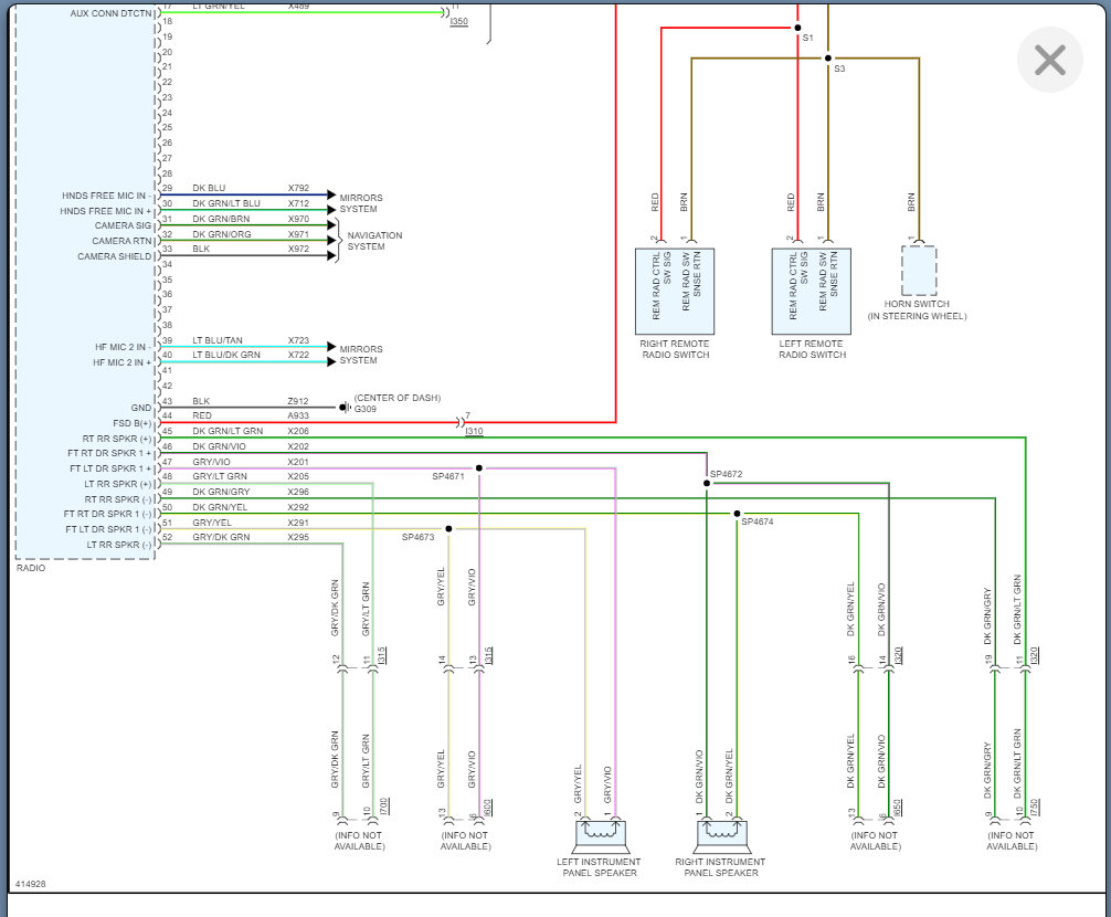
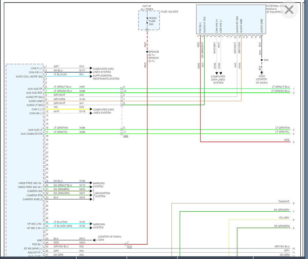
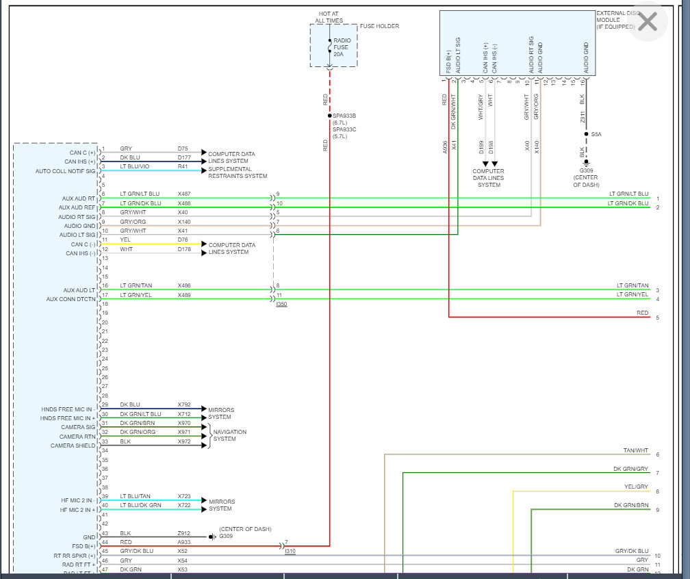
I assume you are trying to install an aftermarket radio and you need the OEM radio wiring diagram?

If that is the case, then I will attach it below.

The first two screen shots will be of the base radio system and the remaining are of the higher line.

Please run through these and let us know if you need more info.

Thanks
Was this
answer
helpful?
Yes
No
Saturday, June 18th, 2022 AT 2:36 PM

Please login or register to post a reply.